Softstarty DS7 Eaton
Treść zawarta w artykule opisuje krótko wiadomości dotyczące softstartów Eaton z serii DS7. Jednak nim dotrzemy do sedna tematu, warto jednak przypomnieć ogólne znaczenie softstartu.
Co to jest softstart?
Sofstart inaczej zwany jest również jako układ łagodnego rozruchu. Dedykowany jest do zastosowania w celu ograniczenia prądu rozruchowego w chwili rozruchu silnika. Dedykowane są do zastosowań o dużej mocy, dzięki czemu sofstarty chronią przed udarem prądu. Ponadto stosowanie softartów znacznie wydłuża pracę urządzeń. Układy łagodnego rozruchu z powodzeniem stosowane są w wielu aplikacjach automatyki przemysłowej.
Soft starty DS7
Układy łagodnego rozruchu z serii DS7 cenione są ze względu na kompaktową budowę, co znacznie usprawnia montaż, a dodatkowo pozwala na usytuowanie ich nawet w trudno dostępnych miejscach. Softstarty DS7 Eaton pod względem sterowania dzielimy na dwie fazy. Wyróżniamy tutaj sterowanie napięciem 110-230V AC lub 24V AC/DC. Z kolei napięcie pracy wynosi 230-480V o częstotliwości 50/60Hz. Sofstarty występują w mocy od 1,5 kW do mocy 110 kW, w obu wariantach zasilania. Cechują się również bardzo prostą budową, skomponowane w sposób, który pozwala na uruchomienie trójfazowego silnika. Istotnym elementem zawartym w sofstartach DS7 jest to, iż mają regulowane napięcie startowe. Producent wyposażył układy łagodnego rozruchu DS7 w diody LED, które sygnalizują o stanie pracy urządzenia. Producent podczas produkcji bazuje na komponentach najwyższej jakości, co sprawia, że produkty są odporne na warunki otoczenie. Stopień ochrony urządzeń DS7 Eaton podaje na IP20.
Softstart DS7 Eaton wraz z akcesoriami

W zależności od wielkości wyposażone są w 1 lub 2 wejścia cyfrowe oraz 1 lub 2 wyjścia przekaźnikowe. Softstarty o mniejszej wielkości posiadają 1 wejście cyfrowe oraz 1 wyjście przekaźnikowe, z kolei większe układy łagodnego rozruchu dysponują 2 wejściami i logicznie 2 wyjściami.
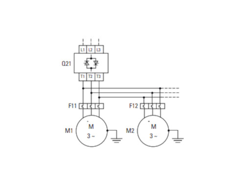
Schemat równoległego podłączenia wielu silników do sofstartu.
Wariant 1

Wariant 2

Dokonując wyboru odpowiedniego soft startu DS7 Eaton Moller, należy określić kolejno:
- jaki jest maksymalny prąd rozruchu,
- cykl przeciążenia maszyny,
- cykl obciążenia,
- obciążenie, jakie ma być napędzane za pomocą silnika,
- czas rozruchu dla rozruchów bezpośrednich DOL lub gwiazda-trójkąt,
- wartośc momentu bezwładności.
Komunikacja sofstartów przebiega przy pomocy SmartWire-DT.

Co więcej, softstart DS7 Eaton jest w pełni kompatybilny z systemami xStar. Urządzenia DS7 Eaton przeznaczone są do montaży w szafie sterowniczej za pomocą szyny DIN lub na płycie montażowej.
Zastosowanie DS7
Softstarty Eaton z serii DS7 z powodzeniem znajdują zastosowanie niemalże w każdej gałęzi automatyki przemysłowej. Z uwagi na prostą budowę, kompaktowe wymiary są bardzo chętnie wybierane przez kontrahentów z branży automatyki. Bez przeszkód układy łagodnego rozruchu DS7 Eaton można stosować ze standardowymi silnikami w aplikacjach do pomp, wentylatorów czy też pasów transmisyjnych. Ponadto w wielu innych aplikacjach uznawane są za bezkonkurencyjne urządzenia.