
Falownik 0,2/0,4 kW 1x230 VAC GFD 180-00k2SP Gamak

Falownik 0,4/0,55 kW 1x230 VAC GFD 180-00k4SP Gamak

Falownik 0,4/0,75 kW 3x400 VAC GFD 180-00k4HP Gamak

Falownik 0,75/1,1 kW 1x230 VAC GFD 180-00k7SP Gamak

Falownik 0,75/1,5 kW 3x400 VAC GFD 180-00k7HP Gamak

Falownik 1,5/2,2 kW 1x230 VAC GFD 180-01k5SP Gamak

Falownik 1,5/2,2 kW 3x400 VAC GFD 180-01k5HP Gamak

Falownik 11/15 kW 3x400 VAC GFD 180-11k0HP Gamak

Falownik 15/18,5 kW 3x400 VAC GFD 180-15k0HP Gamak

Falownik 2,2/3 kW 1x230 VAC GFD 180-02k2SP Gamak

Falownik 2,2/3 kW 3x400 VAC GFD 180-02k2HP Gamak

Falownik 4/5,5 kW 3x400 VAC GFD 180-04k0HP Gamak

Falownik 5,5/7,5 kW 3x400 VAC GFD 180-05k5HP Gamak

Falownik 7,5/11 kW 3x400 VAC GFD 180-07k5HP Gamak
Falowniki Gamak przeznaczone do współpracy z trójfazowymi falownikami. W ofercie przemienniki o szerokim zakresie mocy. Przetworniki Gamak sprawdzają się w wielu aplikacjach przemysłowych.
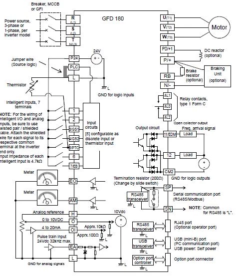
Przemienniki częstotliwości Gamak z serii GFD 180 z powodzeniem zastępują falowniki Hitachi WJ200. Dostępne są w wykonaniu o zasilaniu 1-fazowym lub 3-fazowym o zakresie mocy od 200 W do 15 kW. Inwertery te dysponują 7 wejściami cyfrowymi, 2 wejściami analogowymi, 2 wyjścia cyfrowe, wyjściem przekaźnikowym oraz 1 wyjście analogowe. Komunikacja odbywa się protokołem Modbus po RS485. Dodatkowo dysponuje portem USB mini-B. Zaletą tych urządzeń jest możliwość montażu jeden obok drugiego co w znaczący sposób ogranicza wykorzystaną przestrzeń w szafie sterowniczej. Producent deklaruje częstotliwość wyjściową na poziomie 400 Hz. Falowniki Gamak mogą bezpiecznie pracować w zakresie temperatur od -10 do 50 stopni Celsjusza. Zaś temperatura dla przechowywania wynosi -20...65 stopni Celsjusza.



