
1-fazowy falownik 0,2kW SXD1000-0R2G-2 Sanyu

1-fazowy falownik 0,4kW SXD1000-0R4G-2 Sanyu

1-fazowy falownik 0,75 kW SXD1000-0R7G-2 Sanyu

1-fazowy falownik 1,1 kW SXD1000-1R1G-2 Sanyu

Falownik 1-fazowy 0,75kW 230VAC Sanyu SXE0015T2B
875,00

Falownik 1-fazowy 1,1kW 230VAC Sanyu SXE0022T2B
1245,00

Falownik 1-fazowy 1,5kW 230VAC Sanyu SXE0037T2B
1370,00

Falownik 1x230V AC 0,4 kW SX2200-00R4G Sanyu
745,00

Falownik 1x230V AC 0,4 kW SXS1000-0R4G-2 Sanyu

Falownik 1x230V AC 0,4 kW SXS1000-0R4P-2 Sanyu

Falownik SX1000-0R4G-2 1 x 230V AC 0,4 kW Sanyu
455,00

Falownik SX1000-0R7G-2 1 x 230V AC 0,75 kW Sanyu
490,00

Falownik SX1000-0R7G-4 3 x 460V AC 0,75 kW Sanyu
690,00

Falownik SX1000-110G-4 3 x 460V AC 110 kW Sanyu

Falownik SX1000-11G-4 3 x 460V AC 11 kW Sanyu
1855,00
Firma Sanyu w swojej ofercie posiada falowniki o macach do 250kW. Dostępne są urządzenia jedno oraz trójfazowe. W ofercie Sanyu posiada falowniki: skalarne, wektorowe oraz specjalne. Falowniki skalarne Sanyu dedykowane są do napędów zmiennomomentowych. Urządzenia te dostarczają do silników minimalną energię. Falowniki wektorowe do stałomomentowych systemów napędowych. Przemienniki te cechują się regulacją dostosowaną do momentu obrotowego danej maszyny. Falowniki Sanyu specjalne dedykowane do pracy z falownikami jednofazowymi.
Falowniki Sanyu SX2000 przeznaczone są do kontroli prędkości obrotowej oraz stałości momentu obrotowego w silnikach trójfazowych. Sanyu oferuje falowniki wektorowe SX2000 w zakresie mocy od 400W do 450 kW w wykonaniu 1-fazowym i trójfazowym. Przemienniki te znalazły zastosowanie w wielu aplikacjach przemysłowych.
Przemienniki częstotliwości SX2000 o zasilaniu 1-fazowym dostępne są w zakresie mocy 0,4kW -2,2kW, 3-fazowe falowniki dostępne są w zakresie mocy od 0,75kW do 450 kW. Komunikacja w falownikach odbywa się protokołem Modbus RTU, ASCII po RS485. W standardzie falowniki te zostały wyposażone zarówno w sterowanie wektorowe, jak i skalarne. Producent wyposażył inwertery SX2000 w: 6 wejść cyfrowych, 1 wejście analogowe prądowo-napięciowe, 1 programowalne wyjście przekaźnikowe, 1 wyjście cyfrowe typu open collector oraz 1 wyjście analogowe. Częstotliwość wyjściowa dla falowników SX2000 przy sterowaniu wektorowym wynosi 320 Hz, natomiast przy sterowaniu skalarnym 3200 Hz. Urządzenia dysponują kompaktową obudową z tworzywa o stopniu ochrony IP20. Producent podaje możliwość pracy falowników w temperaturze -10 +40 stopni Celsjusza, wilgotność maksymalnie 95%bez kondensacji.

Przemienniki częstotliwości Sanyu SX2000 znalazły szerokie zastosowanie w przemyśle. Z powodzeniem wykorzystywane są w przemyśle spożywczym, chemicznym czy farmaceutycznym. Urządzenia te stosowane są również w przemyśle transportowym, wydobywczym oraz maszynowym. SX2000 zostały również docenione w branży metalurgicznej, wykorzystywane są w maszynach do obróbki elementów metalowych, suwnicach, wciągarkach, przeciągarkach czy innych urządzeniach transportujących. W przemyśle wydobywczym invertery Sanyu SX2000 stosowane są przy pompach, dmuchawach, wentylatorach oraz urządzeniach wydobywczych.
Sanyu oferuje 3 modele falowników jednofazowych SXE. Przemienniki częstotliwości SXE posiadają sterowanie skalarne U/f. Wszystkie falowniki mają: 6 wejść cyfrowych, 2 wyjścia przekaźnikowe. Falowniki SXE zostały wyposażone w prosty sterownik PLC, potencjometr oraz regulator PID. Urządzenia dysponują protokołem komunikacyjnym Modbus RTU, ASCII. Dzięki funkcji energy-saving falowniki SXE zyskały miano energooszczędnych. Kompaktowe wymiary ułatwiają instalację falowników. Przemienniki częstotliwości SXE stosowane są w: przemyśle spożywczym, aplikacjach HVAC, technice basenowej.





Falowniki SX1000 marki Sanyu o sterowaniu skalarnym. Przemienniki częstotliwości dostępne w wykonaniu jednofazowym oraz trójfazowym o zakresie mocy od 400 W do 110 kW. Przemienniki SX1000 znalazły szerokie zastosowanie w automatyce przemysłowej.
Skalarne falowniki SX1000 można podzielić na 2 grupy ze względu na napięcie zasilania. Falowniki jednofazowe dostępne są w zakresie mocy od 0,4 kW do 2,2 kW. 3-fazowe przemienniki występują w zakresie mocy od 0,75 kW od 110 kW. Falowniki z tej serii mają możliwość zaprogramowania do 16 stałych prędkości, posiadają również funkcję zatrzymani awaryjnego. Dodatkowo producent daje możliwość zaprogramowanie dwóch czasów. Przemienniki z tej serii dysponują prostym sterownikiem PLC. Ponadto zostały wyposażone w przyciski funkcyjne typu: start, stop, reset. W standardzie falowniki Sanyu SX1000 zostały wyposażone w zabudowany wyświetlacz z klawiaturą. Dodatkowo można wykorzystać jako opcje klawiaturę zewnętrzną. Falowniki te dysponują wejściami analogowymi prądowo-napięciowymi oraz wyjściami przekaźnikowymi. Przemienniki posiadają komunikacje Modbus po RS-485. Urządzenia przystosowane są zarówno do montażu na ścianie jak i na szynie DIN. Producent podaje zakres temperatury w jakiej mogą pracować falowniki na -10...40 stopni Celsjusza. Do niewątpliwych zalet SX1000 należy zaliczyć: kompaktową obudowę, szybki montaż, ochronę przed wibracjami a także wysoką odporność mechaniczną.
Falowniki z rodziny SX1000 znalazły szerokie zastosowanie w prostych aplikacjach automatyki przemysłowej. Z powodzeniem stosowane są przemyśle spożywczym czy w technice basenowej. Innym przykładem zastosowań przetworników SX1000 są aplikacje pompowo-wentylatorowe.
Przemienniki częstotliwości SX3000 Sanyu charakteryzują się szeroką gamą zastosowań. Swoje zastosowanie falowniki odnajdują w: ogólnych maszynach, owijarkach, granulatorach, mikserach, wentylatorach, drzwiach wind, stołach przenośnikowych z rolkami, pompach dozujących proces, czy też filtrach obrotowych. Dzięki swojej wszechstronności urządzenia bardzo dobrze sprawdzą się w wielu branżach. Ich rozmiary są kompaktowe, a konstrukcja solidna. Instalacja i programowanie są bardzo proste. Inwertery SX3000 sterują silnikami asynchronicznymi. Falowniki występują w ofercie w wersji jednofazowej 1x230 VAC, których moc zaczyna się od 0,4 kW do 2,2 kW, a także w wersji trójfazowej 400 VAC o mocach od 0,75 kW do 15 kW. Inwertery SX3000 wyposażone zostały w funkcję STO, regulator PID, filtr EMC, klawiaturę zewnętrzną z interfejsem RJ45, funkcję multi speed zadawania częstotliwości, funkcję PLC, utrzymywanie stałego napięcia wyjściowego (AVR). Falowniki SX3000 Sanyu posiadają sterowanie skalarne (V/F) oraz wektorowe (VVW), dzięki czemu dostosowane są do pracy w różnych warunkach. Ich przeciążalność osiąga do 150 % prądu w ciągu 1 minuty. Przemienniki częstotliwości mogą zostać rozszerzone za pośrednictwem zewnętrznych modułów sterowania. Urządzenia te obsługują EtherCAT, Modbus oraz Profibus-DP (przy użyciu odpowiednich kart). Dodatkowo, falowniki są odporne na zakłócenia elektromagnetyczne, temperatury.

Falowniki Sanyu serii SX3000 znalazły szerokie zastosowanie w wielu aplikacjach. Elastyczna konstrukcja tych przetwornikach pozwala na zastosowanie ich przy różnymi rodzajami silników indukcyjnych. Wektorowe przemienniki częstotliwości SX3000 przystosowane są do pracy z asynchronicznymi silnikami. Przykładem zastosowań tych inverterów są aplikacje automatyki przemysłowej, przemysł spożywczy czy branża HVAC. Innym przykładem zastosowania falowników serii SX3000 marki Sanyu jest technika basenowa.
Falowniki SXA1000 Sanyu to nowoczesne rozwiązania, które zrewolucjonizowały sposób sterowania silnikami elektrycznymi w różnych branżach. Znane ze swojej wytrzymałości i wydajności, te urządzenia są kluczowym elementem w optymalizacji procesów przemysłowych.
Co wyróżnia falowniki SXA1000? Przede wszystkim zaawansowana technologia, która umożliwia płynne regulowanie prędkości obrotowej silników. Dzięki temu możliwe jest znaczne zmniejszenie zużycia energii oraz kosztów eksploatacji. Ponadto, zastosowanie falowników pozwala na zwiększenie żywotności maszyn poprzez redukcję mechanicznych naprężeń podczas rozruchu i zatrzymywania.
Jednofazowe falowniki Sanyu serii SXA1000 przystosowane zostały do bezpośredniego montażu na silniku elektrycznym. Oferowane są w zakresie mocy od 550 W do 2,2 kW. Niewątpliwym atutem jest podwyższony stopień ochrony, który wynosi IP65. 1-fazowe falowniki SXA1000 cechują się częstotliwością wyjściową 400 Hz oraz częstotliwością nośną na poziomie 1...15 kHz. Falowniki te zostały wyposażone w wejście analogowe prądowo-napięciowe, 3 wejścia binarne oraz 2 wyjścia przekaźnikowe. Dysponują portem szeregowym RS-485. Producent deklaruje możliwość pracy przetworników w zakresie temperatur -10...40 stopni Celsjusza.
SXA1000 charakteryzują się również kompaktową konstrukcją i intuicyjną obsługą. Wyposażone w czytelny interfejs użytkownika, ułatwiają konfigurację i monitorowanie parametrów pracy. Dodatkowo oferują szereg funkcji ochronnych, takich jak zabezpieczenie przed przeciążeniem czy awaryjne zatrzymanie, co znacząco podnosi bezpieczeństwo operacyjne.
Nie bez znaczenia jest także ich wszechstronność – falowniki te znajdują zastosowanie zarówno w prostych aplikacjach wentylacyjnych czy pompach wodnych, jak i bardziej skomplikowanych systemach automatyki przemysłowej. Ich elastyczność sprawia, że są doskonałym wyborem dla firm poszukujących niezawodnych rozwiązań technologicznych.
Falowniki Sanyu SXA1000 to wszechstronne urządzenia, które znajdują zastosowanie w wielu branżach. Ich głównym zadaniem jest regulacja prędkości obrotowej silników elektrycznych. Dzięki temu można precyzyjnie sterować pracą maszyn i urządzeń.
W przemyśle spożywczym są używane do kontroli linii produkcyjnych. Pomagają utrzymać stałe tempo pracy, co wpływa na jakość i wydajność produkcji. W rolnictwie pozwalają zarządzać systemami nawadniania oraz wentylacji w szklarniach.
W branży piwowarskiej te przetworniki stosowane są do sterowania pracą pompy separatora. Wpływają na przyspieszenie produkcji. Natomiast w przemyśle spożywczym falowniki SXA1000 sprawdzają się przy maszynach do automatycznej obróbki produktów spożywczych. Pozwalają na precyzyjne odmierzenie składników czy podawanie ich na kolejne stanowiska, etapy produkcji.
Przemienniki częstotliwości Sanyu z powodzeniem stosowane są także w technologii basenowej. Wykorzystywane są do sterowania silnikami pomp odpowiedzialnych za przepływ oraz oczyszczanie wody basenowej
Falowniki te są także popularne w budynkach komercyjnych i mieszkalnych. Umożliwiają efektywne zarządzanie systemami HVAC (ogrzewania, wentylacji i klimatyzacji). Dzięki nim można znacznie obniżyć zużycie energii, co przekłada się na niższe rachunki.
W sektorze wodno-kanalizacyjnym falowniki Sanyu SXA1000 kontrolują pompy i stacje uzdatniania wody. Zapewniają stabilną pracę oraz zmniejszają ryzyko awarii sprzętu.
Również przemysł tekstylny korzysta z tych urządzeń do sterowania maszynami tkackimi i krosnami. Precyzyjna regulacja prędkości pozwala uniknąć wad produkcyjnych.
Podsumowując, falowniki Sanyu SXA1000 to niezastąpione narzędzie wszędzie tam, gdzie wymagana jest elastyczność i oszczędność energetyczna w działaniu maszyn elektrycznych.
Falowniki SXD1000 Sanyu przeznaczone do współpracy z trójfazowymi silnikami. Przetworniki do zabudowy Sanyu przystosowane są do bezpośredniego montażu w szafie sterowniczej. W ofercie dostępne są jednofazowe przemienniki o zakresie mocy od 0,2 kW do 1,1 kW.
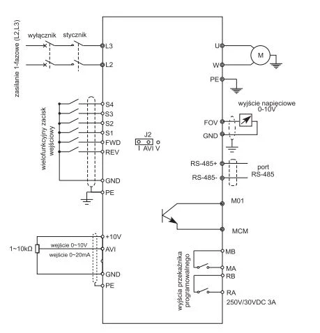
Przemienniki Sanyu z rodziny SXD1000 oferowane są w wykonaniu 1-fazowym o zakresie mocy od 0,2kW do 1,1kW. W standardzie invertery te zostały wyposażone w 4 wejścia cyfrowe, 1 wejście analogowe prądowo-napięciowe oraz jedno wyjście tranzystorowe. Komunikacja odbywa się protokołem Modbus po RS485. Dodatkowo wektorowe falowniki SXD1000 od Sanyu zostały wyposażone w regulator PID, wbudowany potencjometr, funkcje Multi Speed do 9 prędkości oraz zasilacz 5V oraz 24 V. Producent podaje zakres częstotliwości Inverterów SXD1000 na poziomie 0...300Hz. SXD1000 Sanyu zostały wyposażone w kompaktową obudowę z tworzywa, przystopowaną do bezpośredniego montażu w szafie sterowniczej.



Przemienniki częstotliwości Sanyu SXD1000 sprawdzają się w aplikacjach automatyki przemysłowej, branży HVAC oraz przemyśle spożywczym. Przykładem zastosowania tych inverterów są małe podajniki oraz przenośniki. Wykorzystywane są również w pompach wodociągowych w celu zachowania odpowiedniego ciśnienia wody. W technologii basenowej przetworniki SXD1000 stosowane są przy pompach basenowych zapewniając ich niezawodną oraz długą pracę. W przemyśle piwowarskim stosuje się falowniki SXD1000 przy pompach separatorów, zapewniając płynność pracy a to przekłada się na przyspieszenie procesu warzenia piwa.

