
Softstart 12A RSE2312-BS Relpol

Softstart 12A RSE4012-B Relpol

Softstart 12A RSE4012-BS Relpol

Softstart 3A RSE4003-B Relpol
Softstarty Relpol przeznaczone do łagodnego rozruchu oraz zatrzymania silników indukcyjnych. Stosowane są również w celu redukcji momentu obrotowego silnika. Układy łagodnego rozruchu stosowane są w celu sterowania silnikami 3-fazowymi, 1-fazowymi oraz silnikami klatkowymi. W ofercie znajdują się softsratery Relpol o prądzie do 110 A.
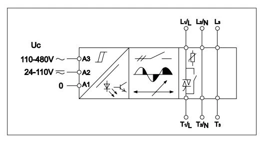
Relpol oferuje softstartery o napięciu znamionowym: 127/220 V AC, 230/400 V AC, 400/600 V AC. Zakres prądu nominalnego dla tych urządzeń wynosi od 3 A do 110 A. Softsraty Relpol współpracują z silnikami indukcyjnymi o mocy do 22 kW. Urządzenia te zostały wyposażone w diodę LED sygnalizującą zasilanie oraz stan pracy produktu. Ponadto cechują się zabudowanym zabezpieczeniem warystorowym oraz wbudowanym stycznikiem BY-PASS dla złącza półprzewodnikowego. Dodatkowo dostępne są softsraty w wykonaniu z wyjściem pomocniczym przekaźnikowym. Relpol oferuje softarty o sterowaniu w 1-fazie oraz w 2-fazach o zakresie napięcia sterującego: 24...110 V AC/DC i 110...480 V AC. Układy łagodnego rozruchu Relpol zostały wyposażone w kompaktowe obudowy z tworzywa o stopniu ochrony IP 20. Produkty te posiadają zaciski śrubowe z podkładkami dociskowymi. Producent deklaruje możliwość pracy urządzeń w zakresie temperatur od -20 do +50 stopni Celsjusza, przy stopniu zanieczyszczenia równym 3. Produkty przystosowane są do montażu na szynie DIN. Dodatkowo wszystkie soft startery marki Relpol dysponuje certyfikatem CE oraz UL.

Softstarty Relpol znalazły zastosowanie w wielu aplikacjach napędowych. Przykładem zastosowania są instalacje elektryczne w mieszkaniach, szpitalach, pomieszczeniach hotelowych czy centrach sportowych. Wykorzystywane są w układach sterowania pompami, wentylacją, klimatyzacją czy systemami ogrzewania elektrycznego. Zastosowanie w układach softstarterów Relpol pozwala, na zmniejszenie zużycia elementów mechanicznych maszyny co przyczynia się do znacznego wydłużenia żywotności maszyny. Kolejną zaletą wykorzystania układów łagodnego rozruchu jest zwiększenia jakości transportu, przenoszenia elementów na taśmociągach i przenośnikach. Softstarty Relpol wpływają również na złagodzenie zmian występujących w procesach technologicznych. Przykładem wykorzystania układów łagodnego rozruchu Relpol z powodzeniem sprawdzają się w aplikacjach windowych, podnośnikach czy taśmociągach. Innym przykładem wykorzystania są mieszalniki przemysłowe, drzwi garażowe czy kompresory.
Układ łagodnego rozruchu Relpol- zalety
