
Softstart 1,5 kW 208...600V AC PSR3-600-70 PSR ABB
641,02

Softstart 11 kW 208...600V AC PSR25-600-70 PSR ABB
1130,35

Softstart 15 kW 208...600V AC PSR30-600-70 PSR ABB
1321,17

Softstart 18,5 kW 208...600V AC PSR37-600-70 PSR ABB
1614,80

Softstart 22 kW 208...600V AC PSR45-600-70 PSR ABB
1888,80

Softstart 3 kW 208...600V AC PSR6-600-70 PSR ABB
699,74

Softstart 30 kW 208...600V AC PSR60-600-70 PSR ABB
2089,42

Softstart 37 kW 208...600V AC PSR72-600-70 PSR ABB
2490,69

Softstart 4 kW 208...600V AC PSR9-600-70 PSR ABB
841,63

Softstart 45 kW 208...600V AC PSR85-600-70 PSR ABB
2740,23

Softstart 5 kW 208...600V AC PSR12-600-70 PSR ABB
890,56

Softstart 55 kW 208...600V AC PSR105-600-70 PSR ABB
4560,52

Softstart 7,5 kW 208...600V AC PSR16-600-70 PSR ABB
954,19
Softstarty ABB zabezpieczają silniki przed naprężeniami elektrycznymi, zwiększając w ten sposób ich żywotność. Softstartery dają możliwość optymalizacji prądu rozruchowego, a dodatkowo posiadają funkcje ochronne. Układy łagodnego rozruchu ABB dedykowane są do współpracy z trójfazowymi silnikami asynchronicznymi. Urządzenia te charakteryzują się szybkim i prostym montażem.
Firma ABB oferuje softstarty w wersji ekonomicznej, wydajnej oraz zaawansowanej. W standardzie wszystkie urządzenia zostały wyposażone w zabudowany stycznik obejść.
Soft starty ABB z rodziny PSR współpracują z silnikami asynchronicznymi o prądzie od 3A do 105A, i napięciu 208-600 V. Napięcie sterowania urządzeń to 24 V DC albo 230 V AC. Urządzenia przystosowane są do montażu na szynie DIN oraz na płycie montażowej przy pomocy śrub. Kolejna zaletą softstartów ABB PSR jest to, iż posiadają zabudowany stycznik by-pass. Układu łagodnego rozruchu z tej serii współpracują z wyłącznikami silnikami MMS, oraz dysponują przekaźnikiem sygnalizacyjnym RUN.

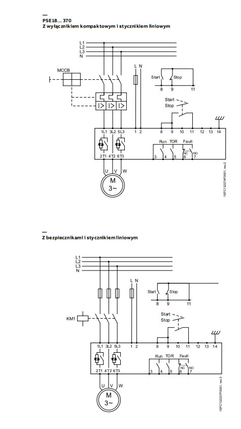
Softstarty PSE charakteryzują się prądem znamionowy z zakresu 18...370A, oraz napięciem zasilania 208...600V AC. Urządzenia z tej serii sterowane są dwufazowo. Dysponują 3 wejściami, 3 wyjściami przekaźnikowymi oraz wyjściem analogowym prądowym. Dodatkowo softsraty z wydajnej serii PSE ABB zostały wyposażone w interfejs HMI z 4 klawiszami funkcyjnymi.

Zaawansowane softstarty PSTX ABB o znamionowym prądzie 30 - 1250 A i napięciu roboczym 208 - 690 V AC. Układy łagodnego rozruchu z tej serii posiadają sterowanie w trzech fazach. Ponadto soft starty PSTX zostały wyposażone w demontowany panel sterowania o stopniu ochrony IP66. Wyświetlacz graficzny dysponuje 17 językami, co znacznie ułatwia obsługę oraz konfigurację urządzeń. Dodatkowo urządzenia dysponują zabudowanym modułem Modbus RTU, wyjściami analogowymi przeznaczonymi do pomiaru prądu, napięcia czy współczynnika mocy.

Układu łagodnego rozruchu ABB znalazły szerokie zastosowanie w przemyśle. Wykorzystywane są zarówno w aplikacjach o rozruchu lekkim, jak i ciężkim. Przykładem zastosowań są: aplikacje windowe, pompy odśrodkowe, sprężarki. Soft starty ABB sprawdzają się również w przenośnikach taśmowych, transporterach. Kolejnym przykładem zastosowań są młyny, mieszadła przemysłowe. Urządzenia te sprawdzają się również przy pracy z wentylatorami odśrodkowymi oraz kruszarkami.