
1-fazowy falownik 0,2 kW LV0004G100-2EONN LG
828,21

1-fazowy falownik 0,4 kW LV0008G100-2EONN LG
897,41

1-fazowy falownik 0,75 kW LV0015G100-2EONN LG
1003,10

1-fazowy falownik 1,5 kW LV0022G100-2EONN LG
1065,88

1-fazowy falownik 2,2 kW LV0040G100-2EONN LG
1323,83

Falownik 0,1 kW 1x230VAC SV001iE5-C LG

Falownik 3-fazowy 0,4 kW 400VAC LS LV0004G100-4EOFN
828,21

Falownik 3-fazowy 0,4 kW 400VAC LV0004G100-4EOFNT LG
1066,31

Falownik 3-fazowy 0,75 kW 400VAC LS LV0008G100-4EOFN
897,41

Falownik 3-fazowy 0,75 kW 400VAC LSLV0008H100-4COFN LG
2095,81

Falownik 3-fazowy 0,75 kW 400VAC LV0008G100-4EOFNT LG
1155,39

Falownik 3-fazowy 1,5 kW 400VAC LS LV0015G100-4EOFN
1003,10

Falownik 3-fazowy 1,5 kW 400VAC LV0015G100-4EOFN LG
1291,47

Falownik 3-fazowy 11 kW 400VAC LS LV0110G100-4EOFN
3200,61

Falownik 3-fazowy 11 kW 400VAC LV0110G100-4EOFNT LG
3296,63
Znane i cenione falowniki LG wykonane z komponentów najwyższej jakości. Przemienniki częstotliwości LS wykonane w wersji jedno oraz trójfazowej. Dostępne ze sterowaniem skalarnym lub wektorowym. Firma LG/LS w swojej ofercie dysponują falownikami o mocy od 100W do 450kW o zasilaniu jednofazowym i trójfazowym. Przemienniki częstotliwości LS posiadają szereg przydatnych funkcji, kompaktową budowę. Falowniki LS z powodzeniem można stosować zarówno w prostych urządzeniach, jak i zaawansowanych liniach produkcyjnych. Szeroki wybór modeli, mocy oraz opcji dodatkowych daje wiele możliwości. Pozwala to na szybkie dobranie przemiennika LG zarówno do nowego projektu jak także do modernizacji.
Przemienniki częstotliwości LG ze względu na rodzaj zasilania można podzielić na jednofazowe falowniki oraz 3-fazowe falowniki. LS w swojej ofercie posiada falowniki dedykowane do małych maszyn, seria iE5, falowniki serii iG5A ze sterowaniem bez-czujnikowym, jak i rozwiązania dla zaawansowanych technologicznie aplikacji czyli seria falowników S100. Poszczególne grupy falowników LS różnią się nie tylko możliwościami technicznymi jak i możliwością rozbudowy o karty rozszerzeń. W ofercie znajdują się falowniki LS z zabudowanym wejściem bezpieczeństwa STO czy filtrem EMC. Ponadto część przemienników częstotliwości LG ma opcję demontowanej klawiatury LED z możliwością montażu jej na drzwiach szafy sterowniczej w celu ułatwienia dostępu do urządzenia. Kolejnym atutem przetworników LS jest możliwość montażu ich jeden obok drugiego. Dzięki temu do zajmują one mniej miejsca w szafie sterującej.
Falowniki H100 LG dedykowane do branży HVAC. Przemienniki H100 sprawdzą się w branży wodnej oraz sanitarnej. Urządzenia te są idealnym rozwiązaniem przy aplikacjach pompowych, wentylacyjnych oraz grzewczych czy suszarniach. LS H100 sprawdzą się także w branży budowlanej, metalurgicznej, górniczej czy papierniczej. Producent zadbał o szeroką bibliotekę makr aplikacyjnych oraz funkcję sterowania wielosilnikowego MMC. Ponadto urządzenia posiadają funkcję ochrony pomp-wentylatorów, dzięki której została zoptymalizowana wydajność urządzenia przy zmniejszeniu kosztów konserwacji. Kolejną funkcją poprawiająca wydajność pracy jest kompensacja przepływu.
LS oferuje falowniki z tej serii o mocy od 0,75 kW do 90 kW. Trójfazowe falowniki LS H100 w standardzie posiadają wbudowany wyświetlacz LCD, RTC oraz port USB. Ponadto falowniki H100 komunikują się po Modbus RTU oraz Bacnet. Urządzenia zostały wyposażone w 7 wejść cyfrowych, 1 wyjście przekaźnikowe oraz 1 wyjście analogowe. W zależności od modelu, przemienniki LG posiadają wbudowany filtr EMC oraz dławik DC. Dodatkowym atutem przemienników częstotliwości H100 LS jest kompaktowa obudowa o stopniu ochrony IP20.

Falowniki iS7 LG dedykowane do zastosowań przemysłowych. Rodzina wydajnych przemienników częstotliwości sprawdzająca się niemal w każdym środowisku pracy. W ofercie znajdują się napędu o zakresie mocy od 750 W do 375 kW. LG w tej serii proponuje również falowniki o podwyższonym stopniu ochrony, wynoszącym IP54.
Firma LG w tej serii falowników oferuje urządzenia o mocy od 0,75 kW do 375 kW. Trójfazowe falowniki dostępne są na zasilanie 3 x 230 V VAC oraz 3 x 400 V AC. W przypadku falowników 3-fazowych 3 x 200 V oferowane są moce od 750 W do 75 kW. Natomiast urządzenia o zasilaniu 3 x 400 V dostępne są w pełnym zakresie mocy, czyli do 375 kW. Ponadto LG/LS wprowadziło również falowniki o podwyższonym stopniu ochrony. W związku z tym falowniki o mocy od 0,75 kW do 22 kW są również dostępne w obudowie o stopniu ochrony IP54.
Falowniki te znalazły szerokie zastosowanie w wielu aplikacjach przemysłowych. Z powodzeniem stosowane są w różnego rodzaju nawijarkach, przewijarkach czy odwijarkach. Również w aplikacjach windowych, jak i przy suwnicach okazują się idealnym rozwiązaniem. Innym przykładem zastosowań przetworników LG/LS z tej serii są prasy, kompresory czy wytłaczarki.
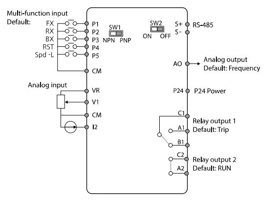
to uniwersalne 3-fazowe falowniki. Sprawdzą się w większości standardowych aplikacjach. Obecnie na rynku dostępne są moce od 400W do 7,5kW. Inwertery dysponują stopniem ochrony IP20. Falowniki G100 mają wbudowane 5 wejść cyfrowych, 2 wejścia analogowe, 2 wyjścia przekaźnikowe oraz 1 wyjście analogowe. Przemienniki LS G100 posiadają sterowanie skalarne oraz wektorowe. Ponadto producent wyposażył urządzenia w potencjometr oraz prostą obsługę. Falowniki LG montowane są na szynie DIN. Przemienniki LS G100 posiadają wbudowany filtr EMC C3 oraz moduł hamowania.
Przykładami zastosowań falowników LG G100 są: nawijarki, dźwigi, miksery czy przenośniki. Urządzenia te stosowane są w przemyśle górniczym, papierniczym tekstylnym, metalurgicznym itp.


Falowniki LG z serii IC5 są urządzeniami produkowanymi wyłącznie w wersji z zasilaniem jednofazowym o zakresie mocy od 0,4kW do 2,2kW. Przeznaczone są do stosowania w mniej zaawansowanych aplikacjach. Falowniki LG sprawdzają się m.in. w aplikacjach: pompowo-wentylatorowych, podnośnikowych, czy mieszalnikach i transporterach. Stosunkowo niska cena falowników tego typu w połączeniu z doskonałą jakością sprawia, że są one obecnie popularnymi urządzeniami. Wszystkie modele przemienników z tej serii posiadają wbudowany filtr EMC kategorii C3, potencjometr do płynnej regulacji prędkości a także interfejs w postaci panelu sterowniczego. Przemienniki częstotliwości LS iC5 zostały wyposażone w funkcję autotuningu oraz możliwość wyboru sygnału sterowania NPN/PNP. Urządzenia z tej serii posiadają programowalne wejścia oraz wyjścia cyfrowe.

Falowniki LG iG5A o zasilaniu 1-fazowym lub 3-fazowym z zakresem mocy od 0,4kW do 22kW. Dzięki łatwej instalacji oraz przyjaznej eksploatacji bardzo popularne. Wysoka jakość oraz komponenty najwyższej klasy sprawiają, iż falownik sprawdza się nawet w najbardziej zaawansowanych aplikacjach.
Falownik LS iG5A zastępują szereg urządzeń wykorzystywanych do kontroli i zabezpieczania napędów takich jak, wyłączniki silnikowe czy układy kontroli faz. Przemienniki częstotliwości LG iG5A posiadają zabudowany moduł hamowania. Falowniki LS w podstawowej konfiguracji zaimplementowane są z portem RS485 z komunikacją MODBUS.

Falowniki LG iE5 dedykowane do zastosowania w małych maszynach. Przetworniki o prostej konfiguracji z zabudowana klawiaturą oraz wyświetlaczem. Przemienniki tej serii posiadają kompaktową obudowę z zabudowanym potencjometrem. LG oferuje falowniki iE5 o mocy 100 W; 200 W oraz 400 W.
Przemienniki częstotliwości LS z tej serii dostępne są w dwóch opcjach zasilania. Producent oferuje inwertery o napięciu zasilania: 1 x 230 V AC oraz 3 x 230 V AC. W obu przypadkach producent oferuje 3 moce falowników: 0,1 kW, 0,2 kW oraz 0,4 kW. W standardzie zostały wyposażone w 5 uniwersalnych wejść cyfrowych, 1 wyjście przekaźnikowe oraz 1 wyjście analogowe 0 - 10 V. Ponadto urządzenia posiadają wbudowany regulator PID. Kompaktowe przetworniki iE5 LS dysponują sterowaniem skalarnym. Urządzenia dysponują komunikacją Modbus po RS485.
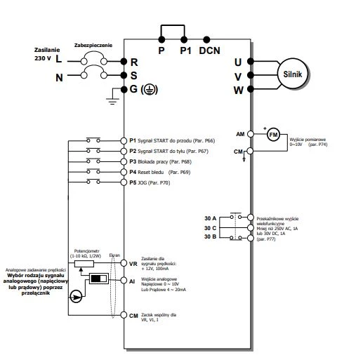
Schemat podłączenia falownika iE5 LG

Falowniki iE5 konfiguruję się przy pomocy wbudowanej klawiatury z wyświetlaczem LED. Każdy inwerter iE5 posiada 6 przycisków funkcyjnych pozwalających na szybkie i proste ustawienie parametrów. Falowniki LS tej serii posiadają tylko 100 parametrów, dzięki czemu ich obsługa nie sprawia trudności nawet początkującym.

Falowniki LS serii iE5 znalazły szerokie zastosowanie w małych aplikacjach napędowych. Wykorzystywane są w maszynach ruchu wibracyjnego. Przetworniki tej serii sprawdzają się w małych transporterach oraz przenośnikach. Innym przykładem zastosowania falowników są aplikacje pompowe oraz aplikacje wentylatorowe. Urządzenie te sprawdzą się również przy małych suszarniach czy szlifierkach. Sprawdzają się również w nagrzewnicach. Przemienniki iE5 wykorzystywane są również w mniejszych maszynach służących do obróbki materiałów.