
3-fazowy falownik 0,75kW 3x400 V AC VFD007CH43A-21 Delta Electronics

3-fazowy falownik 0,75kW 3x400V AC VFD007CH43A-21 Delta Electronics

3-fazowy falownik 1,5 kW VFD4A2MH43AFSHA Delta Electronics

3-fazowy falownik 1,5 kW VFD4A2MH43ANSHA Delta Electronics

3-fazowy falownik 1,5 kW VFD4A2MH43ENSHA Delta Electronics

3-fazowy falownik 1,5kW 3x400V AC VFD015CH43A-21 Delta Electronics

3-fazowy falownik 11 kW VFD25AMH43AFSHA Delta Electronics

3-fazowy falownik 11 kW VFD25AMH43ANSHA Delta Electronics

3-fazowy falownik 11 kW VFD25AMH43ENSHA Delta Electronics

3-fazowy falownik 11kW 3x400V AC VFD110CH43A-21 Delta Electronics

3-fazowy falownik 15 kW VFD32AMH43AFSHA Delta Electronics

3-fazowy falownik 15 kW VFD32AMH43ANSHA Delta Electronics

3-fazowy falownik 15 kW VFD32AMH43ENSHA Delta Electronics

3-fazowy falownik 15kW 3x400V AC VFD150CH43A-21 Delta Electronics

3-fazowy falownik 18,5 kW VFD38AMH43AFSHA Delta Electronics
Tak. Praktycznie wszystkie rodziny przemienników częstotliwości Delta Electronics posiadają standardowo port RS485 służący do komunikacji szeregowej. Producent zastosował rozwiązanie oparte o złącze RJ45 lub złącze na przewody.
W większości falowników Delta Electronics odbywa się to poprzez wejście do parametru 00.02 i zmiana na 9 lub 10. Główne różnice są takie, że 9 przywraca do 50Hz, zaś 10 przywraca do 60Hz.
Falowniki Delta Electronics obsługujemy oprogramowaniem VFDSoft.
Niektóre rodziny falowników Delta Electronics mają zaimplementowany sterownik PLC. Jego możliwości i pojemność programu uzależniona jest od zaawansowania danych modeli.
Do obsługi zaimplementowanych sterowników PLC we falownikach Delta Electronics służy oprogramowanie ISPSoft z programem do komunikacji COMMGR. Alternatywnie można użyć WPLSoft.
Aby połączyć komputer z falownikiem Delta Electronics wymagany jest konwerter USB-RS485. Dedykowanym konwerterem jest IFD6500.
Domyślnie falowniki Delta obsługują protokół Modbus ASCII oraz RTU. Jednakże niektóre rodzaje można rozszerzyć o karty komunikacyjne np. Ethernet IP, CAN, Ethercat i inne.
Niektóre przemienniki częstotliwości posiadają np. VFD-C2000. Inne jak VFD-E, VFD-L, VFD-EL nie posiadają. Jeszcze inne jak VFD-MS300, VFD-ME300 mają wersje z STO lub bez STO.
Tak. Większość przemienników częstotliwości posiada filtry przeciwzakłóceniowe. Istnieją jednak modele pozbawione ich choćby do współpracy z wyłącznikami różnicowo-prądowymi.
Falowniki Delta wyposażone są w sygnalizację kodu błędu. Jest ich w zależności od rodzajów od kilkunastu do kilkudziesięciu kodów. Na ich podstawie z tabeli błędów można określić charakter usterki i sposób na rozwiązanie problemu. Najpopularniejszymi błędami są Oc - przekroczenie prądu, GFF - doziemienie czy LV - niskie napięcie.
Falowniki Delta Electronics znalazły zastosowanie w aplikacjach zarówno przemysłowych jak i budynkowych. Posiadają kompaktową budowę, szereg interfejsów komunikacyjnych oraz możliwość rozbudowy o dodatkowe karty. Falowniki Delta produkowane w wersjach jedno i trójfazowych do mocy 355kW. Urządzenia te cenione są za niski współczynnik awaryjności, uniwersalność a także intuicyjne oprogramowanie. Przemienniki częstotliwości Delta zostały wyposażone w podstawowe funkcje dla prostych aplikacji. Falownik sprawdzają się zarówno w systemach sterowania lokalnego jak także systemach z wykorzystujących połączenia sieciowe. Posiadają dogodne opcje sterowania oraz opcję szczegółowej edycji parametrów.
Delta Electronics jako jeden z wiodących producentów falowników na świecie, posiada w swojej ofercie kilka rodzin przemienników. Firma oferuje zarówno rozwiązania ekonomiczne, standardowe jak i zaawansowane czy specjalistyczne.
Przemienniki Delta z rodziny VFD-E należą do grupy falowników standardowych. Z powodzeniem wykorzystywane są zarówno w prostych jak i zaawansowanych aplikacjach. Urządzenia te zostały wyposażone w sterownik PLC 500 kroków. Dodatkowym atutem tych falowników jest demontowany programator oraz możliwość rozbudowy o dodatkowe karty wejść wyjść oraz komunikacyjne.
Inwertery Delta Electronics VFD-EL należą do rodziny falowników ekonomicznych. Dedykowane są do małych prostych aplikacji. producent wyposażył je w zabudowany filtr EMI, przełącznik RFI oraz komunikację Modbus.
Przetworniki Delta z tej serii zostały wyposażone w standardzie w zabudowane wejście enkoderowe, port CANopen, sterownik PLC 5k kroków oraz regulator PID. Dodatkowo wzmocniona konstrukcja zapewnia możliwość na pracę w trudnych warunkach środowiskowych czy przemysłowych.
Falowniki VFD-CP2000 marki Delta dedykowane są do aplikacji wentylatorowych, pompowych czy HVAC. Rodzina tych falowników wyróżnia się wbudowanym regulatorem PID ze sprzężeniem zwrotnym z wejścia analogowego.
Urządzenia z rodziny C2000 dedykowane są do zaawansowanych technologicznie aplikacji napędowych. W standardzie zostały wyposażone w wejście bezpieczeństwa STO oraz sterownik PLC 10k kroków.
Przemienniki z tej serii charakteryzują się podwyższonym stopniem ochrony, wynoszącym IP55. Na tle pozostałych falowników Delta wyróżniają się wersją z zabudowanym przełącznikiem głównym. W standardzie zostały wyposażone w STO oraz protokół BACnet oraz Modbus.
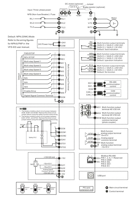
Delta Electronics wychodząc na przeciw oczekiwaniom rozwijającego się rynku stworzyła rodzinę falowników przeznaczonych do aplikacji windowych. Przemienniki VFD-ED posiadają możliwość pracy z silnikami asynchronicznymi oraz synchronicznymi.
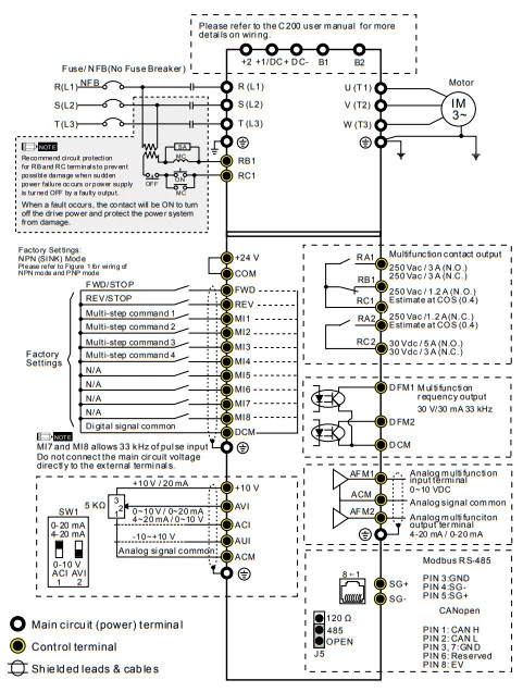
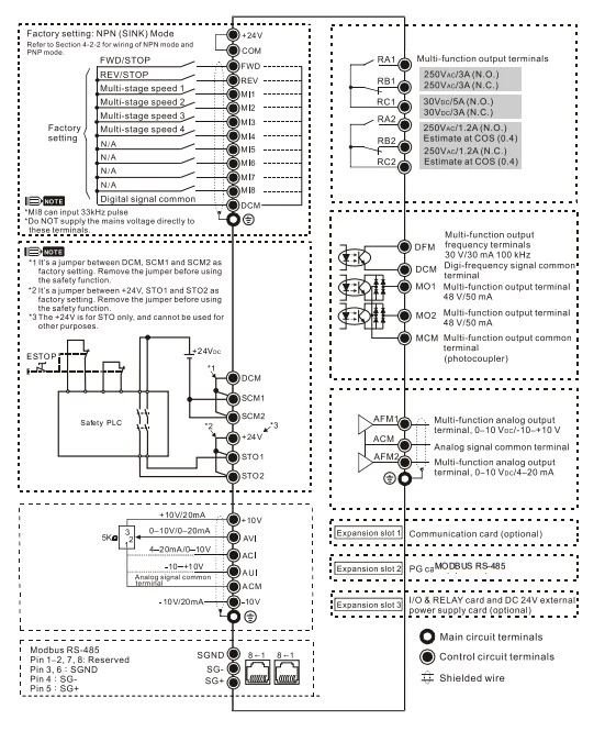
Seria falowników C200 charakteryzują się możliwością obsługi silników indukcyjnych asynchronicznych oraz silników synchronicznych z magnesami trwałymi. Falownik te posiadają wbudowany sterownik PLC z 5000 krokami pamięci jak i tranzystor hamowania. Dodatkowo wyposażone są w wbudowane wejścia enkoderowe, port CANopen, regulator PID. Urządzenia VFD-C200 posiadają możliwość pracy z częstotliwością wyjściową do 2000 Hz. Falowniki Delta Electronics z tej serii szczególnie nadają się do trudnych warunków pracy, posiada wzmocnioną izolację termiczną zapewniając kompleksową ochronę. Przemienniki częstotliwości z tej serii sprawdzają się m.in. w: maszynach dla przemysłu spożywczego, transporterach, przenośnikach, wrzecionach.





Firma Delta Electronics prezentuje najnowsze falowniki serii C2000. Urządzenia tej serii charakteryzują się modularną budową, umożliwiającą dostosowanie urządzenia za pomocą kart rozszerzeń do wymagań stanowiska. Wbudowany interfejs RJ45 umożliwia komunikacje poprzez protokół MODBUS, a opcjonalne karty umożliwiają rozszerzenie komunikacji o dodatkowe protokoły. Producent oferuje zarówno falowniki trójfazowe 3x400V AC jak i jednofazowe 1x 230V AC sterowane skalarnie oraz wektorowo bezczujnikowo w pętli zamkniętej. Urządzenia występują w szerokim zakresie mocy od 0,75 kW aż do 630 kW. Posiadają możliwość pracy z silnikami asynchronicznymi jak i synchronicznymi z magnesami trwałymi. Cenionym atutem przez kontrahentów jest wbudowany w urządzenie sterownik PLC 10k kroków. W falowniku jednocześnie można zamontować trzy różne karty rozszerzeń. Posiada on również wbudowaną funkcjonalność sterownika PLC (10 000 kroków pamięci) , oraz tranzystor hamowania. Dodatkowym atutem tych urządzeń jest demontowany panel sterujący, który można zamontować np. na szafie. Konkurencyjna cena falowników Delta Electronics z ich możliwościami i niezawodnością sprawiła, że są chętnie wybierane przez producentów maszyn i urządzeń. Przykładem zastosowań falowników VFD-C2000 są aplikacje do maszyn o dużej bezwładności, aplikacje do nawijarek czy obrabiarek.








Falowniki Delta Electronics VFD-CFP2000 zaawansowane technologicznie o stopniu ochrony IP55. Podwyższony stopień ochrony pozwala na wykorzystanie urządzeń warunkach przemysłowych i środowiskowych. Przemienniki sprawdzają się w aplikacjach HVAC czy aplikacjach pompowych. VFD-CFP2000 wykorzystywane są również z powodzeniem w przemyśle spożywczym. Intuicyjne oprogramowanie oraz wbudowany sterownik PLC 10 kroków sprawia, iż falowniki z powodzeniem mogą zostać stosowane w wielu gałęziach przemysłu.
Delta Electronics oferuje trójfazowe falowniki VFD-CFP2000 o mocy 0d 0,75kW do 90kW. Urządzenia posiadają 10 wejść cyfrowych, 3 wyjścia przekaźnikowe, 3 wejścia analogowe oraz 2 wyjścia analogowe. Ponadto producent wyposażył przemienniki w wejście bezpieczeństwa STO. Dodatkowo jest możliwość rozbudowy falownik o dodatkowe karty wejść/wyjść. Komunikacja odbywa się protokołem Modbus oraz BACnet. Poprzez zainstalowanie kart komunikacyjnych, można rozszerzyć komunikację VFD-CFP2000 o protokoły: DeviceNet, PROFIBUS DP, ModbusTCP/IP Ethernet, CANopen. Przemienniki CFP2000 posiadają wbudowany dławik DC oraz filtr przeciwzakłóceniowy. W zależności od modelu dostępne są falownik z wbudowanym modułem hamowania.




Główną cechą określającą falowniki Delta Electronics serii CP2000 jest ich modularna budowa, przez co zależnie od potrzeb można dostosować możliwości urządzenia do wymagań stanowiska. Z łatwością można zwiększyć ilość wejść/wyjść, oraz zastosować komunikacje w sieciach niestandardowych jak Profibus DP, DeviceNet, CanOpen. Urządzenie VFD-CP2000 wyposażone zostały w regulator PID ze sprzężeniem zwrotnym, a także zabudowane funkcje umożliwiające sterowanie układami wielopompowymi. Falownik z tej serii dedykowane są dla aplikacji pompowych, wentylatorowych, przenośników, transporterów, dmuchaw oraz HVAC. Dodatkowymi walorami przemienników częstotliwości serii CP2000 jest modułowa konstrukcja, demontowany panel sterujący oraz zabudowany sterownik PLC.





Falownik VFD-E specyfikuje stały moment obrotowy, obudowa o stopniu ochrony IP20 jak i wbudowany sterownik PLC (500 kroków). Falowniki Delta Electronics z rodziny VFD-E posiadają również modułową konstrukcję umożliwiającą stosowanie wielu kart rozszerzeń zarówno wejść-wyjść jak i komunikacyjnych. Dodatkowo urządzenia te zostały wyposażone w demontowany ręczny programator, filtr EMC. Przemienniki częstotliwości VFD-E z powodzeniem wykorzystywane są zarówno w prostych jak i bardziej skomplikowanych aplikacjach. Przykładami zastosowań tych urządzeń są: aplikacje pompowo-wentylatorowe; transportery, przenośniki, mieszalniki, wirówki, maszyny dla przemysłu spożywczego, maszyny dla przemysłu tekstylnego, maszyny dla przemysłu drzewnego.






Falowniki Delta Electronics z serii ED przeznaczone są do stosowania w aplikacjach windowych, zarówno pasażerskich jaki i towarowych, w celu zwiększenia ich wydajności. Współpracują z silnikami asynchronicznymi i synchronicznymi. Posiadają szeroki zakres mocy, od 2,2 do 75 kW, wysoką przeciążalność (200%), wbudowany interfejs CAN/MODBUS. Falowniki VFD-ED charakteryzują się możliwością pracy z zastosowaniem systemu UPS, współpracą z silnikami asynchronicznymi oraz synchronicznymi. Dodatkowym atutem jest kompaktowa obudowa oraz możliwość rozbudowy o dodatkową kartę enkoderową. Falowniki te wyposażone zostały w interfejs CANopen a także w RS-485 z komunikacją ModBus.







Falowniki VFD-EL Delta Electronics zostały zaprojektowane z myślą o instalacjach HVAC. Kompaktowe przemienniki częstotliwości z komunikacją Modbus po RS-485 oraz zabudowanym filtrem EMI. Dostępne są w przedziale mocy od 200 W do 3,7 kW w wykonaniu jednofazowym oraz trójfazowym.
Ekonomiczne przetworniki VFD-EL dostępne są z zasilaniem jednofazowym oraz trójfazowym. Falowniki o zasilaniu 2 x 230 V AC dostępne są w zakresie mocy od 0,2 kW do 2,2 kW. Przemienniki o zasilaniu 3 x 46 V AC natomiast występują w przedziale mocy od 400W do 3,7 kW. Ponadto Delta oferuje również falowniki 1- fazowe o zasilaniu 1 x 115 V oraz 3-fazowe falowniki o zasilaniu 3 x 230 V. Falowniki posiadają zabudowaną komunikację Modbus RTU po RS-485. Możliwości komunikacyjne można rozbudować za pomocą opcjonalnych kart komunikacyjnych: CANopen, DeviceNeT, Profibus, LonWorks. Producent wyposażył falowniki VFD-EL zarówno w sterownie wektorowe jak i skalarne. Przeciążalność deklarowana przez producenta wynosi 150% przez 60 sekund. Ponadto falowniki DELTA zostały wyposażone w zabudowany filtr EMC, przełącznik RFI, regulator PID. Wentylator falownika można bez problemu zdemontować, w celu wymiany lub konserwacji urządzenia. Przemienniki częstotliwości Delta serii EL montowane są na szynie DIN z opcją montażu jeden obok drugiego.






Falowniki Delta VFD-EL znalazły szerokie zastosowanie w przemyśle. Sprawdzają się zarówno w małych nieskomplikowanych maszynach jak i bardziej zaawansowanych aplikacjach. Falowniki te szczególnie zostały docenione w branży HVAC, w aplikacjach pompowo - wentylatorowych. Wykorzystywane są również w różnego typu przenośnikach, nawijarkach i transporterach. Z powodzeniem stosowane są także w maszynach do obróbki drewna. Przemienniki VFD-EL sprawdzają się w przemyśle spożywczym, tekstylnym czy papierniczym.
Falowniki z serii ME300 producenta Delta Electronics dały się poznać jako kompaktowe urządzenia. Zarazem cieszą się powodzeniem z uwagi na ich uniwersalność. Delta Electronics zadbał o szereg funkcjonalności w produktach z serii ME300.
Przemienniki częstotliwości ME300 Delta tworzą szeroką gamę produktów zarówno 1-fazowych o mocy od 0,1 kW do 2,2 kW o zasilaniu 115V AC (do 0,75 kW) oraz 230V AC jak i 3-fazowe od 0,1 kW do 5,5 kW w przypadku zasilania 3x 230V AC. Z kolei dla falowników zasilanych napięciem 400 AC przedział mocy producent podaje od 0,4 kW do 7,5 kW. Wszystkie falowniki Delta Electronics z serii ME300 dedykowane są do pracy z silnikami asynchronicznymi oraz synchronicznymi wraz z magnesami stałymi. Przemienniki częstotliwości Delta Electronics sterowane są w sposób skalarny jak i wektorowy bezczujnikowy co sprawia, że są to uniwersalne urządzenia do każdej aplikacji automatyki przemysłowej. Każdy z modeli wyposażony jest w liczne funkcje, są to wbudowany regulator PID czy też moduł hamowania. Ponadto wszystkie produkty z serii ME300 Delta Electronics posiadają w standardzie port RS485, który jest w pełni kompatybilny z komunikacją Modbus RTU/ASCII. Przy normalnej pracy inwerter osiąga przeciążalność 120 przez 60 sekund lub 150% przez 3 sekundy, z kolei przy pracy ciężkiej wynosi 150% przez 60 sekund oraz 200% prze 3 sekundy. Delta Electronics ME300 to przemienniki posiadające 5 wejść binarnych, 1 wejście analogowe, 2 wyjścia binarne oraz 1 wyjście analogowe. Wybrane przetworniki VFD ME300 Delta występują z wbudowanym filtrem EMC, a także wejściem bezpieczeństwa STO. Z uwagi na to mamy szerokie pole, aby wybrać odpowiednie urządzenie dopasowane pod indywidualne zapotrzebowanie. Przemienniki częstotliwości ME300 Delta Electronics wykonane zostały w jeszcze bardziej kompaktowej obudowie niż poprzednie modele. Obudowa z dodatkową powłoką PCB pozwala na pracę w trudnym środowisku przemysłowym. W każdy z inwerterów Delta Electronics ME300 wbudowany jest panel sterujący, który zawiera 4 cyfrowy wyświetlacz z podświetleniem LED, klawisze funkcyjne oraz pokrętło do regulacji przetwornika. Dodatkowo posiadają demontowany wentylator, który można łatwo zdemontować i wymienić, dzięki czemu żywotność urządzenia znacznie się wydłuża. Kolejnym atutem przemienników jest bez śrubowa obudowa, przyjazna dla użytkownika. Kluczowym elementem ME300 Delta Electronics jest fakt, że urządzenia mogą być montowane jeden obok drugiego, a dodatkowo przystosowane są do pracy w temperaturze od - 20...40 stopni Celsjusza. Stopień ochrony każdego z modeli producent podaje na IP20.





1-fazowe jak i 3-fazowe falowniki ME300 Delta Electronics z uwagi na swą uniwersalność stosowane są w wielu aplikacjach automatyki przemysłowej. Z powodzeniem wybierane są do pracy przy maszynach pakujących, przenośnikach czy też transporterach. Ponadto równie chętnie falowniki VFD-ME300 Delta wybierane są aplikacji przy obróbce drewna. Również często spotykane przy pompach oraz wentylatorach.
Falowniki MH300 producenta Delta Electronics to zaawansowana seria inwerterów. Poszczególne modele dedykowane są zarówno do prostych, jak i tych bardziej skomplikowanych technologicznie aplikacji automatyki przemysłowej. Delta oferuje przemienniki tej serii w wykonaniu standardowych jak i do silników wysokoobrotowych. Przemienniki te w otwartej pętli osiągają do 2000Hz częstotliwości wyjściowej
Seria MH300 tworzy szeroką gamę 1-fazowych falowników zasilanych napięciem 1x230V AC jak i 3-fazowych o zasilaniu 3x400V AC. Delta Electronics MH300 zawiera produkty w mocy od 0,2 kW do 22 kW. Jednofazowe falowniki to moce od 0,2 do 2,2 kW, z kolei trójfazowe falowniki występują w mocach od 400W do 22 kW, są to przemienniki standardowe. Natomiast urządzenia do wysokoobrotowych silników to 1 fazowe falowniki występujące w dwóch modelach 1,5 kW oraz 2,2 kW, z kolei 3 fazowe od 1,5 kW do 22 kW. Dysponują wbudowanymi 7 wejściami cyfrowymi, 2 wejściami analogowymi, 4 wyjściami binarnymi, 1 wyjściem analogowym oraz jednym przekaźnikowym. Producent w falownikach zastosował dodatkową powłokę ochronną PCB spełniającą wszelkie normy, a także zapewnia wydłużoną żywotność elementów mocy. Przemienniki częstotliwości Delta Electronics VFD-MH300 sterowane są w sposób wektorowy, co pozwala zachować stabilną pracę w trudnych warunkach przy niskiej prędkości, a jednocześnie wysokim momencie obrotowym. Falowniki z rodziny MH300 osiągają przeciążalność 120% przez 60 sekund, przy normalnej pracy wynosi ona 150% przez 60 sekund, z kolei przy pracy ciężkiej sięga do 200% przez 3 sekundy. Dedykowane są do pracy zarówno z silnikami indukcyjnymi, jak i z silnikami z magnesami stałymi. Co więcej, napędy Delta mogą pracować w zamkniętej pętli sterowania. Producent wyposażył falowniki w wbudowany sterownik PLC programowalny 5K kroków oraz w zaawansowaną funkcję kontroli momentu oraz hamowania. Także wyposażeniem inwerterów są tranzystory hamowania, natomiast wybrane modele falowników Delta Electronics posiadają wbudowany filtr przeciwzakłóceniowy EMC. Prostą oraz przyjazną pracę z falownikami umożliwia dołączany panel sterujący z wyświetlaczem LCD, klawiaturą oraz pokrętłem, który zapewnia płyną regulację urządzenia. Kolejnym atutem przetworników jest wbudowana komunikacja Modbus oraz CANopen z możliwością rozszerzenia o dodatkowe karty takie jak:
Ponadto Delta Electronics oferuje do tych falowników karty rozszerzeń wejść oraz wyjść a także karty zasilania logiki. Producent zadbał także, aby falowniki MH300 Delta Electronics posiadały wejście bezpieczeństwa STO SIL2, port RS485 oraz wejście USB, które dedykowane jest do komunikacji z oprogramowaniem. Wszystkie modele posiadają możliwość połączenia za pomocą wspólnej magistrali DC. Przemienniki częstotliwości wykonane zostały w bardzo kompaktowych wymiarach o 40% mniejszych niż poprzednie modele producenta. Stopień ochrony produktów VFD-MH300 Delta podaje na IP20 lub IP40. Przetworniki dedykowane są do montażu w szafach sterowniczych na szynie DIN.






Napędy Delta Electronics z uwagi na prostą obsługę, a jednocześnie wysoką wydajność sprawdzają się w wielu aplikacjach automatyki przemysłowej. Począwszy do prostych po najbardziej zaawansowane technologicznie aplikacji. Falowniki z serii MH300 Delta Electronics sprawdzają się w aplikacjach pompowych czy wentylatorowych. Innym przykładem zastosowań są wrzeciona oraz obrabiarki. W przemyśle drzewnym przetworniki te stosowane są w maszynach do obróbki drewna. Kolejnym przykładem zastosowań tych urządzeń są różnego rodzaju maszyny narzędziowe.
Przemienniki częstotliwości Delta Electronics MS300 charakteryzują się kompaktową obudową, która pozwala na zaoszczędzenie do 40% miejsca w porównaniu do innych modeli. Falowniki MS300 z powodzeniem mogą być stosowane zarówno w prostych jak i zaawansowanych aplikacjach. Urządzenia Delta Electronics MS300 zostały wyposażone w wzmocnioną powłokę ochronną oraz zabudowany sterownik PLC z możliwością rozszerzenia o dodatkowe karty komunikacyjne, port USB do komunikacji z oprogramowaniem narzędziowym. Przykładami zastosowań falowników MS300 są: aplikacje pompowe; wrzeciona obrabiarek; magazyny narzędzi, urządzenia do obróbki drewna.





Falowniki VFD-CH2000 Delta Electronics dedykowane do zastosowań przemysłowych. Trójfazowe przemienniki CH2000 dostępne są w zakresie mocy od 750 W do 280kW. Falowniki charakteryzują się zwiększonym momentem rozruchowym oraz wysoką przeciążalnością. VFD-CH2000 sprawdzają się między innymi w przemyśle: spożywczym, tworzyw sztucznych, chemicznych czy kamieniarskim.
Przemienniki VFD-CH2000 dostępne są w wykonaniu trójfazowym o zakresie mocy od 0,75 kW do 280 KW. Urządzenie te posiadają możliwość sterowania wektorowego oraz skalarnego. W ofercie dostępne są modele z uchwytami ściennymi oraz podłogowymi. W standardzie urządzenia te zostały wyposażone w: 8 wejść cyfrowych, 6 wyjść binarnych, 3 wejścia analogowe prądowo-napięciowe, 1 wejście analogowe napięciowe, 1 wyjście napięciowe oraz 1 wyjście analogowe prądowo-napięciowe. Falowniki CH2000 cechują się momentem rozruchowym powyżej 200% przy częstotliwości wynoszącej 0,5HZ. Producent deklaruje możliwość pracy falowników przy przeciążeniach 150% wynoszącej 1 minutę oraz 200% przez 3 sekundy. Dodatkowo falowniki CH2000 dysponuję wejściem bezpieczeństwa STO. Delta oferuje również jednostki zabudowanym filtrem EMC, a falowniki VFD-CH2000 do 30 kW w standardzie posiadają wbudowany moduł hamowania. Komunikacja w tych trójfazowych falownikach odbywa się po RS485 protokołem Modbus. Ponadto falowniki Delta VFD-CH2000 mają możliwość rozbudowany o 3 karty rozszerzeń. Kolejnym atutem jest wbudowany sterownik PLC o pamięci programu 10k.




Falowniki VFD-CH2000 znalazły szerokie zastosowanie w wielu gałęziach przemysłu. Wykorzystywane są w aplikacjach pompowych i wentylatorowych. Sprawdzają się także w przenośnikach, transporterach czy suwnicach. Przemienniki te z powodzeniem wykorzystywane są w przemyśle spożywczym, chemicznych, czy tworzyw sztucznych. 3-fazowe falowniki VFD-CH2000 wykorzystywane są do napędów głównych maszyn przemysłowych.
Falowniki VFD-EL-W Delta Electronics dostępne w zakresie mocy od 200 W do 5,5 kW. Częstotliwość wyjściowa szacowana jest na poziomie 400 Hz. Ekonomiczne falowniki VFD-EL-W dedykowane są do prostych aplikacji napędowych.
Przemienniki częstotliwości serii VFD-EL-W dostępne są w wykonaniu o zasilaniu jednofazowym oraz trójfazowym. Jednofazowe falowniki oferowane są o zakresie mocy od 200 W do 2,2 kW. 3-fazowe przemienniki dostępne są o mocach od 1,5 kW do 5,5kW. Częstotliwość wyjściowa szacowana jest na poziomie 0,1...400 Hz. W zależności od wykonania, chłodzenie falowników odbywa się w sposób naturalny lub przy pomocy wentylatora. Komunikacja odbywa się protokołem Modbus po RS485. Przetworniki zostały wyposażone w standardzie w 4 wejścia binarne oraz wyjście binarne. Delta Electronics deklaruje możliwość pracy falowników EL-W w zakresie temperatur o d 10 do + 50 stopni Celsjusza.