
Falownik FR-D720S-042SC-EC 1x230V AC 0,75 kW Mitsubishi Electric

Falownik 0,4kW 3x400 VAC FR-A840-00023-E2-60 Mitsubishi

Falownik 0,75kW 3x400 VAC FR-A840-00038-E2-60 Mitsubishi

Falownik 1,5kW 3x400 VAC FR-A840-00052-E2-60 Mitsubishi

Falownik 110kW 3x400 VAC FR-A840-03250-E2-60 Mitsubishi

Falownik 11kW 3x400 VAC FR-A840-00310-E2-60 Mitsubishi

Falownik 132kW 3x400 VAC FR-A840-03610-E2-60 Mitsubishi

Falownik 132kW 3x400 VAC FR-A840-04320-E2-60 Mitsubishi

Falownik 15kW 3x400 VAC FR-A840-00380-E2-60 Mitsubishi

Falownik 18,5kW 3x400 VAC FR-A840-00470-E2-60 Mitsubishi

Falownik 185kW 3x400 VAC FR-A840-04810-E2-60 Mitsubishi

Falownik 1x230V AC 0,1 kW FR-E820S-0008-4-60 Mitsubishi Electric

Falownik 1x230V AC 0,1 kW FR-E820S-0008EPA-60 Mitsubishi Electric

Falownik 1x230V AC 0,1 kW FR-E820S-0008EPB-60 Mitsubishi Electric

Falownik 1x230V AC 0,2 kW FR-E820S-0015-4-60 Mitsubishi Electric
Falowniki Mitsubishi dedykowane do zastosowań przemysłowych. Przemienniki tej marki charakteryzują się niezawodnością oraz łatwością obsługi. Inwertery Mitsubishi oprócz ogólnie znanych norm, posiadają również certyfikaty DNV, ABS, BV, LR czy NK. Dodatkowo część falowników została wyposażona w funkcje zatrzymania awaryjnego w celu zapewnienia zwiększonego poziomu bezpieczeństwa. Producent zadbał aby przetworniki współpracowały z najważniejszymi sieciami obiektowymi.
Mitsubishi oferuje przetworniki o zakresie mocy od 100 W do 630 kW. Oferowane są falowniki o zasilaniu 1-fazowym, jak i 3-fazowym. Falowniki Mitsubishi obsługują następujące protokoły komunikacyjne: CC-Link, CC-Link IE, Profibus DP/V1, Profinet, DeviceNet, Ethernet IP, EtherCat, CanOpen, SSCNETII/H, LonWoks czy BACnet. Dzięki tak szerokim możliwością komunikacyjnym współpracują niemal z wszystkimi urządzeniami automatyki dostępnymi na rynku. Producent oferuje rozwiązania ekonomiczne jak i zaawansowane technologicznie.

Przemienniki częstotliwości Mitsubishi programowane są za pomocą intuicyjnego narzędzia jakim jest FR-Configurator. Oprogramowanie to działa na systemie Windows. Pozwala ono na równoległą konfigurację kilku falowników podłączonych do jednej sieci. Ponadto falowniki Mitsubishi w zależności od wybranej serii można konfigurować przy pomocy zintegrowanego programatora lub zewnętrznego programatora.
Falowniki marki Mitsubishi dzięki sporej rozpiętości w wykonaniu spotykane są niemal w każdej gałęzi przemysłu. W rolnictwie wykorzystywane są między innymi do systemów nawadniających czy transportu roślin. W przemyśle spożywczym falowniki Mitsubishi sprawdzają się między innymi w procesie produkcji pieczywa, wykorzystywane są także w maszynach myjących, krajalnicach przemysłowych. Innym przykładem zastosowania są maszyny pakujące czy sortujące produkty żywnościowe. Branża przetwórstwa tworzyw sztucznych stosuje przemienniki Mitsubishi w zgrzewarkach, wtryskarkach. Kolejnym przykładem zastosowań są urządzenia sanitarne na statkach czy transporcie kolejowym.
Falowniki FR-A800 Mitsubishi Electric dedykowane do współpracy z trójfazowymi silnikami. W ofercie dostępne są wektorowe falowniki Mitsubishi Electric o zakresie mocy od 0,2 kW do 630 kW. Mitsubishi w serii FR oferuje przemienniki częstotliwości o zasilaniu 3-fazowym w wykonaniu 3x230 VAC oraz 3x400 VAC.
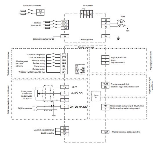
Falowniki FR-A o zasilaniu 3x230 VAC dostępne są w zakresie mocy od 0,2 kW do 132 kW, natomiast invertery FR-A800 o zasilaniu 3x400 VAC oferowane są w zakresie mocy od 200 W do 630 KW. Przetworniki z tej serii zostały wyposażone w 12 wejść cyfrowych, 2 wejścia analogowe, 2 wyjścia przekaźnikowe, 2 wyjścia analogowe oraz wyjścia tranzystorowe. Dodatkowo w zależności od modelu dostępny jest port RS485, Ethernet, złącze USB typu B ora typu A, a także złącze PU. Przetworniki FR-A przystosowane są do pracy w zakresie temperatur od -10 do + 50 stopni Celsjusza. Invertery FR-A800-E o zwiększonym stopniu ochrony wynoszącym IP55 mogą bezpiecznie pracować do 40 st. C. W zależności od wykonania trójfazowe falowniki Mitsubishi FR-800A dostępne są w wykonaniu z zabudowaną funkcją CC-link, filtrem przeciwzakłóceniowym klasy C2 lub C3. Dodatkowo oferowane są także modele falowników z oddzielnym prostownikiem.



Falowniki FR-D700 Mitsubishi dedykowane do standardowych aplikacji. W ofercie znajdują się falowniki skalarne o zakresie mocy od 100W do 7,5kW. Urządzenia te charakteryzują się zintegrowanym interfejsem Modbus RTU oraz wbudowanym wejściem bezpieczeństwa STO.

Przemienniki częstotliwości FR-D700 dostępne są w wykonaniu jednofazowym o zakresie mocy od 0,1 kW do 2,2kW. Natomiast trójfazowe falowniki FR-D700 występują w zakresie mocy 0,4 - 7,5 kW. Producent deklaruje częstotliwość wyjściową na poziomie 0,2 - 400 Hz. W standardzie urządzenia dysponują komunikacja Modbus RTU po RS485. Dodatkowo przetwornik zostały wyposażone w zabudowane wejście bezpieczeństwa STO. Kolejną zaletą tych rządzeń jest kompaktowa obudowa oraz możliwość instalacji jeden obok drugiego. Dzięki temu falowniki FR-D700 sprawdzają się w aplikacjach w których jednym z kluczowych elementów jest ograniczona przestrzeń.


Falowniki serii FR-D700 konfigurowane są przy pomocy intuicyjnego narzędzia FR-Configurator działającego pod kontrolą systemu Windows. Dodatkowo falowniki z tej serii mogą być również programowane za pomocą zintegrowanego ręcznego programatora. Panel posiada pokrętło cyfrowe przeznaczone do wprowadzania nastaw. Programator ręczy umożliwia podgląd wartości zadanych parametrów oraz komunikatów alarmowych.
Falowniki FR-E800 Mitsubishi dedykowane do współpracy z trójfazowymi silnikami indukcyjnymi oraz z magnesami trwałymi. W ofercie przetworniki o mocy do 7,5 kW. Urządzenia posiadają 2 klasy przeciążalności oraz zostały wyposażone w system ostrzegania przed korozją.
Przemienniki częstotliwości FR-E800 dostępne w zakresie mocy 0,1kW do 7,5 kW. Falowniki przystosowane są zarówno do pracy z silnikami indukcyjnymi, jak i z silnikami z magnesami trwałymi. Producent oferuje mikrofalowniki FR-E800 w wykonaniu za zasilanie 1-fazowe oraz 3-fazowe. W standardzie przemienniki częstotliwości zostały wyposażone w 2 lub 7 wejść cyfrowych, 2 wejścia analogowe oraz 1 wyjście przekaźnikowe. atutem tych falowników Mitsubishi Electric są dwie klasy przeciążalności: Light Duty oraz Normal Duty. W przypadku pracy LD producent deklaruje przeciążalność na poziomie 120% przez 60 sekund i 150% w czasie 3 sekund. Natomiast w przypadku ND jest to 150% przez 60sekund i 200% przez 3 sekundy. Pozwala to na uzyskanie najwyższej wydajności w mniejszych rozmiarach. W zależności od modelu przemienniki dysponują następującymi funkcjami bezpieczeństwa: STO, SS1, SLS, SBC, SSM. Kolejnym atutem są szerokie możliwości komunikacyjne: Ethernet, Profinet, Modbus/TCP, BACnet/IP, EtherCAT, CC-Link. Autotuning można wykonać poprzez 3 proste kroki.




Kompaktowe falowniki FR-E800 Mitsubishi Electric zmalały szerokie zastosowanie w przemyśle. Wykorzystywane sa między innymi w maszynach pakujących, przenośnikach czy transporterach. Kolejnym przykładem wykorzystanie przetworników E800 Mitsubishi są aplikacje wentylatorowe czy pompowe. Przemienniki częstotliwości z tej serii z powodzeniem wykorzystywane są w przemyśle samochodowym, produkcyjnym czy spożywczym.