
Softstart 11 kW 3F 380/415 VAC ATS01N222QN Schneider Electric
1239,33

Softstart 11 kW 3F 400 VAC ATS01N222RT Schneider Electric
1247,48

Softstart 15 kW 3F 380/415 VAC ATS01N232QN Schneider Electric
1517,19

Softstart 15 kW 3F 400 VAC ATS01N232RT Schneider Electric
2447,59

Softstart 2,2 kW 3F 400 VAC ATS01N206RT Schneider Electric
745,84

Softstart 3 kW 3F 380/415 VAC ATS01N206QN Schneider Electric
796,52

Softstart 3,7 kW 3F 400 VAC ATS01N209RT Schneider Electric
1012,65

Softstart 4 kW 3F 380/415 VAC ATS01N209QN Schneider Electric
1012,65

Softstart 5,5 kW 3F 380/415 VAC ATS01N212QN Schneider Electric
1084,11

Softstart 5,5 kW 3F 400 VAC ATS01N212RT Schneider Electric
1100,91
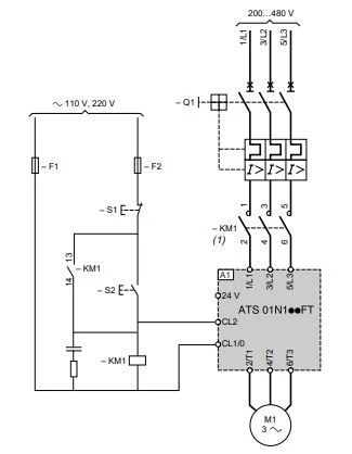
Softstarty Altistart Schneider dostępne są w zakresie mocy 0,37 kW - 15 kW. Urządzenia te dysponują zabudowanym bypass. Układy łagodnego rozruchu ATS01 zostały wyposażone w sygnalizację za pomocą diody LED. Softstartery ATS 01 sprawdzają się w zaawansowanych systemach o strukturze zdecentralizowanej.
Soft startery Schneider z rodziny Altistart 01 dostępne są w wykonaniu 1-fazowym oraz trójfazowym. Współpracują z silnikami asynchronicznymi. W ofercie znajdują się urządzenia o zakresie mocy od 370W do 15 kW. W ofercie znajdują się softstarty o sterowaniu jednofazowym oraz dwufazowym. Producent wyposażył rozruszniki Altistart 01 w potencjometr. W zależności od wykonania dysponują 2 lub 4 wyjściami cyfrowymi, oraz 2 wyjściami cyfrowymi. producent deklaruje możliwość pracy urządzeń w temperaturze od -10 do +55 stopni Celsjusza, natomiast przechowywane mogą być w temperaturze -25...+70 st. C.

Softstarty ATS01 znalazły szerokie zastosowanie w aplikacjach napędowych. Przykładem zastosowania są przenośniki, transportery czy taśmociągi. Softstartery te sprawdzają się również w aplikacjach pompowo-wentylatorowych. Innym przykładem zastosowań są sprężarki, małe aplikacje dźwigowe czy maszyny z napędem pasywnym. Altistart 01 sprawdza się również przy napędach bram automatycznych.