
Trójfazowy falownik 0,4 kW MD520-4T0.4BS-INT Inovance

Trójfazowy falownik 0,75 kW MD520-4T0.7BS-INT Inovance

Trójfazowy falownik 1,1 kW MD520-4T1.1BS-INT Inovance

Trójfazowy falownik 1,5 kW MD520-4T1.5BS-INT Inovance

Trójfazowy falownik 11 kW MD520-4T11BS-INT Inovance

Trójfazowy falownik 110 kW MD520-4T110S-INT Inovance

Trójfazowy falownik 132 kW MD520-4T132S-INT Inovance

Trójfazowy falownik 15 kW MD520-4T15BS-INT Inovance

Trójfazowy falownik 160 kW MD520-4T160S-INT Inovance

Trójfazowy falownik 18,5 kW MD520-4T18.5BS-INT Inovance

Trójfazowy falownik 18,5 kW MD520-4T18.5BS-T-INT Inovance

Trójfazowy falownik 2,2 kW MD520-4T2.2BS-INT Inovance

Trójfazowy falownik 200 kW MD520-4T200S-INT Inovance

Trójfazowy falownik 22 kW MD520-4T22BS-INT Inovance

Trójfazowy falownik 22 kW MD520-4T22BS-T-INT Inovance
Falowniki MD520 Inovance dostępne w zakresie mocy do 500 kW. Oferowane są w wykonaniu o zasilaniu 1-fazowym oraz 3-fazowym. Urządzenia zostały wyposażone w funkcję bezpieczeństwa STO oraz panel operatorski. Przetworniki MD520 znalazły szerokie zastosowanie w wielu aplikacjach napędowych.
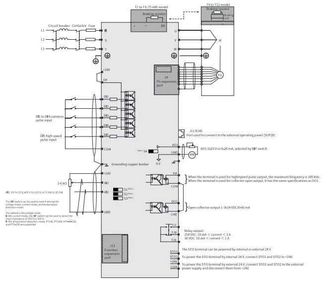
Falowniki Inovance serii MD520 przeznaczone są do współpracy zarówno z silnikami asynchronicznymi jak i synchronicznymi z magnesami trwałymi. Dostępne są w wykonaniu 1-fazowym oraz 3 fazowym. Przemienniki MD520 o zasilaniu 1x230 VAC oferowane są w zakresie mocy od 400 W do ,2,2 kW. Natomiast trójfazowe falowniki MD520 dostępne są o mocy od 0,4 kW do 500 KW. W tym urządzenia z zasilaniem 3x230VAC oferowane są do mocy 75 kW. W standardzie inwertery MD520 Inovance zostały wyposażone w funkcję STO SIL3 PLe. panel operatorski z kolorowym wyświetlaczem, zabudowany moduł hamowania. Falowniki Inovance MD520 posiadają 5 wejść cyfrowych, 1 wejście analogowe napięciowe oraz 1 wejście analogowe prądowo-napięciowe, 2 wyjścia cyfrowe, wyjście przekaźnikowe, oraz wyjście analogowe prądowo napięciowe. Ponadto producent wyposażył przetworniki częstotliwości MD520 Inovance w 4 zestawy parametrów dla różnego typu silników, 4 niezależne rampy przyspieszenia oraz hamowania. Częstotliwość wyjściowa MD520 Inovance szacowana jest na poziomie 599 Hz, natomiast moment rozruchowy wynosi odpowiednio 150% przy 0,25Hz w sterowaniu SVC oraz 180% przy 0Hz w sterowaniu FVC. Kolejnym atutem tych urządzeń jest konfiguracja przy pomocy darmowego intuicyjnego oprogramowania.
Schemat podłączenia falownika Inovance MD520
