
Trójfazowy falownik 0,37 kW C200-024 00013A Control Techniques

Trójfazowy falownik 0,55 kW C200-024 00018A Control Techniques

Trójfazowy falownik 0,75 kW C200-024 00023A Control Techniques

Trójfazowy falownik 1,1 kW C200-024 00032A Control Techniques

Trójfazowy falownik 1,5 kW C200-024 00041A Control Techniques

Trójfazowy falownik 11 kW C200-054 00270A Control Techniques

Trójfazowy falownik 110 kW C200-094 02240A Control Techniques

Trójfazowy falownik 110 kW C200-094 02240E Control Techniques

Trójfazowy falownik 15 kW C200-054 00300A Control Techniques

Trójfazowy falownik 15 kW C200-064 00350A Control Techniques

Trójfazowy falownik 18,5 kW C200-064 00420A Control Techniques

Trójfazowy falownik 2,2 kW C200-034 00056A Control Techniques

Trójfazowy falownik 22 kW C200-064 00470A Control Techniques

Trójfazowy falownik 3 kW C200-034 00073A Control Techniques

Trójfazowy falownik 30 kW C200-074 00660A Control Techniques
Falowniki marki Control Techniques - Nidec dedykowane do aplikacji napędowych. Przetworniki przeznaczone są do sterowania trójfazowymi silnikami. W ofercie dostępne falowniki o szerokim zakresie mocy do 2,8MW. Control Techniques oferuje przetworniki z zabudowanym wejściem bezpieczeństwa STO czy modułem hamowania.

Przetworniki częstotliwości produkcji Control Techniques dostępne są w wykonaniu o zasilaniu 1-fazowym oraz 3-fazowym. Trójfazowe falowniki oferowane są o zasilaniu: 3x230 VAC, 3x400 VAC, 3x500 VAC oraz 3x600 VAC. Invertery Nidec dostępne są z zabudowanym prostym sterownikiem PLC, wejściem bezpieczeństwa STO czy tranzystorem hamowania. Dodatkowo w zależności od modelu posiadają różne możliwości rozbudowy za pomocą kart rozszerzeń. Szerokie możliwości komunikacyjne pozwalają na współprace z wieloma urządzeniami różnych producentów. Contro Techniques wyposażył swoje falowniki w komunikację: Profibus, DeviceNet, CANopen, Ethernet, EtherCat, Profinet RT. Oferowane są falowniki o sterowaniu wektorowym oraz skalarnym. Konfiguracja falowników odbywa się przy pomocy darmowego oprogramowania Unidrive M Cinnect.

Wektorowe falowniki Control Techniques znalazły szerokie zastosowanie w wielu aplikacjach napędowych. Przykładem zastosowania są transportery, przenośniki, maszyny pakujące. Przetworniki te sprawdzają się również w młynach przemysłowych, kruszarkach, korowarkach czy dozownikach. Przetworniki Nidec sprawdzają się w przemyśle spożywczym, chemicznym czy kosmetycznym. Również przemysł wydobywczy czy przetwórstwa tworzyw sztucznych docenił falowniki Control Techniques.
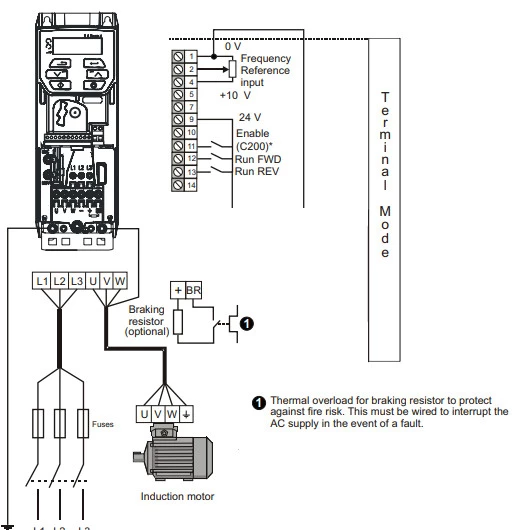
Falowniki Commander C200 Control Techniques dedykowane do współpracy z trójfazowymi silnikami. Przetworniki dostępne w zakresie mocy do 132 kW. Przemienniki C200 są zamiennikami dla falowników serii: Unidrive M200, Commander SK, Commander SE.

Falowniki COMMANDER C200 dostępne są w wykonaniu 1-fazowym oraz 3-fazowym. 3-fazowe przemienniki częstotliwości C200 oferowane są w zasilaniu: 3230 V AC, 3x400 V AC oraz 3x500 VAC. Jednofazowe falowniki dostępne są w zakresie mocy od 0,37 kW do 4KW. Natomiast trójfazowe przetworniki C200 oferowane są o mocy od 0,37 kW do 132 kW. Producent deklaruje możliwość pracy urządzeń z przeciążeniem 150% w czasie 1 minuty lub 180% w czasie 3 sekund. Ponadto inwertery NIDEC C200 zostały wyposażone w zabudowany filtr EMC, tranzystor hamowania, prosty sterownik PLC oraz regulator PID. Wejścia oraz wyjścia którymi dysponuje przetwornik są w pełni programowalne, zarówno analogowe jak i cyfrowe. Ponadto dzięki zaimplementowanemu slotowi na karty rozszerzeń można rozbudować możliwości falownika. Dostępne są moduły komunikacyjne: Profibus, DeviceNet, CANopen, Ethernet, EtherCat, Profinet RT oraz moduł I/O. Konfiguracja falowników Commander C200 odbywa się za pomocą darmowego oprogramowania UNIDRIVE M CONNECT.

Wektorowe falowniki Commander C200 znalazły szerokie zastosowanie w wielu aplikacjach napędowych. Wykorzystywane są między innymi w przemyśle spożywczym, przetwórstwie tworzyw sztucznych, farmaceutycznym czy chemicznym. Przykładem wykorzystanie tych falowników są maszyny pakujące, transportery, taśmociągi. Przetworniki C200 sprawdzają się w nalewaczkach, dozownikach, czy maszynach odważających.