
Softstart 11 kW 3x400V AC ADXC025400 ADXC Lovato Electric

Softstart 11 kW 3x400V AC ADXC02540024 ADXC Lovato Electric

Softstart 15 kW 3x400V AC ADXC032400 ADXC Lovato Electric

Softstart 15 kW 3x400V AC ADXC03240024 ADXC Lovato Electric

Softstart 18,5 kW 3x400V AC ADXC037400 ADXC Lovato Electric

Softstart 18,5 kW 3x400V AC ADXC03740024 ADXC Lovato Electric

Softstart 22 kW 3x400V AC ADXC045400 ADXC Lovato Electric

Softstart 22 kW 3x400V AC ADXC04540024 ADXC Lovato Electric

Softstart 5,5 kW 3x400V AC ADXC012400 ADXC Lovato Electric

Softstart 5,5 kW 3x400V AC ADXC01240024 ADXC Lovato Electric

Softstart 7,5 kW 3x400V AC ADXC016400 ADXC Lovato Electric

Softstart 7,5 kW 3x400V AC ADXC01640024 ADXC Lovato Electric
Softtarty ADXC Lovato to seria kompaktowych urządzeń z zabudowanym przekaźnikiem bypass. ADXC Lovato Electric dedykowane są do współpracy z trójfazowymi silnikami asynchronicznymi o prądzie do 45A. Dodatkowo zostały one wyposażone w zabezpieczenie przed nieprawidłową kolejnością faz oraz przegrzaniem.
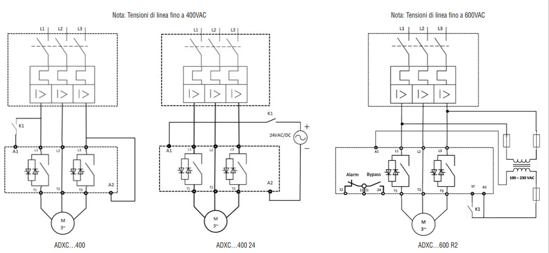
Softstartery ADXC o kontroli w 2 fazach z wbudowanym bypassem. Maksymalne napięcie znamionowe to 400 VAC dla ADXC oraz 600VAC dla ADXC...600R2. Softstarty Lovato z tej serii cechują się regulacją rampy rozruchu: 1...20 sekund; regulacja rampy zatrzymania: 0...20sekund. Dodatkowo istnieje możliwość regulacji początkowego momentu obrotowego: 0...85%. Softstarty ADXC zostały wyposażone w 2 wyjścia przekaźnikowe, 3 wskaźniki LED. Urządzenia te przystosowane są zarówno do montażu śrubowego jaki na szynie DIN. Producent deklaruje możliwość pracy sof startów w temperaturze od -20 do +40 stopni Celsjusza, natomiast bezpiecznie przechowywane mogą być w zakresie temperatur -40...80 stopni C. Obudowa urządzenia została wykonana z samogasnącego poliamidu o stopniu ochrony IP20.

Układy łagodnego rozruchu ADXC Lovato znalazły szerokie zastosowanie w aplikacjach przemysłowych. Wykorzystywane są do rozruchu oraz zatrzymania 3-fazowych silników indukcyjnych o prądzie do 45A. Przykładem zastosowań są aplikacje pompowe, wentylatory, podnośniki hydrauliczne czy sprężarki. Softstarty te znalazły również zastosowanie w dmuchawach ośrodkowych czy taśmociągach.
