Charakterystyka softstartów TSA Emotron
Emotron podczas projektowania softstartów TSA zadbał o to, aby były dedykowane do zastosowań w sprężarkach, wentylatorach, młynach, mieszalnikach, pompach czy kruszarkach. Softstart TSA Emotron został doceniony przez kontrahentów z uwagi na solidną, trwałą oraz kompaktową obudowę. Z powodzeniem stosowane są w aplikacjach, gdzie nie zachodzi potrzeba kontrolowania prędkości napędu. Softstarty znane są również pod nazwą układy łagodnego rozruchu.
Charakterystyka ogólna softstartów TSA Emotron
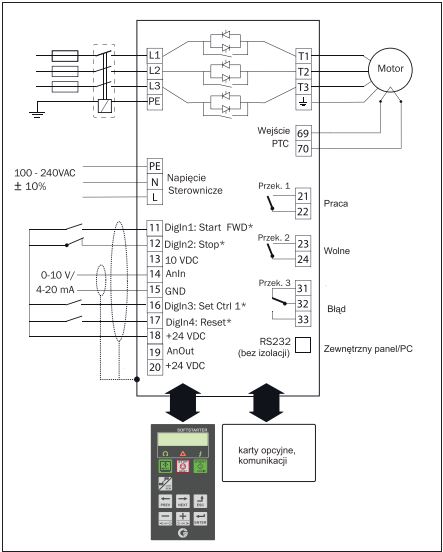
Sofst starty TSA Emotron zapewniają płynny rozruch, co znacznie redukuje koszty. Układy łagodnego rozruchu TSA tworzą szeroką gamę produktów o mocy od 7,5 kW do 250 kW o zasilaniu 3-fazowym. Każdy z modeli ma w posiadaniu 4 wejścia cyfrowe, 1 wejście analogowe, 1 wyjście analogowe oraz 3 wyjścia przekaźnikowe. Do softstartów Emotron TSA dedykowane są karty komunikacyjne oraz karty rozszerzeń. Ponadto Emotron zadbał także o kartę wejść/wyjść, a także nie pominął karty PTC. Producent zaprojektował także w softstartach TSA wbudowany stycznik bypass, zegar czasy rzeczywistego oraz podstawowe funkcje sterownika PLC.

Emotron na czołowej stronie urządzenia zaprojektował panel sterowania wraz z wyświetlaczem LCD, diodami LED i przyciskami kontrolnymi oraz funkcyjnymi. Dane wyświetlane są w dwuliniowej konfiguracji, gdzie każda z nich zawiera 16 znaków. Panel sterowania umożliwia intuicyjną pracę z urządzeniem. Kluczowym elementem w układach łagodnego rozruchy TSA jest wielojęzyczny interfejs.
Oznaczenie diod
Emotron wyposażył także softstartery w port RS232, RS485, a także gniazdo USB. Ponadto soft starty zawierają rozbudowane algorytmy sterowania momentem obrotowym. Za sprawą takiej kontroli rozruch staje się bardzo płynny wraz ze stałym przyśpieszeniem. Dodatkowo dzięki płynnym rozruchom naprężenie mechaniczne staje się mniejsze, a kontrola nad procesem satysfakcjonująca. Ponadto prowadzi to do obniżenia całościowych kosztów.
Softstarty TSA Emotron zaprojektowane zostały w kompaktowej obudowie w czterech różnych wielkościach. Stopień ochrony obudowy soft startera TSA Emotron podaje na IP20.
Komunikacja softstartów TSA odbywa się za pomocą oprogramowania Fielbus z wykorzystaniem protokołu Profibus DP oraz DeviceNet.