3-fazowy falownik 30 kW 3x400 VAC ATV610D30N4 Schneider Electric

Indywidualne ceny dostępne po zalogowaniu
Cena
8089,19
Cena brutto: 9949,70 zł
+
+
Ilość
+
Do koszyka
0 Opinii / Napisz opinię

Przemiennik częstotliwości Easy Altivar 610 30kW 

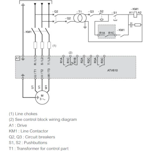
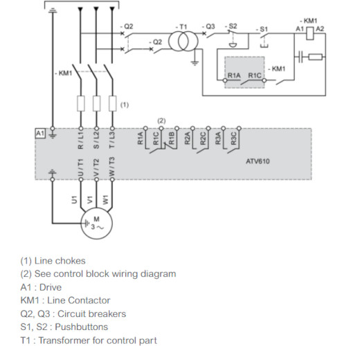
Falownik ATV610D30N4 Schneider Electric przeznaczony do pracy z trójfazowymi silnikami asynchronicznymi o mocy do 30 kW.  Przetwornik zasilany jest napięciem 3x380...460 VAC. Moc przemiennika ATV610D30N4 przy pracy ciężkiej wynosi 22kW, zaś przy pracy lekkiej to 30 kW. Prąd wejściowy tego inwertera to odpowiednio 62,5 A ND/49,7 A HD, zaś prąd wyjściowy 61,5 ND i 46,3 HD. Częstotliwość wyjściowa podana jest na 500 Hz, a znamionowa częstotliwość łączeniowa 4000 Hz. Komunikacja w falowniku Easy Altivar 610 odbywa się protokołem Modbus RTU po RS485. 3-fazowy falownik ATV610D30N4 został wyposażony w 6 wejść cyfrowych, 3 wyjścia przekaźnikowe, 3 wejścia analogowe prądowo-napięciowe oraz 1 wyjście analogowe prądowe i 1 wyjście analogowe napięciowe, z możliwości rozbudowy za pomocą kart rozszerzeń I/O. Schneider Electric zaleca stosowanie przy ATV610 ATV610D30N4 wyłącznika silnikowego GV4L80 filtr du/dt VW3A5305 oraz zabezpieczenia 100A. Ponadto przetwornik został wyposażony w zabudowany filtr EMC C3. Dodatkowo Schneider Electric daje możliwość rozbudowy falownika za pomocą kart rozszerzeń. W przypadku przetwornika ATV610D30N4 dostępne są: karty rozszerzeń wejść/wyjść VW3A3203, VW3A3204 oraz karta komunikacyjna ProfibusDP VW3A3607. Falownik ATV610D30N4 posiada obudowę o stopniu ochrony IP20 przystosowany a do montażu pionowego. Wymiary urządzenia to 613x266x271 mm, waga wynosi 25,5 kg. 

Wejścia/Wyjścia
Wejścia binarne6
Wyjścia przekaźnikowe2
Wejścia analogowe3
Wyjścia analogowe2
Napięcie wejść analogowych (V)0...10
Prąd wejść analogowych (mA)0...20
Częstotliwość wyjściowa (Hz)0,1...500
Rozdzielczość (bit)10
Komunikacja
KomunikacjaModbus/RTU RJ45 RS485
Typ modułu
Rodzaj modułuPrzemiennik częstotliwości
Wymiary i waga
Głębokość (mm)271
Szerokość (mm)226
Wysokość (mm)613
Waga (kg)25,5
Zasilanie
Moc (kW)22 30
Napięcie zasilania (VAC)323...506
Liczba faz3-fazowy
Częstotliwość napięcia zasilającego (Hz)47,5...63
Pobór prądu (A)62,5 49,7
Prąd wyjściowy (A)61,5 46,3
Filtr przeciwzakłóceniowyTak
Ogólne
SeriaATV610
Stopień ochrony IP20

Napisz opinię

Proszę się zalogować lub zarejestrować aby obejrzeć
Tagi:

ATV610D30N4, falownik 30 kW ATV610D30N4, Schneider ATV610D30N4 cena, 3-fazowy falownik ATV610D30N4

Produkty Powiązane

Cenimy Twoją prywatność
Używamy plików cookie, aby ulepszyć komfort przeglądania, wyświetlać spersonalizowane reklamy lub treści oraz analizować ruch w naszej witrynie. Klikając „Akceptuj wszystkie”, wyrażasz zgodę na używanie przez nas plików cookie.