Trójfazowy falownik 90 kW MD520-4T90BS-INT Inovance

  • Producent: Inovance
  • Kod Produktu:MD520-4T90BS-INT
Zapraszamy do kontaktu z działem handlowym.

Zapytaj o produkt

+
0 Opinii / Napisz opinię

Przemiennik częstotliwości 90 kW 3x400 VAC MD520 Inovance 

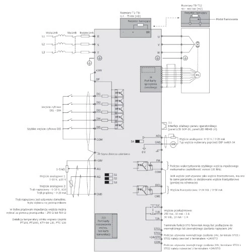
Falownik MD520-4T90BS-INT Inovance przeznaczony do pracy z trójfazowymi silnikami indukcyjnymi oraz silnikami z magnesami trwałymi. Urządzenie zasilane jest napięciem 3x400 V AC, a jego moc wynosi odpowiednio: 90 kW przy obciążeniu ciężkim i 110 kW przy obciążeniu lekkim. Prąd wyjściowy wektorowego falownika wynosi odpowiednio 176 A HD oraz 210 A ND. Falowniki Inovance MD520 zostały wyposażone w: 5 wejść cyfrowych, 2 wejścia analogowe, 1 wyjście przekaźnikowe, 2 wyjścia binarne oraz 1 wyjście analogowe. Dodatkowo przetwornik MD520-4T90BS-INT posiada wejście bezpieczeństwa STO. Częstotliwość wyjściowa 3-fazowego falownika MD520 90 kW szacowana jest na poziomie 599Hz. Do falownika MD520-4T90BS-INT opcjonalnie można podłączyć 2 moduły hamowania MDBUN-60-T co umożliwia bezpośrednie podłączenie rezystora hamowania o parametrach o mocy 9000 W i minimalnej rezystancji 10,2 Ohm. Producent zaleca stosowanie przy tym modelu falownika MD520 bezpiecznik 325A np. FWH-325A, filtr EMC FN 3258-180-40.

Inovance oferuje do przemienników częstotliwości MD520 następujące karty rozszerzeń:

  • CANlink,
  • Modbus RTU,
  • Profibus DP,
  • Profinet,
  • EtherCAT,
  • Ethernet,
  • Modbus TCP.

Falowniki MD520 Inovance zostały wyposażone 4 zestawy parametrów silnika, funkcję automatycznego forsowania momentu, funkcję pracy nawijania-odwijania oraz kompensację poślizgu.

Konfiguracja falownika MD520-4T90BS-INT odbywa się przy pomocy darmowego oprogramowania InoDriveShop.

Wejścia/Wyjścia
Wejścia binarne5
Wejścia temperaturowe1
Wejścia analogowe2
Wyjścia analogowe1
Napięcie wejść analogowych (V)0...10
Napięcie wyjść analogowych (V)0...10
Prąd wejść analogowych (mA)0...20
Obsługa czujnikówPT100 PT1000 KTY84-130 PTC-130
Prąd wyjść analogowych (mA)0...20
Typ modułu
Rodzaj modułuPrzemiennik częstotliwości
Wymiary i waga
Głębokość (mm)315
Szerokość (mm)338
Wysokość (mm)554
Waga (kg)51,5
Zasilanie
Moc (kW)110 90
Napięcie zasilania (VAC)400
Liczba faz3-fazowy
Pobór prądu (A)164 198
Prąd wyjściowy (A)176 210
Ogólne
SeriaMD520
Temperatura pracy (°C)-10...50
Stopień ochrony IP20

Napisz opinię

Proszę się zalogować lub zarejestrować aby obejrzeć
Tagi:

MD520-4T90BS-INT, Inovance MD520-4T90BS-INT cena, falownik 90 kW MD520

Produkty Powiązane

Cenimy Twoją prywatność
Używamy plików cookie, aby ulepszyć komfort przeglądania, wyświetlać spersonalizowane reklamy lub treści oraz analizować ruch w naszej witrynie. Klikając „Akceptuj wszystkie”, wyrażasz zgodę na używanie przez nas plików cookie.