Trójfazowy falownik 200 kW MD520-4T200S-INT Inovance

  • Producent: Inovance
  • Kod Produktu:MD520-4T200S-INT
Zapraszamy do kontaktu z działem handlowym.

Zapytaj o produkt

+
0 Opinii / Napisz opinię

Przemiennik częstotliwości 200 kW 3x400 VAC MD520 Inovance 

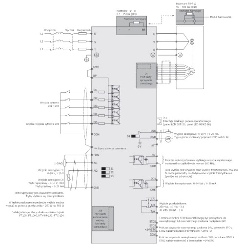
Falownik MD520-4T200S-INT Inovance przeznaczony do pracy z trójfazowymi silnikami indukcyjnymi oraz silnikami z magnesami trwałymi. Urządzenie zasilane jest napięciem 3x400 V AC, a jego moc wynosi odpowiednio: 200 kW przy obciążeniu ciężkim i 250 kW przy obciążeniu lekkim. Prąd wyjściowy wektorowego falownika wynosi odpowiednio 377 A HD oraz 465 A ND. Falowniki Inovance MD520 zostały wyposażone w: 5 wejść cyfrowych, 2 wejścia analogowe, 1 wyjście przekaźnikowe, 2 wyjścia binarne oraz 1 wyjście analogowe. Dodatkowo przetwornik MD520-4T200S-INT posiada wejście bezpieczeństwa STO. Częstotliwość wyjściowa 3-fazowego falownika MD520 200 kW szacowana jest na poziomie 599Hz. Do falownika MD520-4T200S-INT opcjonalnie można podłączyć 2 moduły hamowania MDBUN-200-T co umożliwia bezpośrednie podłączenie rezystora hamowania o parametrach o mocy 21000 W i minimalnej rezystancji 4,1 Ohm. Producent zaleca stosowanie przy tym modelu falownika MD520 bezpiecznik 800A np. FWH-800A, filtr EMC FN 3359-400-99.

Inovance oferuje do przemienników częstotliwości MD520 następujące karty rozszerzeń:

  • CANlink,
  • Modbus RTU,
  • Profibus DP,
  • Profinet,
  • EtherCAT,
  • Ethernet,
  • Modbus TCP.

Falowniki MD520 Inovance zostały wyposażone 4 zestawy parametrów silnika, funkcję automatycznego forsowania momentu, funkcję pracy nawijania-odwijania oraz kompensację poślizgu.

Konfiguracja falownika MD520-4T200S-INT odbywa się przy pomocy darmowego oprogramowania InoDriveShop.

Wejścia/Wyjścia
Wejścia binarne5
Wejścia temperaturowe1
Wejścia analogowe2
Wyjścia analogowe1
Napięcie wejść analogowych (V)0...10
Napięcie wyjść analogowych (V)0...10
Prąd wejść analogowych (mA)0...20
Obsługa czujnikówPT100 PT1000 KTY84-130 PTC-130
Prąd wyjść analogowych (mA)0...20
Typ modułu
Rodzaj modułuPrzemiennik częstotliwości
Wymiary i waga
Głębokość (mm)240
Szerokość (mm)300
Wysokość (mm)1086
Waga (kg)110
Zasilanie
Moc (kW)200 160
Napięcie zasilania (VAC)400
Liczba faz3-fazowy
Pobór prądu (A)287 359
Prąd wyjściowy (A)365 456
Ogólne
SeriaMD520
Temperatura pracy (°C)-10...50
Stopień ochrony IP20

Napisz opinię

Proszę się zalogować lub zarejestrować aby obejrzeć
Tagi:

MD520-4T200S-INT, Inovance MD520-4T200S-INT cena, falownik 200 kW MD520

Produkty Powiązane

Cenimy Twoją prywatność
Używamy plików cookie, aby ulepszyć komfort przeglądania, wyświetlać spersonalizowane reklamy lub treści oraz analizować ruch w naszej witrynie. Klikając „Akceptuj wszystkie”, wyrażasz zgodę na używanie przez nas plików cookie.