
Falownik 132F0001 FC51 230V AC 0,18 kW Danfoss

Falownik 132F0002 FC51 230V AC 0,37 kW Danfoss

Falownik 132F0003 FC51 230V AC 0,75 kW Danfoss

Falownik 132F0005 FC51 230V AC 1,5 kW Danfoss

Falownik 132F0007 FC51 230V AC 2,2 kW Danfoss

Falownik 132F0017 FC51 230V AC 0,37 kW Danfoss

Falownik 132F0018 FC51 230V AC 0,75 kW Danfoss

Falownik 132F0020 FC51 230V AC 1,5 kW Danfoss

Falownik 132F0022 FC51 230V AC 2,2 kW Danfoss

Falownik 132F0024 FC51 230V AC 3 kW Danfoss

Falownik 132F0026 FC51 230V AC 4 kW Danfoss

Falownik 132F0028 FC51 230V AC 5,5 kW Danfoss

Falownik 132F0058 FC51 230V AC 11 kW Danfoss

Falownik 132F0059 FC51 230V AC 15 kW Danfoss

Falownik 132F0060 FC51 230V AC 18,5 kW Danfoss
Maszyny pakujące służą do pakowania płynnych produktów oraz suchych produktów. W zależności od tego jakiego typu jest to urządzenie maszyny pakujące działają nieco w inny sposób. Na przykład maszyny pakujące pionowe stosowane są do pakowania towarów w postaci pyłów, mrożonek, płynów, granulatu, czy też past. Takie maszyny charakteryzują się wydajnością oraz łatwą obsługą. Pracują w ciągłym trybie albo start-stop. Warto zaznaczyć, iż te urządzenia w ciągu 60 sekund mogą wytworzyć nawet 55 opakowań. Ważnym elementem jest system bezpieczeństwa, dzięki któremu urządzenie może być kontrolowane. Maszyny te wyposażone są w kołnierz pakujący, na którym formuje się i utrzymuje każda torebka, do której trafia towar. Maszyny pakujące poziome charakteryzują się większą szybkością w porównaniu do maszyn pionowych. Stosuje się je przy masowej produkcji. Ich zadaniem jest pakowanie w torby, które są: płaskie, stojące, posiadają zamknięcie strunowe, zakrętkę albo zaworek. Produkty w I etapie lądują w rękawie folii, która ma zgrzewane brzegi. W kolejnym etapie towar trafia do tuneli termokurczliwych. Dzięki odpowiedniej temperaturze folia się obkurcza co pozwala na to, aby dany wyrób był dobrze zabezpieczony.
Przemienniki częstotliwości MS300 swoje zastosowanie odnajdą zarówno w prostych aplikacjach oraz zaawansowanych. Są łatwe w obsłudze. Inwertery posiadają kompaktowy rozmiar, co pozwala na zaoszczędzenie miejsca. Współpracują z silnikami indukcyjnymi i z silnikami z magnesami trwałymi. Falowniki MS300 wyposażone są we wbudowany sterownik PLC 2k kroków. Istnieje możliwość rozbudowy o dodatkową kartę komunikacyjną. Pracuje w otwartej pętli sprzężenia zwrotnego. Częstotliwość wyjściowa falowników MS300 Delta wynosi do 1500Hz w otwartej pętli sterowania. Przeciążalność tych przemienników jest równa 120% przez 1 minutę przy pracy normalnej, 150% przez 1 minutę i 200% przez trzy sekundy przy pracy ciężkiej. Tranzystory hamowania są zabudowane. Karty komunikacyjne dostępne w przemiennikach częstotliwości MS300 Delta: MODBUS TCP, DEVICENET, PROFIBUS DP, CANOPEN, ETHERNET/IP. Inwertery posiadają również wbudowane wejście bezpieczeństwa STO. Komponenty bloków mocy mają wydłużoną żywotność. Falowniki wyposażone są również we wbudowany port USB.

Przemienniki częstotliwości MH300 charakteryzują się kompaktową budową. Nadają się do prostych i bardziej złożonych aplikacji. Posiadają wbudowany sterownik PLC 5k kroków, MODBUS i CANopen, port USB oraz wejście STO. Falowniki te obsługują silniki indukcyjne, a także silniki z magnesami trwałymi. Możliwa jest praca w zamkniętej pętli sterowania. Częstotliwość wyjściowa tych inwerterów wynosi do 2000Hz w otwartej pętli sterowania, natomiast przeciążalność odpowiednio:
-120% przez 1 minutę przy normalnej pracy,
-150% przez 1 minutę i 200% przez trzy sekundy przy ciężkiej pracy.
Opcjonalnie możliwe jest rozszerzenie o karty: PROFIBUS DP, DeviceNet, EtherCAT, EtherNet/IP, MODBUS TCP. Elektronika sterująca posiada wzmocnioną powłokę ochronną. Przemienniki częstotliwości MH300 posiadają wyświetlacz LCD z pokrętłem sterującym.

Falowniki C2000 stosowane są w bardziej złożonych aplikacjach. Przemienniki częstotliwości Delta Electronics C2000 wyposażone zostały we wbudowany sterownik PLC 10k kroków. Sterowanie jest skalarne, wektorowe bezczujnikowe oraz wektorowe w pętli zamkniętej. Dostępne tryby pracy w falownikach C2000: prędkościowy, momentowy, pozycyjny. Przeciążalność dla 230V/460V wynosi:
-120% przez 60 sekund, 160% przez trzy sekundy przy pracy normalnej,
-150% przez 60sekund, 180% przez trzy sekundy przy pracy ciężkiej.
Dla 575V/690V:
-120% przez 60 sekund przy pracy lekkiej,
-120% przez 60sekund oraz 150% przez trzy sekundy przy pracy normalnej,
-120% przez 60 sekund oraz 180% przez trzy sekundy przy pracy ciężkiej.
Inwertery C2000 współpracują z silnikami asynchronicznymi AC oraz synchronicznymi z magnesami trwałymi PM. Dzięki konstrukcji napędu możliwa jest długotrwała ciągła praca. Budowa falownika jest odpowiednio zabezpieczona i dobrze sprawdza się w ciężkich warunkach przemysłowych. Programator jest demontowany. Przemienniki posiadają wbudowaną komunikację za pośrednictwem protokołu Modbus oraz interfejsu RS485. Posiadają także wejście bezpieczeństwa STO.

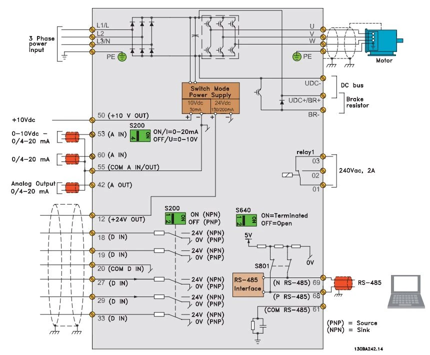
Przemienniki częstotliwości Danfoss FC51 stosowane są w aplikacjach napędowych, które współpracują z silnikami asynchronicznymi elektrycznymi AC. Falowniki te są niezawodne i zapewniają ciągłą, bezawaryjną pracę. Wnętrze napędów VLT Micro Drive stworzono w taki sposób, by powietrze wymuszonego obiegu chłodzenia nie przedostało się do obwodów elektronicznych umieszczonych wewnątrz urządzenia, są również pokryte warstwą zabezpieczającą. Inwertery Danfoss zostały też wyposażone w filtry RFI. Ich budowa pozwala na montaż w taki sposób, aby kilka przemienników przylegało do siebie bokami. Inwertery te posiadają także funkcję hamowania DC i AC, czego skutkiem jest przekształcenie energii kinetycznej silnika w moc, która niezbędna jest do jego zatrzymania. W falownikach, których moc jest większa niż 1,5 wbudowany został chopper hamowania, który zwiększa efektywność hamowania dynamicznego w aplikacjach, które charakteryzują się dużą bezwładnością. Kolejną istotną funkcją tych falowników jest wbudowany Logiczny Sterownik Zdarzeń, który tworzy reguły logiczne. FC51 Danfoss wyposażone są też w regulator procesu PI, dzięki któremu nie ma konieczności zastosowania sterownika zewnętrznego oraz w termik elektroniczny. Dodatkowo posiadają funkcje AMO (Automatycznego Dopasowania Silnika) oraz AEO (Automatycznej Optymalizacji Energii). Przeciążalność tych falowników jest równa 150% przez 1 minutę. Przemienniki częstotliwości FC51 Danfoss mają liczne funkcje ochronne m.in: kontrola temperatury radiatora, zabezpieczenie przeciwzwarciowe na zaciskach U,V,W, czy też zabezpieczenie przed doziemieniem na zaciskach U,V,W.

Przemienniki częstotliwości ATV320 Schneider stosowane są w mniej oraz bardziej zaawansowanych aplikacjach. W tej serii występuje 31 inwerterów, których zakres mocy rozpoczyna się od 0,18 kW, a kończy się na 15 kW. Dzięki kompaktowej budowie można zaoszczędzić miejsce. Współpracują z silnikami asynchronicznymi oraz synchronicznymi. Stopień ochrony wynosi IP20. Inwertery te posiadają aż 150 różnych funkcji. ATV320 są zgodne z dyrektywą maszynową 2006/42/EC. Wyposażone są w funkcje bezpieczeństwa: STO,SS1,SLS,SMS,GDL. Dodatkowo falowniki posiadają sterownik PLC. Przemienniki częstotliwości ATV320 mają wbudowany Modbus RJ45, oraz CANopen RJ45. Obwody, które znajdują się w tych inwerterach posiadają klasę IEC 60721-3-3 z powłoką 3C3, dzięki czemu zwiększa się dostępność w niekorzystnych warunkach.

Przemienniki częstotliwości FR-E800 wyróżnia mały gabaryt. Posiadają wbudowane wejście bezpieczeństwa STO. Współpracuje z trójfazowymi silnikami indukcyjnymi i silnikami z magnesami trwałymi. Inwertery te mają także dwie klasy przeciążalności Light Duty oraz Normal Duty, co pozwala na zwiększenie wydajności. Dzięki wbudowanemu sterownikowi PLC 2K działanie układu możemy dostosować do swoich potrzeb. Temperatura pracy tych falowników wynosi od -20°C do 60°C. Falowniki są potrójnie lakierowane, co skutkuje zwiększoną odpornością na trudne warunki. Przemienniki częstotliwości FR-E800 wyposażone zostały również w system ostrzegania przed korozją.

