
Falowniki GD20EU INVT
Przemienniki częstotliwości GD20EU
Falowniki serii Goodrive20-EU (GD20-EU) to nowoczesne przetwornice częstotliwości przeznaczone do regulacji prędkości obrotowej silników asynchronicznych. Te przemienniki częstotliwości wykorzystują technologię SVPWM oraz wektorowe sterowanie SVC, zapewniając wysoką precyzję regulacji momentu i prędkości.

Podstawowe parametry techniczne falowników GD20 EU INVT
-
Napięcia zasilania:
-
1-fazowe 230 V AC
-
3-fazowe 230 V AC
-
3-fazowe 400 V AC
-
-
Częstotliwość wejściowa: 50/60 Hz (zakres 47–63 Hz)
-
Częstotliwość wyjściowa: 0–400 Hz
-
Moc wyjściowa: od 0,4 kW do 110 kW
-
Stopień ochrony: IP20
-
Zakres temperatur pracy: od -10°C do +50°C
Funkcje i możliwości Falowników GD20EU INVT
-
Sterowanie:
-
SVC (Sensorless Vector Control)
-
SVPWM (Space Vector Pulse Width Modulation)
-
-
Dokładność regulacji prędkości: ±0,2%
-
Moment rozruchowy: 150% przy 0,5 Hz
-
Przeciążalność:
-
150% przez 1 minutę
-
180% przez 10 sekund
-
200% przez 1 sekundę
-
-
Funkcje ochronne:
-
zabezpieczenie przed: przeciążeniem, przepięciem, zbyt niskim napięciem, przegrzaniem, zanikiem fazy, zwarciem i błędami silnika
-
-
Funkcja STO (Safe Torque Off):
-
poziom bezpieczeństwa SIL2 (PLd, CAT3) lub SIL3 (PLe, CAT3)
-
zapobiega niekontrolowanemu uruchomieniu silnika
-
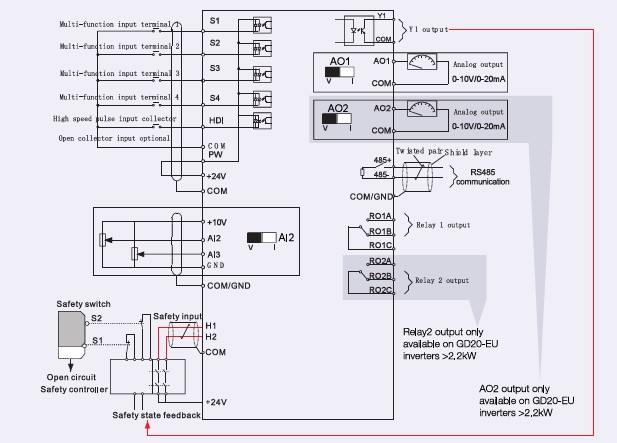
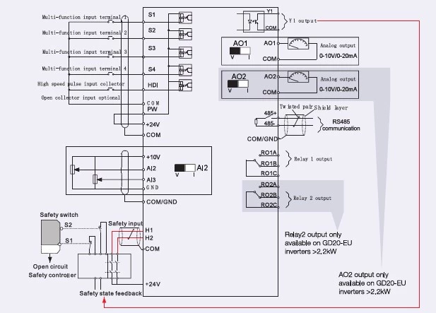
Interfejsy wejść/wyjść przemienników częstotliwości GD20EU INVT
-
Wejścia analogowe: 2 (0–10V / 0–20mA lub -10~+10V)
-
Wyjścia analogowe: 1–2 (0–10V / 0–20mA)
-
Wejścia cyfrowe: 4 standardowe + 1 szybkie (do 50 kHz)
-
Wyjścia przekaźnikowe: 1 lub 2 programowalne (3A/250V AC)
-
Komunikacja: RS-485 z obsługą protokołu MODBUS RTU
Schemat podłączenia

Modele falowników INVT GD20 EU
Falowniki INVT serii GD20-EU – zasilanie 1×230 V AC
Model |
Moc wyjściowa [kW] |
Prąd wyjściowy [A] |
Prąd wejściowy [A] |
Zakres napięcia wejściowego |
Zakres częstotliwości wyjściowej |
Funkcja STO / Bezpieczeństwo |
|---|---|---|---|---|---|---|
GD20-0R4G-S2-EU |
0,4 kW |
2,5 A |
6,5 A |
1×230 V (-15 % ~ +10 %) |
0 – 400 Hz |
SIL2 / PLd CAT 3 |
GD20-0R7G-S2-EU |
0,75 kW |
4,2 A |
9,3 A |
1×230 V (-15 % ~ +10 %) |
0 – 400 Hz |
SIL2 / PLd CAT 3 |
GD20-1R5G-S2-EU |
1,5kW |
7,5 A |
15,7 A |
1×230 V (-15 % ~ +10 %) |
0 – 400 Hz |
SIL2 / PLd CAT 3 |
GD20-2R2G-S2-EU |
2,2kW |
10 A |
24 A |
1×230 V (-15 % ~ +10 %) |
0 – 400 Hz |
SIL2 / PLd CAT 3 |
Falowniki serii GD20-EU – zasilanie 3×400 V AC
Model |
Moc wyjściowa [kW] |
Prąd wyjściowy [A] |
Prąd wejściowy [A] |
Zakres napięcia wejściowego |
Zakres częstotliwości wyjściowej |
Funkcja STO / Bezpieczeństwo |
|---|---|---|---|---|---|---|
GD20-0R7G-4-EU |
0,75 kW |
2,5 A |
3,4 A |
3×400 V (-15 % ~ +10 %) |
0...400 Hz |
SIL2 / PLd CAT 3 |
GD20-1R5G-4-EU |
1,5kW |
4,2 A |
5,0 A |
3x400V (-15 % ~ +10 %) |
0...400 Hz |
SIL2 / PLd CAT 3 |
GD20-2R2G-4-EU |
2,2kW |
5,5 A |
5,8 A |
3x400V (-15 % ~ +10 %) |
0...400 Hz |
SIL2 / PLd CAT 3 |
GD20-004G-4-EU |
4 kW |
9,5 A |
13,5 A |
3×400 V (-15 % ~ +10 %) |
0...400 Hz |
SIL3 / PLe CAT 3 |
GD20-5R5G-4-EU |
5,5 kW |
14 A |
19,5 A |
3×400 V (-15 % ~ +10 %) |
0...400 Hz |
SIL3 / PLe CAT 3 |
GD20-7R5G-4-EU |
7,5 kW |
18,5 A |
25 A |
3×400 V (-15 % ~ +10 %) |
0...400 Hz |
SIL3 / PLe CAT 3 |
GD20-011G-4-EU |
11 kW |
25 A |
32 A |
3×400 V (-15 % ~ +10 %) |
0...400 Hz |
SIL3 / PLe CAT 3 |
GD20-015G-4-EU |
15 kW |
32 A |
40 A |
3×400 V (-15 % ~ +10 %) |
0...400 Hz |
SIL3 / PLe CAT 3 |
GD20-022G-4-EU |
22 kW |
45 A |
51 A |
3×400 V (-15 % ~ +10 %) |
0...400 Hz |
SIL3 / PLe CAT 3 |
GD20-037G-4-EU |
37 kW |
75 A |
80 A |
3×400 V (-15 % ~ +10 %) |
0...400 Hz |
SIL3 / PLe CAT 3 |
GD20-055G-4-EU |
55 kW |
115 A |
128 A |
3×400 V (-15 % ~ +10 %) |
0...400 Hz |
SIL3 / PLe CAT 3 |
GD20-110G-4-EU |
110 kW |
215 A |
201 A |
3×400 V (-15 % ~ +10 %) |
0...400 Hz |
SIL3 / PLe CAT 3 |
Budowa i instalacja przemienników częstotliwości
-
Montaż naścienny lub na szynie DIN (w zależności od mocy).
-
Wbudowany wentylator chłodzący i filtr EMC (dla modeli powyżej 4 kW).
-
Modele ≥18,5 kW wyposażone są w dławik DC.
-
Modele ≤37 kW posiadają standardowo układ hamowania dynamicznego, powyżej tej mocy – opcjonalny.
Obsługa
Falowniki INVT obsługiwane są za pomocą klawiatury lokalnej lub zewnętrznej, wyposażonej w:
-
wyświetlacz LED (częstotliwość, napięcie, prąd, błędy),
-
przyciski sterujące (RUN, STOP/RESET, SHIFT, UP/DOWN),
-
potencjometr regulacyjny częstotliwości.
Możliwa jest praca w trybie lokalnym (z klawiatury) lub zdalnym (zaciski/komunikacja).
Zastosowanie przemienników częstotliwości GD20
Falowniki INVT serii GD20-EU przeznaczone są do napędów:
-
pomp, wentylatorów i sprężarek,
-
przenośników taśmowych i podajników,
-
obrabiarek, maszyn tekstylnych i pakujących,
-
systemów HVAC oraz automatyki przemysłowej.
Podstawowe akcesoria opcjonalne i peryferyjne
Falowniki INVT GD20-EU są dostarczane z pewnym zakresem podstawowych komponentów, ale producent przewiduje możliwość rozbudowy i doposażenia układu za pomocą akcesoriów opcjonalnych. W instrukcji zostały wymienione następujące główne typy akcesoriów:
-
reactor wejściowy (input reactor)
-
filtr wejściowy (input filter)
-
reactor wyjściowy (output reactor)
-
filtr wyjściowy (output filter)
-
jednostka hamowania (brake unit) / resistor hamowania (braking resistor)
-
zewnętrzny panel / klawiatura (external keypad)
-
układy komunikacyjne / karty rozszerzeń (interfejsy, expansion cards) — jako element oferty akcesoriów INVT
Tabela doboru rezystorów hamowania dla GD20-EU

























