Falownik wektorowy 2,2 kW 230 VAC LG SV022iC5-1F

  • Producent: LG
  • Kod Produktu:SV022iC5-1F
Zapraszamy do kontaktu z działem handlowym.

Zapytaj o produkt

+
17 Opinii / Napisz opinię

Przemiennik częstotliwości SV022iC5-1F 

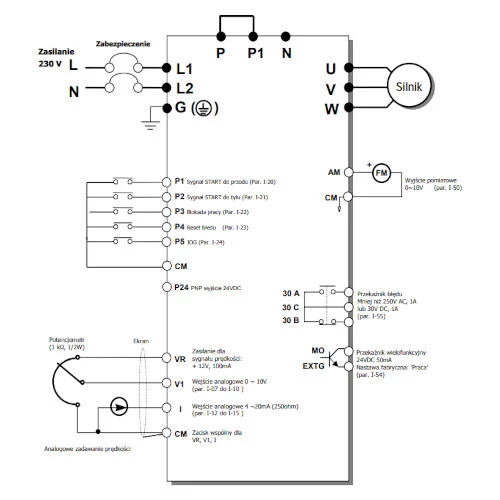
Falownik wektorowy SV022iC5-1F firmy LG serii iC5 o mocy 2,2 kW. Falownik LG zasilany trójfazowo o napięciu 230VAC, wyposażony jest w zabudowany filtr EMC kategorii C3 oraz panel sterowniczy.

Kod produktu: SV022iC5-1F

Zamiennikiem dla falownika SV022iC5-1F jest LSLV0022M100-1EOFNA 

Wejścia/Wyjścia
Wejścia binarne5
Częstotliwość wyjściowa (Hz)0...400
Sterowanie wektoroweTak
Typ modułu
Rodzaj modułuPrzemiennik częstotliwości
Wymiary i waga
Głębokość (mm)143
Szerokość (mm)156
Wysokość (mm)143
Waga (kg)1,85
Zasilanie
Moc (kW)2,2
Napięcie wyjściowe (VAC)230
Liczba faz1-fazowy
Częstotliwość napięcia zasilającego (Hz)50...60
Filtr przeciwzakłóceniowyTak
Ogólne
SeriaiC5
Temperatura pracy (°C)-10...50

Napisz opinię

Proszę się zalogować lub zarejestrować aby obejrzeć
Tagi:

SV022iC5-1F, falownik iC5 LG, folownik SV022iC5 cena, iC5 2, 2 kW cena, falownik wektorowy 2, 2kW, falowniki LG sklep, falowniki LS cena, falownik LG, falowniki LG

Produkty Powiązane

Cenimy Twoją prywatność
Używamy plików cookie, aby ulepszyć komfort przeglądania, wyświetlać spersonalizowane reklamy lub treści oraz analizować ruch w naszej witrynie. Klikając „Akceptuj wszystkie”, wyrażasz zgodę na używanie przez nas plików cookie.