Falownik VLB30150A480 VBL3 15 kW 3x400V AC Lovato Electric

Indywidualne ceny dostępne po zalogowaniu
Cena
8436,80
Cena brutto: 10377,26 zł
+
+
Ilość
+
Do koszyka
1 Opinii / Napisz opinię

Przemiennik częstotliwości VLB30150A480 Lovato 15 kW 

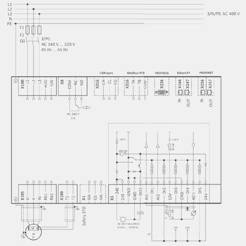
Falownik 3-fazowy VLB30150A480 cenionej marki Lovato Electric o mocy 15 kW oraz poborze prądu 38,7 A. Przemiennik VLB3 zasilany jest napięciem 400V AC o częstotliwości napięcia zasilającego 50/60 Hz. Inwerter pochodzący z serii VLB3 wyposażono w 5 wejść binarnych, 2 wejścia analogowe (0...20/4...20mA lub 10...10V) 2 wyjścia binarne, gdzie jedno jest przekaźnikowe oraz 1 wyjście analogowe (0/4...20mA lub 0...10V). Falownik VLB30150A480 w swoim wyposażeniu posiada filtr EMC, regulator PID, funkcje lotnego startu oraz wejście PTC. Ponadto przetwornik dysponuje portem RS485 z komunikacją Modbus-RTU. Przemiennik częstotliwości VLB30150A480 VLB3 Lovato Electric stworzony został z przeznaczeniem do pracy z silnikami asynchronicznymi oraz synchronicznymi z magnesami trwałymi. Trójfazowy falownik wykonany został w obudowie o wymiarach 366 x 204,5 x 222 mm oraz wadze 10,6 kg. Producent stopień ochrony falownika VLB30150A480 podaje na IP20. Przetwornik Lovato Electric sprawdza się we wszystkich aplikacjach napędowych.

Przemiennik częstotliwości VLB30150A480 jest kompatybilny z: modułem bezpieczeństwa VLBXSM, modułem komunikacyjnym Wi-Fi VLBXC03, zestawem do montażu na drzwiach VLBXP01, modułem komunikacyjnym USB VLBXC02, ogranicznikiem przepięć typu C2-D1 do linii RS485 SASD5VR, potencjometrem 1 kOhm LPCPA001, dławikiem filtrującym VLXM050  oraz rezystorem hamowania 390 Ohm VLBXR018.

Wejścia/Wyjścia
Wejścia binarne5
Wyjścia binarne2
Wejścia analogowe2
Wyjścia analogowe1
Napięcie wejść analogowych (V)-10...10
Napięcie wyjść analogowych (V)0...10
Prąd wejść analogowych (mA)4...20 0...20
Prąd wyjść analogowych (mA)0...20 4...20
Komunikacja
KomunikacjaRS485
Typ modułu
Rodzaj modułuPrzemiennik częstotliwości
Wymiary i waga
Głębokość (mm)222
Szerokość (mm)204,5
Wysokość (mm)366
Waga (kg)10,6
Zasilanie
Moc (kW)15
Napięcie zasilania (VAC)400
Liczba faz3-fazowy
Częstotliwość napięcia zasilającego (Hz)50/60
Pobór prądu (A)38,7
Prąd wyjściowy (A)32
Filtr przeciwzakłóceniowyTak
Ogólne
SeriaVLB
Temperatura pracy (°C)-10...55
Stopień ochrony IP20

Napisz opinię

Proszę się zalogować lub zarejestrować aby obejrzeć
Tagi:

VLB30150A480 VBL3, falownik VLB30150A480 VBL3 Lovato Electric, falownik VLB30150A480 cena

Produkty Powiązane

Cenimy Twoją prywatność
Używamy plików cookie, aby ulepszyć komfort przeglądania, wyświetlać spersonalizowane reklamy lub treści oraz analizować ruch w naszej witrynie. Klikając „Akceptuj wszystkie”, wyrażasz zgodę na używanie przez nas plików cookie.