Falownik MD290T3.7G/5.5PB-INT 3x400V AC 3,7/5,5 kW Inovance

  • Producent: Inovance
  • Kod Produktu:MD290T3.7G/5.5PB-INT
Zapraszamy do kontaktu z działem handlowym.

Zapytaj o produkt

+
1 Opinii / Napisz opinię

Przemiennik częstotliwości MD290 3,7/5,5 kW Inovance 

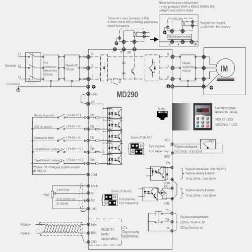
3-fazowy falownik MD290T3.7G/5.5PB-INT producenta Inovance z serii MD290 o mocy 3,7/5,5 kW i poborze prądu 11,4/15,9 A. Inwerter sterowany jest w sposób skalarny. Przemiennik częstotliwości MD290 Inovance został wyposażony w 5 wejść binarnych, w tym 1 szybkie, 2 wejścia analogowe, w tym jedno napięciowe 0...10V, natomiast drugie prądowe lub napięciowe 0...20mA, 0...10V, 1 wyjście analogowe 0...10V lub 0...20mA oraz 1 wyjście przekaźnikowe i 1 tranzystorowe. Inovance zastosował w urządzeniu czoper hamowania oraz hamowanie prądem stałym DC. Ponadto do urządzenia istnieje możliwość dołączenia zewnętrznego rezystora hamowania. Co więcej przetwornik MD290 Inovance na płytkach PCB pokryty jest dodatkowa powłoką ochronną w celu niezawodnej pracy w trudnym środowisku. Falownik MD290T3.7G/5.5PB-INT został wykonany w wymiarach 200 x 130 x 162 mm.

Wejścia/Wyjścia
Wejścia binarne5
Wyjścia tranzystorowe1
Wyjścia przekaźnikowe1
Wejścia analogowe2
Napięcie wejść analogowych (V)0...10
Napięcie wyjść analogowych (V)0...10
Prąd wejść analogowych (mA)0...20
Prąd wyjść analogowych (mA)0...20
Częstotliwość wyjściowa (Hz)0...500
Typ modułu
Rodzaj modułuPrzemiennik częstotliwości
Wymiary i waga
Głębokość (mm)162
Szerokość (mm)130
Wysokość (mm)200
Zasilanie
Moc (kW)3,7 5,5
Napięcie zasilania (VAC)400
Liczba faz3-fazowy
Pobór prądu (A)11,4 15,9
Prąd wyjściowy (A)9 13
Ogólne
SeriaMD290
Temperatura pracy (°C)-10...50
Stopień ochrony IP20

Napisz opinię

Proszę się zalogować lub zarejestrować aby obejrzeć
pdf
Manual MD290T3.0G-3.7PB-INT
Tagi:

MD290T3.7G/5.5PB-INT MD290, Inovance MD290T3.7G/5.5PB-INT, przemiennik częstotliwości MD290T3.7G/5.5PB-INT cena, przemiennik częstotliwości MD 290

Produkty Powiązane

Cenimy Twoją prywatność
Używamy plików cookie, aby ulepszyć komfort przeglądania, wyświetlać spersonalizowane reklamy lub treści oraz analizować ruch w naszej witrynie. Klikając „Akceptuj wszystkie”, wyrażasz zgodę na używanie przez nas plików cookie.