Falownik 3x400V AC 5,5 kW SXS1000·5R5P-4 Sanyu

  • Producent: Sanyu
  • Kod Produktu:SXS1000·5R5P-4
Zapraszamy do kontaktu z działem handlowym.

Zapytaj o produkt

+
0 Opinii / Napisz opinię

3-fazowy przemiennik częstotliwości SXS1000 5,5 kW Sanyu 

Falownik SXS1000·5R5P-4 Sanyu o mocy 5,5 kW oraz maksymalnej częstotliwości 400 Hz do pracy z trójfazowymi silnikami. Przetwornik zasilany jest napięciem 3x400 VAC, a częstotliwość napięcia zasilającego wynosi 47...63 Hz. Prąd wejściowy falownika Sanyu SXS1000·5R5P-4 wynosi 12,5 A, natomiast prąd wyjściowy oscyluje wokół 12,5A.

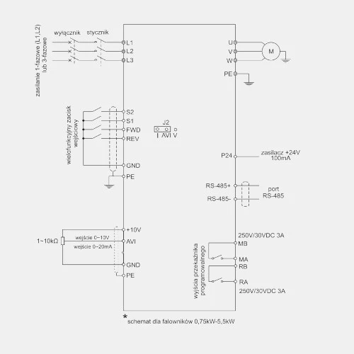
W falowniku producent zastosował 4 wejścia binarne, 1 wejścia analogowe prądowo napięciowe oraz 2 wyjście przekaźnikowe programowalne 3A. Do komunikacji został zabudowany port RS-485 z obsługą protokołu Modbus ASCII/RTU. Przemiennik częstotliwości SXS1000 Sanyu sterowany jest w sposób skalarny w pętli zamkniętej i można w nim zaprogramować do 16 stałych prędkości. Dodatkowo posiada funkcje zaprogramowania 2 czasów oraz funkcję kontroli czasu. Operator ma możliwość ustawienia czasu z zakresu 0...65535h.

3-fazowy falownik SXS1000 Sanyu dysponuje również wbudowanym fabrycznie wyświetlaczem LED z funkcyjnymi przyciskami oraz regulator PID. Dodatkowo inverter SXS1000 został wyposażony w zabudowany filtr sieciowy.  Atutem przemiennika SXS1000 Sanyu są zabudowane funkcje ochronne, a także blokada przed osobami nieupoważnionymi. Skalarny falownik Sanyu SXS1000-3R7P-4 posiada stopień ochrony IP65 i powinien pracować wyłącznie w pomieszczeniach, w dalekiej odległości od kurzu, substancji oleistych, agresywnych gazów, wody, a także promieni słonecznych. Przedział temperaturowy dla pracy falownika wynosi -10...40 stopni Celsjusza.

Obudowa przetwornika SXS1000·5R5P-4 Sanyu został wykonana w wymiarach 154 x 179 x 235 mm o wadze 3 kg.

Falownik SX1000 Sanyu SXS1000·5R5P-4 z powodzeniem sprawdzi się w aplikacjach do przemysłu spożywczego, przemysłu wodociągowego, aplikacji basenowych.

Wejścia/Wyjścia
Wejścia binarne4
Wyjścia przekaźnikowe2
Wejścia analogowe2
Napięcie wejść analogowych (V)0...10
Prąd wejść analogowych (mA)0...20 4...20
Prąd wyjść binarnych (A)3
Częstotliwość wyjściowa (Hz)0...400
Komunikacja
KomunikacjaModbus ASCII/RTU RS485
Typ modułu
Rodzaj modułuPrzemiennik częstotliwości
Wymiary i waga
Głębokość (mm)179
Szerokość (mm)235
Wysokość (mm)154
Waga (kg)3
Zasilanie
Moc (kW)5,5
Napięcie zasilania (VAC)400
Liczba faz3-fazowy
Częstotliwość napięcia zasilającego (Hz)47...63
Pobór prądu (A)12,5
Prąd wyjściowy (A)12,5
Ogólne
SeriaSXS1000
Temperatura pracy (°C)-10...40
Stopień ochrony IP65

Napisz opinię

Proszę się zalogować lub zarejestrować aby obejrzeć
pdf
Manual SXS1000·5R5P-4
Tagi:

SXS1000·5R5P-4, Sanyu SXS1000·5R5P-4, falownik 5, 5 kW SXS1000, falownik SXS1000·5R5P-4 cena

Produkty Powiązane

Cenimy Twoją prywatność
Używamy plików cookie, aby ulepszyć komfort przeglądania, wyświetlać spersonalizowane reklamy lub treści oraz analizować ruch w naszej witrynie. Klikając „Akceptuj wszystkie”, wyrażasz zgodę na używanie przez nas plików cookie.