Falownik 30 kW 3x400 VAC ATV950D30N4E

Indywidualne ceny dostępne po zalogowaniu
Cena
19820,43
Cena brutto: 24379,13 zł
+
+
Ilość
+
Do koszyka
0 Opinii / Napisz opinię

Trójfazowy falownik 61,5A ATV950 Schneider 

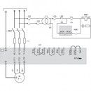
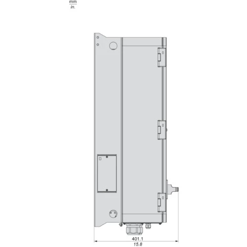
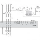
Falownik Altivar Process ATV950D30N4E Schneider Electric przeznaczony do pracy z trójfazowymi silnikami asynchronicznymi i synchronicznymi. 3-fazowy falownik ATV950D30N4E o mocy 30 kW przy obciążeniu lekkim i 22 kW przy obciążeniu ciężkim. Prąd wyjściowy wynosi odpowiednio 61,5 A przy lekkim obciążeniu i 46,3 A przy obciążeniu ciężkim. Częstotliwość wyjściowa dla falownika Altivar Process ATV900 wynosi 599 Hz. Inwerter ATV950D30N4E dysponuje 10 wejściami binarnymi, 2 wyjściami binarnymi, 3 wejściami analogowymi, 2 wyjściami analogowymi oraz 3 wyjściami przekaźnikowymi. Ponadto ATV900 dysponuje wejściem bezpieczeństwa STO. Komunikacja w falowniku ATV950D30N4E odbywa się protokołem Ethernet/IP i Modbus TCP. Przemiennik częstotliwości w wersji standardowej ATV950D30N4E został wyposażony w filtr EMC, rozłącznik oraz czoper hamowania. Falownik ATV950D30N4E posiada obudowę przystosowaną do montażu naściennego pionowego i stopniu ochrony IP55. Wymiary falownika ATV950 30kW wynoszą: 290 x 910 x 401 mm i wadze 52 kg. 

Opcjonalnie, producent Schneider Electric zaleca stosowanie do falownika ATV950D30N4E:

  • zestawu do montażu terminala operatorskiego - VW3A1112,
  • klucza do dokręcania nakrętek - ZB5AZ905,
  • rozgałęziacza MODBUS - LU9GC3,
  • trójnika Modbus - VW3A8306TF03,
  • terminatora Modbus - VW3A8306RC,
  • zestawu osłon metalicznych dla zachowania IP55 - VW3A1116.

Wejścia/Wyjścia
Wejścia binarne10
Wyjścia binarne2
Wyjścia przekaźnikowe3
Wejścia analogowe3
Wyjścia analogowe2
Napięcie wejść analogowych (V)0...10
Napięcie wyjść analogowych (V)0...10
Prąd wejść analogowych (mA)0...20 4...20
Prąd wyjść analogowych (mA)0...20
Częstotliwość wyjściowa (Hz)0...599
Rozdzielczość (bit)10 12
Komunikacja
KomunikacjaEthernet IP RJ45 Modbus/TCP RS485
Typ modułu
Rodzaj modułuPrzemiennik częstotliwości
Wymiary i waga
Głębokość (mm)401
Szerokość (mm)290
Wysokość (mm)910
Waga (kg)66
Zasilanie
Moc (kW)22 30
Napięcie zasilania (VAC)323...528
Liczba faz3-fazowy
Częstotliwość napięcia zasilającego (Hz)50...60
Prąd wyjściowy (A)61,5 46,3
Ogólne
SeriaATV900
Temperatura pracy (°C)-15...60
Stopień ochrony IP55

Napisz opinię

Proszę się zalogować lub zarejestrować aby obejrzeć
Tagi:

ATV950D30N4E, falownik ATV950D30N4E cena, Altivar Process ATV950D30N4E

Cenimy Twoją prywatność
Używamy plików cookie, aby ulepszyć komfort przeglądania, wyświetlać spersonalizowane reklamy lub treści oraz analizować ruch w naszej witrynie. Klikając „Akceptuj wszystkie”, wyrażasz zgodę na używanie przez nas plików cookie.