3-fazowy falownik 75 kW 3x400 VAC ATV610D75N4 Schneider Electric

Indywidualne ceny dostępne po zalogowaniu
Cena
16731,53
Cena brutto: 20579,78 zł
+
+
Ilość
+
Do koszyka
0 Opinii / Napisz opinię

Przemiennik częstotliwości Easy Altivar 610 75kW 

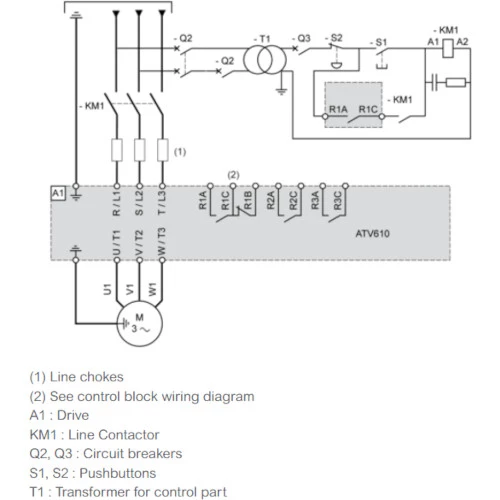
Falownik ATV610D75N4 Schneider Electric przeznaczony do pracy z trójfazowymi silnikami asynchronicznymi o mocy do 75 kW.  Przetwornik zasilany jest napięciem 3x380...460 VAC. Moc przemiennika ATV610D75N4 przy pracy ciężkiej wynosi 55kW, zaś przy pracy lekkiej to 75 kW. Prąd wejściowy tego inwertera to odpowiednio 147,9 A ND/115,8 A HD, zaś prąd wyjściowy 145 ND i 106 HD. Częstotliwość wyjściowa podana jest na 500 Hz, a znamionowa częstotliwość łączeniowa 4000 Hz. Komunikacja w falowniku Easy Altivar 610 odbywa się protokołem Modbus RTU po RS485. 3-fazowy falownik ATV610D75N4 został wyposażony w 6 wejść cyfrowych, 3 wyjścia przekaźnikowe, 3 wejścia analogowe prądowo-napięciowe oraz 1 wyjście analogowe prądowe i 1 wyjście analogowe napięciowe, z możliwości rozbudowy za pomocą kart rozszerzeń I/O. Schneider Electric zaleca stosowanie przy ATV610 ATV610D75N4 wyłącznika silnikowego NSX160-MA150 filtr du/dt VW3A5307 oraz zabezpieczenia 200A. Ponadto przetwornik został wyposażony w zabudowany filtr EMC C3.Dodatkowo Schneider Electric daje możliwość rozbudowy falownika za pomocą kart rozszerzeń. W przypadku przetwornika ATV610D75N4 dostępne są: karty rozszerzeń wejść/wyjść VW3A3203, VW3A3204 oraz karta komunikacyjna ProfibusDP VW3A3607.  Falownik ATV610D75N4 posiada obudowę o stopniu ochrony IP20 przystosowany a do montażu pionowego. Wymiary urządzenia to 762x290x323 mm, waga wynosi 53 kg. 

Wejścia/Wyjścia
Wejścia binarne6
Wyjścia przekaźnikowe2
Wejścia analogowe3
Wyjścia analogowe2
Napięcie wejść analogowych (V)0...10
Prąd wejść analogowych (mA)0...20
Częstotliwość wyjściowa (Hz)0,1...500
Rozdzielczość (bit)10
Komunikacja
KomunikacjaModbus/RTU RJ45 RS485
Typ modułu
Rodzaj modułuPrzemiennik częstotliwości
Wymiary i waga
Głębokość (mm)323
Szerokość (mm)290
Wysokość (mm)762
Waga (kg)53
Zasilanie
Moc (kW)55 75
Napięcie zasilania (VAC)323...506
Liczba faz3-fazowy
Częstotliwość napięcia zasilającego (Hz)47,5...63
Pobór prądu (A)115,8 147,9
Prąd wyjściowy (A)106 145
Filtr przeciwzakłóceniowyTak
Ogólne
SeriaATV610
Stopień ochrony IP20

Napisz opinię

Proszę się zalogować lub zarejestrować aby obejrzeć
Tagi:

ATV610D75N4, falownik 75 kW ATV610D75N4, Schneider ATV610D75N4 cena, 3-fazowy falownik ATV610D75N4

Produkty Powiązane

Cenimy Twoją prywatność
Używamy plików cookie, aby ulepszyć komfort przeglądania, wyświetlać spersonalizowane reklamy lub treści oraz analizować ruch w naszej witrynie. Klikając „Akceptuj wszystkie”, wyrażasz zgodę na używanie przez nas plików cookie.