3-fazowy falownik 18,5kW UMI-0185EE-B1 Unitronics

Zapraszamy do kontaktu z działem handlowym.

Zapytaj o produkt

+
1 Opinii / Napisz opinię

Przemiennik częstotliwości UMI-0185EE-B1 18,5kW Unitronics 

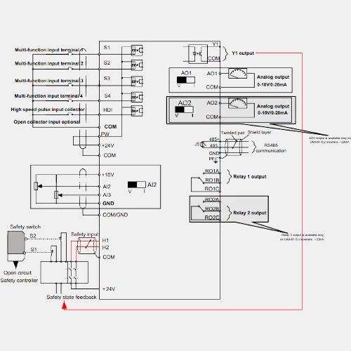
3-fazowy falownik UMI-0185EE-B1 marki Unitronics o mocy 18,5kW dedykowany do współpracy z 3-fazowymi silnikami asynchronicznymi. Przetwornik zasilany jest napięciem 3x400 VAC o częstotliwości 50/60Hz, natomiast częstotliwość wyjściowa mieści się w przedziale 0...400 Hz. Inverter UMI-B1 sterowany jest zarówno w sposób skalarny, jak i wektorowy. Prąd wejściowy falownika UMI-0150EE-B1 wynosi 47 A, a prąd wyjściowy 38A. Producent deklaruje przeciążalność falownika na poziomie 150%/60s, 180%/10s oraz 200%/1s. Falownik Unitronics UMI-B1 został wyposażony w 4 wejścia cyfrowe 1kHz, 1 wejście cyfrowe 50kHz,  1 wejście analogowe prądowo-napięciowe, 1 wejście napięciowe, 1 wyjście tranzystorowe, 2 wyjście przekaźnikowe oraz 2 wyjście analogowe prądowo-napięciowe. Dodatkowo ten model został wyposażony w zabudowane wejście bezpieczeństwa STO. Komunikacja odbywa się protokołem Modbus RTU po RS485.

W celu kontroli zakłóceń elektromagnetycznych wytwarzanych przez falownik do sieci producent zaleca stosowanie filtra wejściowego UMI-S0025, a w celu kontroli zakłóceń na wyjściu przemiennika zalecany jest filtr wyjściowy UMI-S0037. Wektorowy falownik UMI-0185BEE-B1 został wyposażony w zabudowany moduł hamowania co pozawala na bezpośrednie podłączenie rezystora hamowania o parametrach 27 Ohm 3000W np. UMI-S0061. Falownik posiada obudowę z tworzywa o stopniu ochrony IP20 przystosowaną do montażu na płycie montażowej oraz ścianie. Przemiennik częstotliwości  dedykowany jest do montażu wewnętrznego w pozycji pionowej. Inwerter powinien być zainstalowany z dala od źródła promieniowania elektromagnetycznego, promieni słonecznych, mgły olejowej, pary, a także wibracji. Wymiary przemiennika częstotliwości UMI-0185EE-B1 wynoszą: 340,6 x 200 x 184,3mm, waga 9kg. Temperatura w jakiej przetwornik może pracować mieści się w przedziale od -10 do 50 stopni Celsjusza.

Przykładem zastosowania falownika UMI-B1 Unitronics są aplikacje pompowe, dozowniki, transportery, kompresory czy aplikacje wentylatorowe.


Schemat podłączenia falownika UMI-0185EE-B1 Unitronocs



Wejścia/Wyjścia
Wejścia binarne5
Wyjścia tranzystorowe1
Wyjścia przekaźnikowe2
Wejścia analogowe2
Wyjścia analogowe2
Napięcie wejść analogowych (V)0...10
Napięcie wyjść analogowych (V)0...10
Prąd wejść analogowych (mA)0...20
Prąd wyjść analogowych (mA)0...20
Częstotliwość wyjściowa (Hz)0...400
Komunikacja
KomunikacjaModbus/RTU RS485
Typ modułu
Rodzaj modułuPrzemiennik częstotliwości
Wymiary i waga
Głębokość (mm)184,3
Szerokość (mm)200
Wysokość (mm)340,6
Waga (kg)9
Zasilanie
Moc (kW)18,5
Napięcie zasilania (VAC)400
Liczba faz3-fazowy
Częstotliwość napięcia zasilającego (Hz)50...60
Pobór prądu (A)47
Prąd wyjściowy (A)38
Ogólne
SeriaUMI-EU-B1
SterowanieSkalarne Wektorowe
Temperatura pracy (°C)-10...50
Stopień ochrony IP20

Napisz opinię

Proszę się zalogować lub zarejestrować aby obejrzeć
Tagi:

UMI-0185EE-B1, Unitronics UMI-0185EE-B1, falownik 18, 5 kW UMI-0185EE-B1 cena

Produkty Powiązane

Cenimy Twoją prywatność
Używamy plików cookie, aby ulepszyć komfort przeglądania, wyświetlać spersonalizowane reklamy lub treści oraz analizować ruch w naszej witrynie. Klikając „Akceptuj wszystkie”, wyrażasz zgodę na używanie przez nas plików cookie.