3-fazowy falownik 15 kW 3x400 VAC ATV610D15N4 Schneider Electric

Indywidualne ceny dostępne po zalogowaniu
Cena
4773,23
Cena brutto: 5871,07 zł
+
+
Ilość
+
Do koszyka
0 Opinii / Napisz opinię

Przemiennik częstotliwości Easy Altivar 610 15kW 

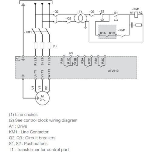
Falownik ATV610D15N4 Schneider Electric przeznaczony do pracy z trójfazowymi silnikami asynchronicznymi o mocy do 15 kW.  Przetwornik zasilany jest napięciem 3x380...460 VAC. Moc przemiennika ATV610D15N4 przy pracy ciężkiej wynosi 11kW, zaś przy pracy lekkiej to 15 kW. Prąd wejściowy tego inwertera to odpowiednio 29,4 A ND/23A HD, zaś prąd wyjściowy 31,7A ND i 23,5 HD. Częstotliwość wyjściowa podana jest na 500 Hz, a znamionowa częstotliwość łączeniowa 4000 Hz. Komunikacja w falowniku Easy Altivar 610 odbywa się protokołem Modbus RTU po RS485. 3-fazowy falownik ATV610D15N4 został wyposażony w 6 wejść cyfrowych, 3 wyjścia przekaźnikowe, 3 wejścia analogowe prądowo-napięciowe oraz 1 wyjście analogowe prądowe i 1 wyjście analogowe napięciowe, z możliwości rozbudowy za pomocą kart rozszerzeń I/O. Schneider Electric zaleca stosowanie przy ATV610 ATV610D15N4 wyłącznika silnikowego GV2L32 filtr du/dt VW3A5303 oraz zabezpieczenia 50A. Ponadto przetwornik został wyposażony w zabudowany filtr EMC C3. Dodatkowo Schneider Electric daje możliwość rozbudowy falownika za pomocą kart rozszerzeń. W przypadku przetwornika ATV610D15N4 dostępne są: karty rozszerzeń wejść/wyjść VW3A3203, VW3A3204 oraz karta komunikacyjna ProfibusDP VW3A3607. Falownik ATV610D11N4 posiada obudowę o stopniu ochrony IP20 przystosowany a do montażu pionowego. Wymiary urządzenia to 360x171x233 mm, waga wynosi 7,730 kg. 

Wejścia/Wyjścia
Wejścia binarne6
Wyjścia przekaźnikowe2
Wejścia analogowe3
Wyjścia analogowe2
Napięcie wejść analogowych (V)0...10
Prąd wejść analogowych (mA)0...20
Częstotliwość wyjściowa (Hz)0,1...500
Rozdzielczość (bit)10
Komunikacja
KomunikacjaModbus/RTU RJ45 RS485
Typ modułu
Rodzaj modułuPrzemiennik częstotliwości
Wymiary i waga
Głębokość (mm)203
Szerokość (mm)171
Wysokość (mm)360
Waga (kg)7,730
Zasilanie
Moc (kW)11 15
Napięcie zasilania (VAC)323...506
Liczba faz3-fazowy
Częstotliwość napięcia zasilającego (Hz)47,5...63
Pobór prądu (A)29,4 23
Prąd wyjściowy (A)23,5 31,7
Filtr przeciwzakłóceniowyTak
Ogólne
SeriaATV610
Stopień ochrony IP20

Napisz opinię

Proszę się zalogować lub zarejestrować aby obejrzeć
Tagi:

ATV610D15N4, falownik 15 kW ATV610D15N4, Schneider ATV610D15N4 cena, 3-fazowy falownik ATV610D15N4

Produkty Powiązane

Cenimy Twoją prywatność
Używamy plików cookie, aby ulepszyć komfort przeglądania, wyświetlać spersonalizowane reklamy lub treści oraz analizować ruch w naszej witrynie. Klikając „Akceptuj wszystkie”, wyrażasz zgodę na używanie przez nas plików cookie.