
Falowniki VLG3 Lovato Electric
Przemienniki częstotliwości VLG3 Lovato
Falowniki serii VLG3 firmy LOVATO Electric to nowoczesne przemienniki częstotliwości zaprojektowane z myślą o wszechstronnym zastosowaniu w przemyśle. Charakteryzują się kompaktową budową, łatwością montażu oraz zaawansowanymi funkcjami sterowania silnikami.
Charakterystyka falowników VLG3
-
Zakres mocy: od 0,4 kW do 22 kW
-
Zasilanie: trójfazowe 380...480 V AC, 50/60 Hz
-
Częstotliwość wyjściowa: 0...400 Hz
-
Stopień ochrony: IP20
-
Temperatura pracy: od -10°C do +40°C. W przypadku obniżenia parametrów do +50°C.
-
Montaż: na szynie DIN lub za pomocą śrub, z możliwością instalacji jeden obok drugiego
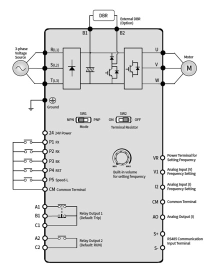
Schemat podłączenia VLG3

Interfejs i komunikacja VLG3 LOVATO
-
Panel przedni: klawiatura z 7-segmentowym wyświetlaczem LED oraz potencjometr,
-
Złącze RJ45: umożliwia podłączenie urządzeń peryferyjnych. Przykładem takich produktów jest: opcjonalna klawiatura zdalna czy komputer z oprogramowaniem VLGXSW,
-
Port szeregowy RS485: wbudowany interfejs komunikacyjny, obsługujący protokół Modbus RTU. Pozwala on na komunikację z urządzeniami nadrzędnymi (PLC, HMI, SCADA). Dedykowany do sieci przemysłowych opartych na magistrali szeregowej.
-
Opcjonalny port Ethernet: z protokołem Modbus TCP/IP. W tym przypadku wymagane jest zainstalowanie korty komunikacyjnej VLGL01.
Przemienniki częstotliwości serii VLG3 charakterystyka wejść/wyjść.
-
Wejścia cyfrowe: 5 programowalnych,
-
Wejścia analogowe: 2 (napięciowe 0...10 V DC lub -10...+10 V DC oraz prądowe 0/4...20 mA),
-
Wyjścia przekaźnikowe: 2 (jedno ze zestykiem C/O i jedno ze zestykiem NO),
-
Wyjście analogowe: 1 napięciowe 0...10 V DC
Falowniki tej serii zostały wyposażone w szereg zabezpieczeń. Poniżej lista zaimplementowanych zabezpieczeń:
-
Zanik fazy,
-
Przeciążenie termiczne silnika (I²t),
-
Przegrzanie napędu i silnika,
-
Inwersja obrotów,
-
Zwarcie na wyjściu i zwarcie doziemne.
Ponadto 3-fazowe przemienniki częstotliwości VLG3 dysponują następującymi funkcjami:
-
Lotny start,
-
Kontrola prędkości,
-
Krzywa S,
-
Stały lub zmienny moment obrotowy V/f,
-
Kontrola wektorowa w pętli otwartej,
-
Hamowanie obwodem DC oraz załączanie obwodu DC podczas rozruchu,
-
Regulator PID z progami uśpienia oraz wzbudzenia,
-
Wzmocnienie momentu obrotowego,
-
Tryb pracy w układzie gaszenia Falowniki.
Modele falowników Lovato Electric VLG3 LOVATO:
- VLG30004A480 - 0,4 kW
- VLG30007A480 - 0,75 kW
- VLG30015A480 - 1,5 kW
- VLG30022A480 - 2,2 kW
- VLG30040A480 - 4 kW
- VLG30055A480 - 5,5 kW
- VLG30075A480 - 7,5 kW
- VLG30110A480 - 11 kW
- VLG30150A480 - 15 kW
- VLG30220A480 - 22 kW
Urządzenia te dostępne są w 6 wielkościach. Odpowiednio falowniki o mocy 400 W oraz 750 W mają taką samą wielkość obudowy, następna wielkość przeznaczona jest do 1,5 kW oraz 2,2 kW. Przemienniki 4kW to 3 wielkość obudowy, następnie 5, i 7,5 kW, później 11kW oraz 15kW. Ostatnią wielkość stanowi falownik o mocy 22kW.

Akcesoria do falowników VLG3 od Lovato
Producent oferuje szereg urządzeń peryferyjnych do tych falowników. Oferta obejmuje między innymi:
- przewód konwertera,
- zdalną klawiaturę,
- moduł komunikacyjny,
- dławiki,
- rezystory hamowania,
- potencjometr.
Tabela z doborem rezystorów hamowania dla przetworników VLG3

Tabela z doborem przewodów dla inwerterów Lovato VLG3

Zastosowanie 3-fazowych falowników VLG3 Lovato
Urządzenia te znalazły szerokie zastosowanie w aplikacjach napędowych automatyki przemysłowej. Wykorzystywane są w wielu branżach, takich jak automatyka przemysłowa i produkcja maszyn. Bogata oferta produktów obejmująca falowniki oraz zaawansowane funkcje czy bogate możliwości komunikacyjne sprawiają, iż są to uniwersalne urządzenia. Falowniki te zostały stworzone z myślą o obsłudze wielu aplikacji przemysłowych, które wymagają regulacji prędkości silników. Współpracują z silnikami trójfazowymi asynchronicznymi i oferują optymalizację procesów produkcyjnych.
Aplikacje napędowe, w których sprawdza się przemiennik VLG3:
Pompy i wentylatory
-
Regulacja prędkości obrotowej w zależności od zapotrzebowania
-
Oszczędność energii dzięki trybowi pracy ze zmiennym momentem obrotowym (V/f)
-
Wbudowany regulator PID do utrzymywania ciśnienia lub przepływu
Przenośniki taśmowe i transportery
-
Płynny rozruch i zatrzymanie (funkcja krzywej S)
-
Precyzyjna kontrola prędkości
-
Możliwość zastosowania lotnego startu, czyli przejęcia już obracającego się silnika
Maszyny produkcyjne (np. w przemyśle tekstylnym, spożywczym, papierniczym):
-
Zmienna prędkość pracy zależnie od cyklu produkcyjnego
-
Wbudowana funkcja kontroli wektorowej umożliwia stabilne działanie przy zmiennym obciążeniu
Maszyny narzędziowe:
-
Stabilna praca przy różnych obrotach
-
Wysoka precyzja kontroli momentu obrotowego
Systemy recyklingu oraz przesiewacze
-
Odporność na trudne warunki pracy.
-
Zabezpieczenia przed przeciążeniem i zwarciem.
Przemienniki częstotliwości Lovato Electric serii VLG3 sprawdzają się zarówno w prostych aplikacjach napędowych, jak i również zaawansowanych aplikacjach napędowych.




