Trójfazowy falownik 3x400VAC 4 kW UMI-0040EU-B7 Unitronics

Zapraszamy do kontaktu z działem handlowym.

Zapytaj o produkt

+
0 Opinii / Napisz opinię

Falownik UMI-B7 Unitronics 4 kW 3x400VAC 

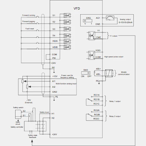
3-fazowy falownik UMI-0040EU-B7 Unitronics o mocy 4 kW przeznaczony do pracy z trójfazowymi silnikami asynchronicznymi oraz synchronicznymi z magnesami trwałymi. Wektorowy falownik Unitronics UMI-B7 UMI-0040EU-B7 zasilany jest napięciem 380...480V AC o częstotliwości 47...63 Hz. Prąd wyjściowy falownika Unitronics UMI-B7 5HP wynosi 9,5 A. Natomiast prąd wejściowy oscyluje wokół 13,5A. Częstotliwość wyjściowa falownika UMI-0040EU-B7 szacowana jest na poziomie 0...400 Hz. Trójfazowy przemiennik częstotliwości Unitronics UMI-0040EU-B7 posiada: 6 wejść cyfrowych, 2 wejścia analogowe, 2 wyjścia przekaźnikowe, 2 wyjście cyfrowe oraz 1 wyjścia analogowe. Ponadto urządzenie to zostało wyposażone w wejście bezpieczeństwa STO SIL2. Przemiennik częstotliwości UMI-0040EU-B7 dysponuje wbudowaną magistralą komunikacyjną Modbus RTU po RS485. Wymiary falownika UMI-B7 UMI-0040EU-B7 to: 256 x 146 x 192 mm.

Wejścia/Wyjścia
Wejścia binarne6
Wyjścia binarne2
Wyjścia przekaźnikowe2
Wejścia analogowe2
Wyjścia analogowe1
Napięcie wejść analogowych (V)0...10 -10...10
Napięcie wyjść analogowych (V)0...10
Prąd wejść analogowych (mA)0...20
Prąd wyjść analogowych (mA)0...20
Częstotliwość wyjściowa (Hz)0...400
Komunikacja
KomunikacjaModbus RTU RS-485
Typ modułu
Rodzaj modułuPrzemiennik częstotliwości
Wymiary i waga
Głębokość (mm)192
Szerokość (mm)146
Wysokość (mm)256
Zasilanie
Moc (kW)4
Napięcie zasilania (VAC)380...480
Liczba faz3-fazowy
Częstotliwość napięcia zasilającego (Hz)47...63
Pobór prądu (A)13,5
Prąd wyjściowy (A)9,5
Ogólne
SeriaUMI-B7
SterowanieWektorowe
Temperatura pracy (°C)-10...50
Stopień ochrony IP20

Napisz opinię

Proszę się zalogować lub zarejestrować aby obejrzeć
Tagi:

UMI-0040EU-B7, Unitronics UMI-0040EU-B7 cena, 3-fazowy falownik Unitronics 4 kW, falownik UMI-B7 UMI-0040EU-B7

Cenimy Twoją prywatność
Używamy plików cookie, aby ulepszyć komfort przeglądania, wyświetlać spersonalizowane reklamy lub treści oraz analizować ruch w naszej witrynie. Klikając „Akceptuj wszystkie”, wyrażasz zgodę na używanie przez nas plików cookie.