Trójfazowy falownik 3x400VAC 11 kW UMI-0110EU-B7 Unitronics

Zapraszamy do kontaktu z działem handlowym.

Zapytaj o produkt

+
0 Opinii / Napisz opinię

Falownik UMI-B7 Unitronics 11 kW 3x400VAC 

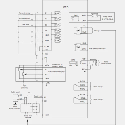
3-fazowy falownik UMI-0110EU-B7 Unitronics o mocy 11 kW przeznaczony do pracy z trójfazowymi silnikami asynchronicznymi oraz synchronicznymi z magnesami trwałymi. Wektorowy falownik Unitronics UMI-B7 UMI-0110EU-B7 zasilany jest napięciem 380...480V AC o częstotliwości 47...63 Hz. Prąd wyjściowy falownika Unitronics UMI-B7 15HP wynosi 25 A. Natomiast prąd wejściowy oscyluje wokół 32A. Częstotliwość wyjściowa falownika UMI-0110EU-B7 szacowana jest na poziomie 0...400 Hz. Trójfazowy przemiennik częstotliwości Unitronics UMI-0110EU-B7 posiada: 6 wejść cyfrowych, 2 wejścia analogowe, 2 wyjścia przekaźnikowe, 2 wyjście cyfrowe oraz 1 wyjścia analogowe. Ponadto urządzenie to zostało wyposażone w wejście bezpieczeństwa STO SIL2. Przemiennik częstotliwości UMI-0110EU-B7 dysponuje wbudowaną magistralą komunikacyjną Modbus RTU po RS485. Wymiary falownika UMI-B7 UMI-0110EU-B7 to: 320 x 170 x 219 mm.

Wejścia/Wyjścia
Wejścia binarne6
Wyjścia binarne2
Wyjścia przekaźnikowe2
Wejścia analogowe2
Wyjścia analogowe1
Napięcie wejść analogowych (V)0...10 -10...10
Napięcie wyjść analogowych (V)0...10
Prąd wejść analogowych (mA)0...20
Prąd wyjść analogowych (mA)0...20
Częstotliwość wyjściowa (Hz)0...400
Komunikacja
KomunikacjaModbus RTU RS-485
Typ modułu
Rodzaj modułuPrzemiennik częstotliwości
Wymiary i waga
Głębokość (mm)219
Szerokość (mm)170
Wysokość (mm)320
Zasilanie
Moc (kW)11
Napięcie zasilania (VAC)380...480
Liczba faz3-fazowy
Częstotliwość napięcia zasilającego (Hz)47...63
Pobór prądu (A)32
Prąd wyjściowy (A)25
Ogólne
SeriaUMI-B7
SterowanieWektorowe
Temperatura pracy (°C)-10...50
Stopień ochrony IP20

Napisz opinię

Proszę się zalogować lub zarejestrować aby obejrzeć
Tagi:

UMI-0110EU-B7, Unitronics UMI-0110EU-B7 cena, 3-fazowy falownik Unitronics 11 kW, falownik UMI-B7 UMI-0110EU-B7

Cenimy Twoją prywatność
Używamy plików cookie, aby ulepszyć komfort przeglądania, wyświetlać spersonalizowane reklamy lub treści oraz analizować ruch w naszej witrynie. Klikając „Akceptuj wszystkie”, wyrażasz zgodę na używanie przez nas plików cookie.