Trójfazowy falownik 220kW 400VAC GA70C4453BBA Yaskawa

  • Producent: Yaskawa
  • Kod Produktu:GA70C4453BBA
Zapraszamy do kontaktu z działem handlowym.

Zapytaj o produkt

+
0 Opinii / Napisz opinię

Wektorowy falownik GA700 Yaskawa 220 kW 

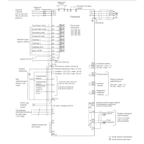
3-fazowy falownik GA70C4453BBA produkcji Yaskawa o mocy 220kW HD/250kW ND kW. Przemiennik GA700 przeznaczony jest do trójfazowych silników. GA70C4453BBA zasilany jest napięciem mieszczącym się w przedziale 380...480V AC o częstotliwości 47,5…63 Hz. Prąd wyjściowy plasuje się na poziomie 414A HD/453A ND A. Częstotliwość wyjścia tego invertera oscyluje wokół 0...590Hz. 3-fazowy falownik GA700 Yaskawa wyposażony jest w: 8 wejść cyfrowych,3 wejścia analogowe prądowo-napięciowe, 1 wejście impulsowe, 4 wyjścia binarne, 2 wyjścia analogowe prądowo-napięciowe oraz 1 wyjście impulsowe. Falownik GA70C4453BBA z wbudowanym filtrem EMC dysponuje komunikacją Modbus po RS485. 3-fazowy falownik 4453 posiada stopień ochrony IP20. Konfiguracja odbywa się przy pomocy oprogramowania DriveWizard® i DriveWorksEZ®. Wymiary falownika Yaskawa to: 1140 x 510 x 480 mm. Waga urządzenia wynosi 198kg.

Wejścia/Wyjścia
Wejścia binarne8
Wyjścia binarne4
Wejścia analogowe2
Wyjścia analogowe3
Napięcie wejść analogowych (V)0...10 -10...10
Napięcie wyjść analogowych (V)-10...10 0..10
Prąd wejść analogowych (mA)0...20 4...20
Prąd wyjść analogowych (mA)4...20
Częstotliwość wyjściowa (Hz)0...590
Komunikacja
KomunikacjaModbus RS485
Typ modułu
Rodzaj modułuPrzemiennik częstotliwości
Wymiary i waga
Głębokość (mm)480
Szerokość (mm)510
Wysokość (mm)1140
Waga (kg)198
Zasilanie
Moc (kW)220 250
Napięcie zasilania (VAC)380...480
Liczba faz3-fazowy
Częstotliwość napięcia zasilającego (Hz)47,5...63
Prąd wyjściowy (A)414 453
Ogólne
SeriaGA700
SterowanieWektorowe
Temperatura pracy (°C)-10...50
Stopień ochrony IP20

Napisz opinię

Proszę się zalogować lub zarejestrować aby obejrzeć
Tagi:

GA70C4453BBA, Yaskawa GA70C4453BBA, falownik GA70C4453BBA, falownik 220kW cena, Yaskawa 220 kW, GA700 4453

Cenimy Twoją prywatność
Używamy plików cookie, aby ulepszyć komfort przeglądania, wyświetlać spersonalizowane reklamy lub treści oraz analizować ruch w naszej witrynie. Klikając „Akceptuj wszystkie”, wyrażasz zgodę na używanie przez nas plików cookie.