Softstart 17A 3x400 VAC ATS480D17Y Schneider Electric

Indywidualne ceny dostępne po zalogowaniu
Cena
4022,09
Cena brutto: 4947,17 zł
+
+
Ilość
+
Do koszyka
0 Opinii / Napisz opinię

Soft starter 17A ATS480D17Y Schneider Electric 

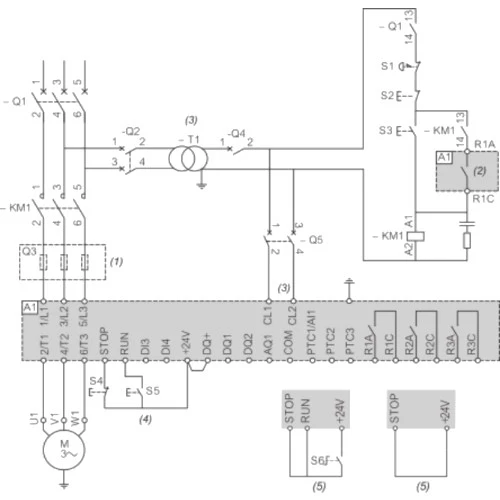
3-fazowy układ łagodnego rozruchu ATS480D17Y serii ATS480 Altivar marki Schneider Electric. Softstarter ATS480D17 17 A współgra z silnikami o mocy od 4 kW do 15 kW. Trójfazowy soft starter o częstotliwości zasilania 50...60Hz, oraz napięciu zasilania 208...690 VAC. Prąd znamionowy tego urządzenia wynosi 17A ND/ 12A HD, natomiast znamionowe napięcie udarowe wytrzymywane jest równe 6kV. Napięcie sterujące urządzenia łagodnego rozruchu jest równe 24 VDC. Softstart ATS480D17Y wyposażony jest w komunikację Modbus RTU oraz porty RJ45, RS485. Temperatura pracy ATS480D17Y wynosi -15…+60 °C.
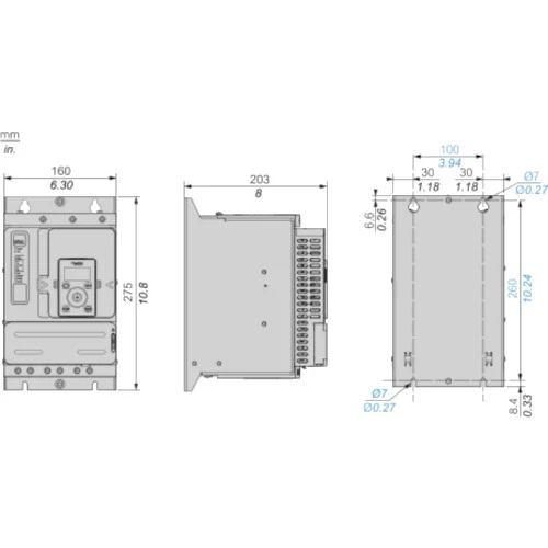
Softarter ATS480 jest zaopatrzony w stopień ochrony IP20. Wymiary układu łagodnego rozruchu ATS480D17Y: 275mm x160mm x 203mm, natomiast jego waga to 4,9 kg. Softstart ATS480 Altivar można rozbudować o: moduł komunikacyjny dla Profibus DP V1, moduł komunikacyjny dla Profinet, moduł komunikacyjny dla Modbus TCP/EtherNet/IP, moduł komunikacyjny dla kaskada CANopen, moduł komunikacyjny dla CANopen Sub-D oraz moduł komunikacyjny dla CANopen open style.

Akcesoria zalecane przez producenta do układu łagodnego rozruchu ATS480D17Y:

  • Karta komunikacji VW3A3720,
  • Uniwersalny interfejs Wifi automatyki TCSEGWB131W,
  • Terminal operatorski VW3A1111,
  • Podstawowy zestaw do montażu klawiatury na drzwiach VW3A1114,
  • Kabel do montażu zewnętrznego terminala operatorskiego VW3A1104R30,
  • Adapter żeński RJ45 VW3A1105,
  • Przewód programowania TCSMCNAM3M002P.


Wejścia/Wyjścia
Wejścia binarne4
Wyjścia binarne2
Wyjścia przekaźnikowe3
Wejścia analogowe1
Wyjścia analogowe1
Napięcie wyjść analogowych (V)0...10
Obsługa czujnikówPT100 PTC
Prąd wyjść analogowych (mA)0...20
Komunikacja
KomunikacjaRJ45 Modbus/RTU RS485
Typ modułu
Rodzaj modułuSoftstarty
Wymiary i waga
Głębokość (mm)203
Szerokość (mm)160
Wysokość (mm)275
Waga (kg)4,9
Zasilanie
Moc (kW)2,2 11 7,5 15 5,5 9 4
Napięcie zasilania (VAC)176,8...759
Napięcie zasilania (VDC)24
Częstotliwość napięcia zasilającego (Hz)40...72
Prąd wyjściowy (A)12 17
Ogólne
SeriaATS480
Temperatura pracy (°C)-15...60
Stopień ochrony IP20

Napisz opinię

Proszę się zalogować lub zarejestrować aby obejrzeć
Tagi:

softstart ATS480D17Y cena, układ łagodnego rozruchu ATS480D17Y, ATS480 Schneider Electric

Cenimy Twoją prywatność
Używamy plików cookie, aby ulepszyć komfort przeglądania, wyświetlać spersonalizowane reklamy lub treści oraz analizować ruch w naszej witrynie. Klikając „Akceptuj wszystkie”, wyrażasz zgodę na używanie przez nas plików cookie.