Softstart 140A 3x400 VAC ATS480C14Y Schneider Electric

Indywidualne ceny dostępne po zalogowaniu
Cena
10834,40
Cena brutto: 13326,31 zł
+
+
Ilość
+
Do koszyka
0 Opinii / Napisz opinię

Soft starter 140A ATS480C14Y Schneider Electric 

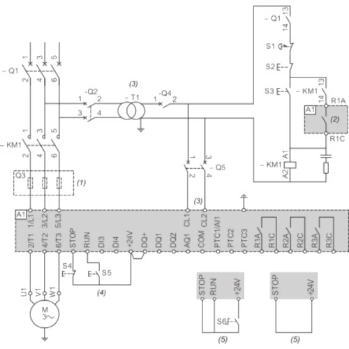
3-fazowy układ łagodnego rozruchu ATS480C14Y serii ATS480 Altivar marki Schneider Electric. Softstarter ATS480C14Y 140 A współgra z silnikami o mocy od 37 kW do 110 kW. Trójfazowy soft starter o częstotliwości zasilania 50...60Hz, oraz napięciu zasilania 208...690 VAC. Prąd znamionowy tego urządzenia wynosi 140A ND/ 110A HD, natomiast znamionowe napięcie udarowe wytrzymywane jest równe 6kV. Napięcie sterujące urządzenia łagodnego rozruchu jest równe 24 VDC. Softstart ATS480C14Y wyposażony jest w komunikację Modbus RTU oraz porty RJ45, RS485. Temperatura pracy ATS480C14Y wynosi -15…+40 °C.
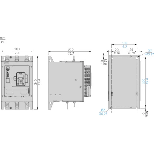
Softarter ATS480 jest zaopatrzony w stopień ochrony IP20. Wymiary układu łagodnego rozruchu ATS480C14Y: 340mm x 200mm x 272mm, natomiast jego waga to 12,4 kg. Softstart ATS480 Altivar można rozbudować o: moduł komunikacyjny dla Profibus DP V1, moduł komunikacyjny dla Profinet, moduł komunikacyjny dla Modbus TCP/EtherNet/IP, moduł komunikacyjny dla kaskada CANopen, moduł komunikacyjny dla CANopen Sub-D oraz moduł komunikacyjny dla CANopen open style.

Akcesoria zalecane przez producenta do układu łagodnego rozruchu ATS480C14Y:

  • Karta komunikacji VW3A3720,
  • Uniwersalny interfejs Wifi automatyki TCSEGWB131W,
  • Terminal operatorski VW3A1111,
  • Podstawowy zestaw do montażu klawiatury na drzwiach VW3A1114,
  • Kabel do montażu zewnętrznego terminala operatorskiego VW3A1104R30,
  • Adapter żeński RJ45 VW3A1105,
  • Przewód programowania TCSMCNAM3M002P,
  • Dławik liniowy do Altistart 48 VZ1L150U170T,
  • Osłona do stycznika LC1F150 LA9F702.


Wejścia/Wyjścia
Wejścia binarne4
Wyjścia binarne2
Wyjścia przekaźnikowe3
Wejścia analogowe1
Wyjścia analogowe1
Napięcie wyjść analogowych (V)0...10
Obsługa czujnikówPT100 PTC
Prąd wyjść analogowych (mA)0...20
Komunikacja
KomunikacjaRJ45 Modbus/RTU RS485
Typ modułu
Rodzaj modułuSoftstarty
Wymiary i waga
Głębokość (mm)272
Szerokość (mm)200
Wysokość (mm)340
Waga (kg)12,4
Zasilanie
Moc (kW)110 90 37 45 55 75 30
Napięcie zasilania (VAC)176,8...759
Napięcie zasilania (VDC)24
Częstotliwość napięcia zasilającego (Hz)40...72
Prąd wyjściowy (A)110 140
Ogólne
SeriaATS480
Temperatura pracy (°C)-15...40
Stopień ochrony IP20

Napisz opinię

Proszę się zalogować lub zarejestrować aby obejrzeć
Tagi:

softstart ATS480C14Y cena, układ łagodnego rozruchu ATS480C14Y, ATS480 Schneider Electric

Cenimy Twoją prywatność
Używamy plików cookie, aby ulepszyć komfort przeglądania, wyświetlać spersonalizowane reklamy lub treści oraz analizować ruch w naszej witrynie. Klikając „Akceptuj wszystkie”, wyrażasz zgodę na używanie przez nas plików cookie.