Softstart 1200A 3x400 VAC ATS480M12Y Schneider Electric

Indywidualne ceny dostępne po zalogowaniu
Cena
62526,59
Cena brutto: 76907,71 zł
+
+
Ilość
+
Do koszyka
0 Opinii / Napisz opinię

Soft starter 1200A ATS480M12Y Schneider Electric 

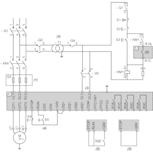
3-fazowy układ łagodnego rozruchu ATS480M12Y serii ATS480 Altivar marki Schneider Electric. Softstarter ATS480M12Y 1200 A współgra z silnikami o mocy od 355 kW do 900 kW. Trójfazowy soft starter o częstotliwości zasilania 50...60Hz, oraz napięciu zasilania 208...690 VAC. Prąd znamionowy tego urządzenia wynosi 1200A ND/ 1000A HD, natomiast znamionowe napięcie udarowe wytrzymywane jest równe 6kV. Napięcie sterujące urządzenia łagodnego rozruchu jest równe 24 VDC. Softstart ATS480M12Y wyposażony jest w komunikację Modbus RTU oraz porty RJ45, RS485. Temperatura pracy ATS480M12Y wynosi -15…+40 °C.
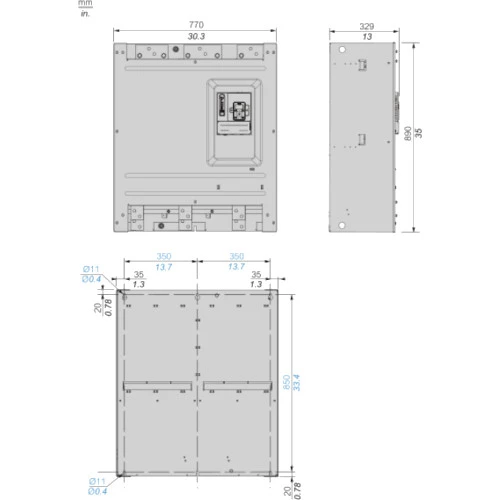
Softarter ATS480 jest zaopatrzony w stopień ochrony IP20. Wymiary układu łagodnego rozruchu ATS480M12Y: 890mm x 770mm x 329mm, natomiast jego waga to 115 kg. Softstart ATS480 Altivar można rozbudować o: moduł komunikacyjny dla Profibus DP V1, moduł komunikacyjny dla Profinet, moduł komunikacyjny dla Modbus TCP/EtherNet/IP, moduł komunikacyjny dla kaskada CANopen, moduł komunikacyjny dla CANopen Sub-D oraz moduł komunikacyjny dla CANopen open style.

Akcesoria zalecane przez producenta do układu łagodnego rozruchu ATS480M12Y:

  • Karta komunikacji VW3A3720,
  • Uniwersalny interfejs Wifi automatyki TCSEGWB131W,
  • Terminal operatorski VW3A1111,
  • Podstawowy zestaw do montażu klawiatury na drzwiach VW3A1114,
  • Kabel do montażu zewnętrznego terminala operatorskiego VW3A1104R30,
  • Adapter żeński RJ45 VW3A1105,
  • Przewód programowania TCSMCNAM3M002P.


Wejścia/Wyjścia
Wejścia binarne4
Wyjścia binarne2
Wyjścia przekaźnikowe3
Wejścia analogowe1
Wyjścia analogowe1
Napięcie wyjść analogowych (V)0...10
Obsługa czujnikówPT100 PTC
Prąd wyjść analogowych (mA)0...20
Komunikacja
KomunikacjaRJ45 Modbus/RTU RS485
Typ modułu
Rodzaj modułuSoftstarty
Wymiary i waga
Głębokość (mm)329
Szerokość (mm)770
Wysokość (mm)890
Waga (kg)115
Zasilanie
Moc (kW)710 630 900 355 800 500 250
Napięcie zasilania (VAC)176,8...759
Napięcie zasilania (VDC)24
Częstotliwość napięcia zasilającego (Hz)40...72
Prąd wyjściowy (A)1200 1000
Ogólne
SeriaATS480
Temperatura pracy (°C)-15...40
Stopień ochrony IP20

Napisz opinię

Proszę się zalogować lub zarejestrować aby obejrzeć
Tagi:

softstart ATS480M12Y cena, układ łagodnego rozruchu ATS480M12Y, ATS480 Schneider Electric

Cenimy Twoją prywatność
Używamy plików cookie, aby ulepszyć komfort przeglądania, wyświetlać spersonalizowane reklamy lub treści oraz analizować ruch w naszej witrynie. Klikając „Akceptuj wszystkie”, wyrażasz zgodę na używanie przez nas plików cookie.