
Falowniki SINAMICS G220 Siemens
SINAMICS G220 – Nowa generacja przemienników częstotliwości od Siemens
SINAMICS G220 to innowacyjna seria przemienników częstotliwości stworzona przez firmę Siemens, odpowiadająca na rosnące wymagania przemysłu w zakresie automatyzacji, wydajności i elastyczności. Dzięki nowoczesnej architekturze i zaawansowanym funkcjom diagnostycznym G220 idealnie sprawdza się w aplikacjach takich jak transport materiałów, pompy, wentylatory, sprężarki, a także w systemach produkcyjnych o wysokiej dynamice.

Kluczowe cechy i zalety SINAMICS G220 Siemens:
-
Napięcie zasilania: 3 × 380...480 V AC (±10%), 50/60 Hz
-
Zakres mocy: od 0,75 kW do 55 kW (w zależności od wersji i układu chłodzenia)
-
Sterowanie silnikiem:
-
V/f (napięciowo-częstotliwościowe),
-
Sensorless Vector Control (SLVC)
-
Vector Control z Enkoderem,
-
Obsługa silników asynchronicznych i synchronicznych (w tym PMSM i reluktancyjnych)
-
-
Stopień ochrony:
-
Standardowo IP20 (do montażu w szafie)
-
Opcjonalnie IP55 (zintegrowane rozwiązania)
-
-
Temperatura pracy: od -10°C do +50°C bez deratingu
-
Zintegrowane funkcje bezpieczeństwa:
-
STO (Safe Torque Off), SS1, SLS, SDI, SSM – zgodność z SIL 2/3, PL d/e
-
-
Interfejsy komunikacyjne (modularne, w zależności od wersji):
-
PROFINET, EtherNet/IP, EtherCAT, Modbus TCP, OPC UA
-
-
Zgodność z TIA Portal i SINAMICS Startdrive – uproszczone uruchamianie i integracja z systemami sterowania
-
Zdalne monitorowanie i diagnostyka przez chmurę (np. MindSphere) i protokoły IIoT
-
Energooszczędność: wbudowana funkcja odzysku energii (regeneracja), wsparcie dla EN 50598-2
-
Opcje chłodzenia:
-
Chłodzenie standardowe (powietrzem)
-
Chłodzenie wodne (dla wysokich mocy i aplikacji specjalnych)
-

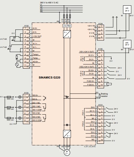
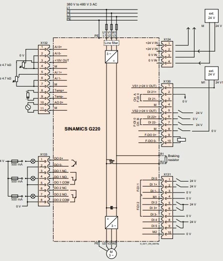
Schemat falowników SINAMICS G220 Siemens

Zastosowanie falowników SINAMICS G220
Falowniki SINAMICS G220 zostały zaprojektowane z myślą o wymagających aplikacjach przemysłowych, które wymagają wysokiej precyzji sterowania, energooszczędności oraz integracji z nowoczesnymi systemami automatyki. Dzięki wszechstronności, zaawansowanym funkcjom i dużemu zakresowi mocy, G220 znajduje zastosowanie w wielu branżach.

Przykładowe zastosowania:
1. Transport i logistyka wewnętrzna
-
Napęd przenośników taśmowych, rolkowych i łańcuchowych
-
Systemy sortujące w magazynach i centrach dystrybucji
-
Zautomatyzowane systemy składowania i pobierania (AS/RS)
Korzyści: precyzyjne sterowanie prędkością i momentem, łagodny rozruch i hamowanie, funkcje bezpieczeństwa (np. STO) bez dodatkowych komponentów.
2. Przemysł spożywczy i napojów
-
Linia produkcyjna i pakująca
-
Mieszalniki, pompy, przenośniki
-
Aplikacje wymagające wysokiej higieny i niezawodności
Korzyści: możliwość stosowania wersji o wysokim stopniu ochrony (IP55), odporność na trudne warunki, kompatybilność z normami energetycznymi.
3. HVAC – wentylacja, klimatyzacja, ogrzewanie
-
Sterowanie wentylatorami, pompami, sprężarkami
-
Systemy zarządzania energią w budynkach (BMS)
-
Automatyka central klimatyzacyjnych i kotłowni
Korzyści: energooszczędna regulacja, zmniejszenie hałasu i zużycia energii, komunikacja z systemami nadrzędnymi (np. Modbus, BACnet).
4. Przemysł chemiczny i farmaceutyczny
-
Dozowniki, reaktory, pompy procesowe
-
Mieszadła, wirówki, linie produkcyjne
-
Aplikacje wymagające precyzji i bezpieczeństwa funkcjonalnego
Korzyści: zaawansowane funkcje bezpieczeństwa (SIL 3, PL e), obsługa enkoderów, możliwość diagnostyki i zdalnego monitorowania.
5. Przemysł papierniczy i tekstylny
-
Maszyny rozwijające i nawijające
-
Sterowanie naciągiem materiału
-
Linie przetwórcze
Korzyści: kontrola momentu i prędkości, synchronizacja wielu napędów, minimalizacja strat materiału.
6. Systemy pompowo–hydrauliczne
-
Zastosowania w gospodarce wodno-ściekowej
-
Pompy głębinowe, boosterowe, cyrkulacyjne
-
Instalacje przemysłowe i komunalne
Korzyści: funkcje zabezpieczające pompę (antyprzeciążeniowe, suchobieg), sterowanie kaskadowe, oszczędność energii.
7. Maszyny specjalne i OEM
-
Integracja z maszynami produkowanymi przez producentów OEM
-
Aplikacje o wysokim stopniu indywidualizacji
-
Systemy wymagające komunikacji z PLC lub systemem nadrzędnym
Korzyści: pełna integracja z TIA Portal, możliwość programowania logiki, elastyczna rozbudowa poprzez moduły komunikacyjne i wejść/wyjść.
Dzięki szerokim możliwościom konfiguracji, elastycznej konstrukcji i integracji z systemami automatyki, falowniki Siemens SINAMICS G220 są uniwersalnym rozwiązaniem dla niemal każdej aplikacji wymagającej precyzyjnego sterowania napędem.
Rozbudowane możliwości konfiguracji, przemienników SINAMICS G220 oferują doskonałą skalowalność i długoterminową niezawodność. Pozwala to na zastosowanie tych przetworników nawet w trudnych warunkach przemysłowych.























