Kompaktowe falowniki LS/LG iE5
Przemienniki częstotliwości iE5 od LS
Kompaktowe rozwiązania do małych aplikacji. 1-fazowe przemienniki iE5 cechują się prostą konfiguracją. LG oferuje falowniki z tej serii w 3 wielkościach mocy. Skalarne przemienniki częstotliwości w kompaktowej obudowie wyposażone w zabudowany wyświetlacz orz przyciski funkcyjne.

Charakterystyka przemienników częstotliwości LG iE5
Przetworniki iE5 dostępne są o mocy znamionowej 100 W, 200W oraz 400W. Wszystkie falowniki z tej rodziny zasilane są napięciem 1 x 230 V AC. W standardzie zostały wyposażone w 5 wejść wielofunkcyjnych, wejście analogowe prądowo-napięciowe oraz wbudowany regulator PID. Skalarne falowniki dysponują wbudowaną komunikacją Modbus. Dodatkowo producent wyposażył urządzenia z tej serii w następujące funkcje:
- hamowanie prądem stałym,
- ograniczenie częstotliwości,
- omijanie częstotliwości,
- funkcja drugiego silnika,
- kompensacja poślizgu,
- ochrona przed zmianą kierunku,
- autorestart,
- regulator PID.
Wszystkie falowniki iE5-1 posiadają kompaktową obudowę o stopniu ochrony IP20. Urządzenia występują w jednej wielkości obudowy.

Schemat podłączenia falownika LG iE5

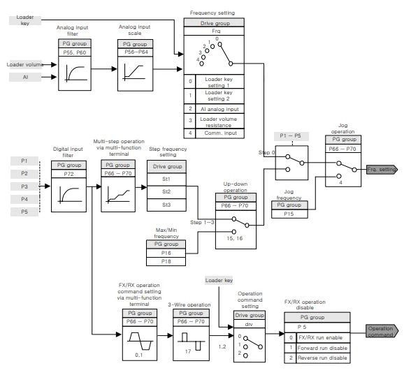
Poniżej został przedstawiony schemat obrazujący ustawienie częstotliwości oraz trybu pracy w falownikach LG iE5

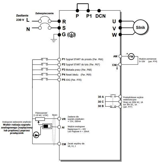
Kolejny schemat przedstawia oznaczenia zacisków dla falowników LG.

Poniżej została przedstawiona lista błędów w falownikach LS serii iE5 zapisywana jest w parametrach od P1 do P3

Zastosowanie falowników iE5
Przemienniki częstotliwości LG iE5 znalazły zastosowanie w wielu małych aplikacjach. Przykładem zastosowania są bieżnie, maszyny pakujące. Falowniki te stosowane są również w aplikacjach pompowych czy wentylatorowych. Innym przykładem zastosowania skalarnych falowników serii iE5 maszyny przemysłowe oraz maszyny do obróbki materiałów.