Falownik wektorowy 1,5 kW 230VAC SV015iC5-1F

  • Producent: LG
  • Kod Produktu:SV015iC5-1F
Zapraszamy do kontaktu z działem handlowym.

Zapytaj o produkt

+
10 Opinii / Napisz opinię

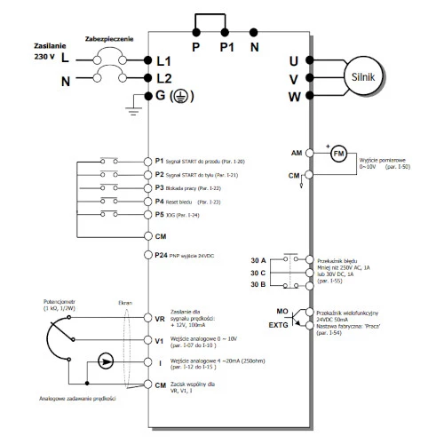
Przemiennik częstotliwości jednofazowy SV015iC5-1F LS 

Falownik wektorowy marki LG z serii IC5. Falownik LG o mocy 1,5 kW z wbudowanym filtrem przeciwzakłóceniowym często stosowane ze względu na małe wymiary. SV015iC5-1F posiada 5 wejść swobodnie programowalnych.

Zamiennikiem dla falownika SV015iC5-1F jest falownik LSLV0015M100-1EOFNA

Wejścia/Wyjścia
Wejścia binarne5
Częstotliwość wyjściowa (Hz)0,1...400
Typ modułu
Rodzaj modułuPrzemiennik częstotliwości
Wymiary i waga
Głębokość (mm)143
Szerokość (mm)156
Wysokość (mm)143
Waga (kg)1,75
Zasilanie
Moc (kW)1,5
Napięcie zasilania (VAC)230
Liczba faz1-fazowy
Częstotliwość napięcia zasilającego (Hz)50...60
Filtr przeciwzakłóceniowyTak
Ogólne
SeriaiC5
SterowanieSkalarne Wektorowe
Temperatura pracy (°C)-10...50

Napisz opinię

Proszę się zalogować lub zarejestrować aby obejrzeć
Tagi:

falownik wektorowy LG, LG SV015iC5-1F, falownik LG, falownik SV015iC5-1F, falownik 1, 5kW, falowniki LG cena, falowniki LS sklep, falowniki LG

Produkty Powiązane

Cenimy Twoją prywatność
Używamy plików cookie, aby ulepszyć komfort przeglądania, wyświetlać spersonalizowane reklamy lub treści oraz analizować ruch w naszej witrynie. Klikając „Akceptuj wszystkie”, wyrażasz zgodę na używanie przez nas plików cookie.