Falownik CIMR-VC4A0002BAA Yaskawa V1000 3x400 VAC 0,55/0,75 kW

  • Producent: Yaskawa
  • Kod Produktu:CIMR-VC4A0002BAA
Zapraszamy do kontaktu z działem handlowym.

Zapytaj o produkt

+
15 Opinii / Napisz opinię

Przemiennik częstotliwości CIMR-VC4A0002BAA Yaskawa V1000 0,55/0,75 kW 

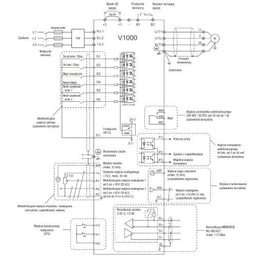
3-fazowy falownik CIMR-VC4A0002BAA produkcji Yaskawa o mocy 0,55/0,75 kW. Inwerter Yaskawa V1000 zasilany jest napięciem 400V AC o częstotliwości 50/60 Hz. Falownik Yaskawa V1000 wyposażony jest w 7 wejść cyfrowych w tym 1 wejście impulsowe. 4 wyjść binarnych, które składają się z 1 wyjścia przekaźnikowego, 2 tranzystorowych i 1 impulsowego. Ponadto posiada 2 wejścia analogowe (0...10V lub 4...20mA), a także 1 wyjście analogowe (0...10V).Dodatkowo posiada 2 wejścia bezpiecznego wyłączania. CIMR-VC4A0002BAA dysponuje protokołem Modbus oraz portem RS485/422. Przemiennik CIMR-VC4A0002BAA z wbudowanym regulatorem PID, swoje zastosowanie znajduje m.in. do aplikacji: pomp, wentylatorów, dźwignic, przenośników. Falownik Yaskawa o wymiarach: 128 x 108 x 99 mm, waży 1,2kg.

Falownik CIMR-VC4A0002BAA można rozbudować za pomocą dodatkowych kart o komunikację:

  • CC-Link - SI-C3/V,
  • EtherNet/IP - SI-EN3/V,
  • Mechatrolink-III - SI-ET3/V,
  • CANopen - SI-S3/V,
  • Powerlink - SI-EL3/V,
  • Profinet - SI-EP3/V,
  • DeviceNet - SI-N3/V,
  • Mechatrolink-II - SI-T3/V,
  • Modbus.TCP - SI-EM3/V,
  • EtherCAT - SI-ES3/V,
  • Profibus - SI-P3/V.

Wejścia/Wyjścia
Wejścia binarne7
Wyjścia binarne4
Wejścia analogowe2
Wyjścia analogowe1
Komunikacja
KomunikacjaRS422 RS485
Typ modułu
Rodzaj modułuPrzemiennik częstotliwości
Wymiary i waga
Głębokość (mm)99
Szerokość (mm)108
Wysokość (mm)128
Waga (kg)1,2
Zasilanie
Moc (kW)0,75 0,55
Napięcie zasilania (VAC)400
Liczba faz3-fazowy
Częstotliwość napięcia zasilającego (Hz)50/60
Prąd wyjściowy (A)1,8 2,1
Ogólne
SeriaV1000
Temperatura pracy (°C)-10...40

Napisz opinię

Proszę się zalogować lub zarejestrować aby obejrzeć
Tagi:

Przemiennik częstotliwości, CIMR-VC4A0002BAA, Yaskawa CIMR-VC4A0002BAA, falownik CIMR-VC4A0002BAA, falownik cena, Yaskawa V1000 0.55/0.75 kW

Produkty Powiązane

Cenimy Twoją prywatność
Używamy plików cookie, aby ulepszyć komfort przeglądania, wyświetlać spersonalizowane reklamy lub treści oraz analizować ruch w naszej witrynie. Klikając „Akceptuj wszystkie”, wyrażasz zgodę na używanie przez nas plików cookie.