Falownik ATV340U15N4 ATV340 3x400V AC 1,5kW Schneider Electric

Indywidualne ceny dostępne po zalogowaniu
Cena
3173,21
Cena brutto: 3903,05 zł
+
+
Ilość
+
Do koszyka
1 Opinii / Napisz opinię

Falownik ATV340U15N4 Schneider 1,5 kW 

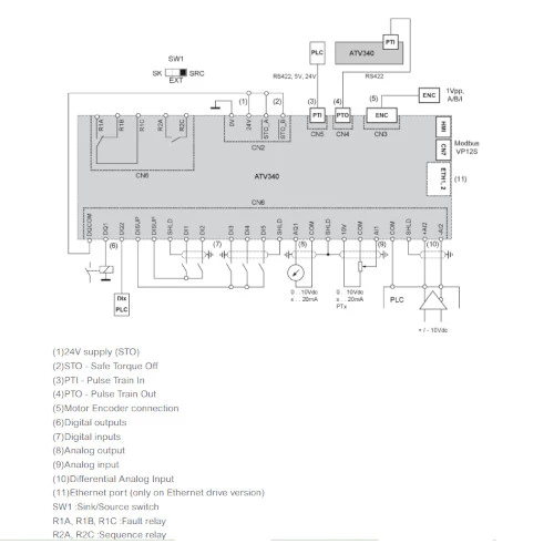
3-fazowy falownik ATV340U15N4 sterowany wektorowo producenta Schneider Electric o mocy 1,5 kW. Falownik ATV340 zasilany jest napięciem 400V AC o częstotliwości 50/60 Hz. Pobór prądu przemiennika częstotliwości wynosi 6 A. Falownik wyposażony jest w 2 wyjścia binarne, 1 wyjście analogowe, 2 wyjścia przekaźnikowe, 7 wejść binarnych oraz 2 wejścia analogowe.. Ponadto inwerter można rozbudować o dodatkowe karty wejść/wyjść oraz komunikacyjne. Przemiennik częstotliwości ATV340 Schneider Electric ma wbudowany filtr EMC oraz wejście bezpieczeństwa STO. ATV340U15N4 Schneider Electric dysponuje wbudowanym portem RS485, natomiast komunikacja falownika przebiega z wykorzystaniem protokołu Modbus. ATV340U15N4 ATV340 Schneider Electric konfigurowany jest za pomocą oprogramowania SoMove. Inwerter ATV340U15N4 o stopniu ochrony IP20 i możliwością pracy w temperaturze -15...60 °C. Wymiary falownika ATV340U15N4 wynoszą 270 x 85 x 232,5 mm, natomiast waga urządzenia to 1,7 kg. Falownik ATV340 ceniony jest za możliwość instalacji jeden obok drugiego. Przeznaczony jest do pracy z silnikami synchronicznymi oraz asynchronicznymi. Przemiennik ATV340 Schneider sprawdza się przy maszynach pakujących czy maszynach do obróbki materiału. Ponadto często spotykane są w aplikacjach dźwigowych.

Scheneider Electric zaleca stosowanie następujących rezystorów hamowania dla powyższego falownika:

VW3A7730 - lekkie obciążenie,

VW3A7740 - średnie obciążenie,

VW3A7750 - ciężkie obciążenie. 


Przemiennik częstotliwości ATV340U15N4 jest kompatybilny z dławikiem liniowym VW3A4551, filtrem wyjściowym VW3A5301 oraz filtrem wejściowym EMC VW3A4422. Do trójfazowego przetwornika 1,5 kW ATV340 preferuje się stosowanie wyłącznika silnikowego GV2L10 oraz stycznika LC1D09**.

Wejścia/Wyjścia
Wejścia binarne7
Wyjścia binarne2
Wyjścia przekaźnikowe2
Wejścia analogowe2
Wyjścia analogowe1
Napięcie wejść analogowych (V)0...10 -10...10
Napięcie wyjść analogowych (V)0...10
Prąd wejść analogowych (mA)0...20
Prąd wyjść analogowych (mA)0...20
Komunikacja
KomunikacjaRS485
Typ modułu
Rodzaj modułuPrzemiennik częstotliwości
Wymiary i waga
Głębokość (mm)232,5
Szerokość (mm)85
Wysokość (mm)270
Waga (kg)1,7
Zasilanie
Moc (kW)1,5
Napięcie zasilania (VAC)400
Liczba faz3-fazowy
Częstotliwość napięcia zasilającego (Hz)50/60
Pobór prądu (A)6
Prąd wyjściowy (A)4
Filtr przeciwzakłóceniowyTak
Ogólne
SeriaATV340
Temperatura pracy (°C)-15...60
Stopień ochrony IP20

Napisz opinię

Proszę się zalogować lub zarejestrować aby obejrzeć
Tagi:

ATV340U15N4 ATV340, Schneider Electric ATV340U15N4, przemiennik ATV340U15N4 cena, przemiennik częstotliwości ATV340

Produkty Powiązane

Cenimy Twoją prywatność
Używamy plików cookie, aby ulepszyć komfort przeglądania, wyświetlać spersonalizowane reklamy lub treści oraz analizować ruch w naszej witrynie. Klikając „Akceptuj wszystkie”, wyrażasz zgodę na używanie przez nas plików cookie.