Falownik 90 kW 3x400 VAC ATV930D90N4 Schneider Electric

Indywidualne ceny dostępne po zalogowaniu
Cena
40808,32
Cena brutto: 50194,23 zł
+
+
Ilość
+
Do koszyka
0 Opinii / Napisz opinię

Trójfazowy falownik 173A ATV930 Schneider 

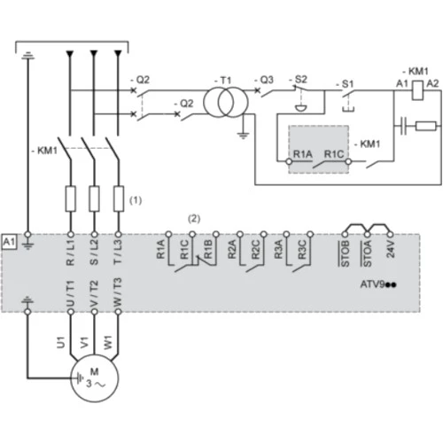
Falownik Altivar Process ATV930D90N4 Schneider Electric przeznaczony do pracy z trójfazowymi silnikami asynchronicznymi i synchronicznymi. 3-fazowy falownik ATV930D90N4 o mocy 90 kW przy obciążeniu lekkim i 75 kW przy obciążeniu ciężkim. Prąd wyjściowy wynosi odpowiednio 173 A przy lekkim obciążeniu i 145A przy obciążeniu ciężkim. Częstotliwość wyjściowa dla falownika Altivar Process ATV900 wynosi 599 Hz. Inwerter ATV930D90N4 dysponuje 10 wejściami binarnymi, 2 wyjściami binarnymi, 3 wejściami analogowymi, 2 wyjściami analogowymi oraz 3 wyjściami przekaźnikowymi. Ponadto ATV900 dysponuje wejściem bezpieczeństwa STO. Komunikacja w falowniku ATV930D90N4 odbywa się protokołem Ethernet/IP i Modbus TCP. Przemiennik częstotliwości w wersji standardowej ATV930D90N4 został wyposażony w filtr EMC oraz czoper hamowania. Falownik ATV930D90N4 posiada obudowę przystosowaną do montażu naściennego pionowego i stopniu ochrony IP21. Wymiary falownika ATV930 90kW wynoszą: 290 x 922 x 325,5 mm i wadze 59,5 kg. 

Opcjonalnie, producent Schneider Electric zaleca stosowanie do falownika ATV930D90N4:

  • zestawu do montażu terminala operatorskiego - VW3A1112,
  • modułu komunikacyjnego MultiDrive Link - VW3A3721,
  • kartę rozszerzeń wejść/wyjść - VW3A3203,
  • kartę komunikacji Profinet - VW3A3627,
  • rezystor hamowania - VW3A7754,
  • filtra du/dt - VW3A5306,
  • kartę komunikacji CANopen - VW3A3608,
  • kartę komunikacji ProfibusDP - VW3A3607,
  • kartę komunikacji EtherCAT  -  VW3A3601,
  • kartę komunikacji DeviceNet - VW3A3609.

Wejścia/Wyjścia
Wejścia binarne10
Wyjścia binarne2
Wyjścia przekaźnikowe3
Wejścia analogowe3
Wyjścia analogowe2
Napięcie wejść analogowych (V)0...10
Napięcie wyjść analogowych (V)0...10
Prąd wejść analogowych (mA)0...20 4...20
Prąd wyjść analogowych (mA)0...20
Częstotliwość wyjściowa (Hz)0...599
Rozdzielczość (bit)10 12
Komunikacja
KomunikacjaEthernet IP RJ45 Modbus/TCP RS485
Typ modułu
Rodzaj modułuPrzemiennik częstotliwości
Wymiary i waga
Głębokość (mm)325,5
Szerokość (mm)290
Wysokość (mm)922
Waga (kg)59,5
Zasilanie
Moc (kW)90 75
Napięcie zasilania (VAC)323...528
Liczba faz3-fazowy
Częstotliwość napięcia zasilającego (Hz)50...60
Prąd wyjściowy (A)145 173
Ogólne
SeriaATV900
Temperatura pracy (°C)-15...60
Stopień ochrony IP21

Napisz opinię

Proszę się zalogować lub zarejestrować aby obejrzeć
Tagi:

ATV930D90N4, falownik ATV930D90N4 cena, Altivar Process ATV930D90N4

Cenimy Twoją prywatność
Używamy plików cookie, aby ulepszyć komfort przeglądania, wyświetlać spersonalizowane reklamy lub treści oraz analizować ruch w naszej witrynie. Klikając „Akceptuj wszystkie”, wyrażasz zgodę na używanie przez nas plików cookie.