Falownik 7,5 kW 3x400 VAC ATV950U75N4 Schneider Electric

Indywidualne ceny dostępne po zalogowaniu
Cena
8987,83
Cena brutto: 11055,03 zł
+
+
Ilość
+
Do koszyka
0 Opinii / Napisz opinię

Trójfazowy falownik 16,5A ATV950 Schneider 

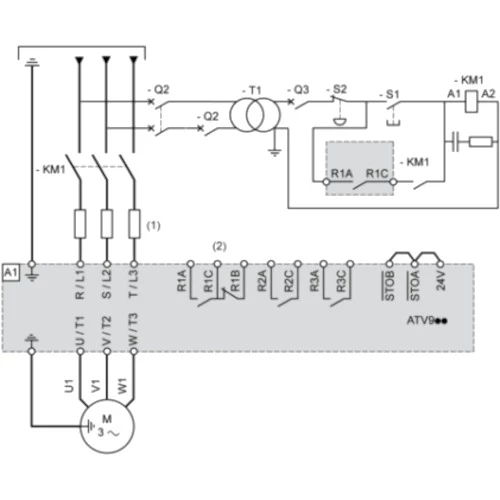
Falownik Altivar Process ATV950U75N4 Schneider Electric przeznaczony do pracy z trójfazowymi silnikami asynchronicznymi i synchronicznymi. 3-fazowy falownik ATV950U75N4 o mocy 7,5 kW  przy obciążeniu lekkim i 5,5 kW przy obciążeniu ciężkim. Prąd wyjściowy wynosi odpowiednio 16,5 A przy lekkim obciążeniu i 12,7 A przy obciążeniu ciężkim. Częstotliwość wyjściowa dla falownika Altivar Process ATV900 wynosi 599 Hz. Inwerter ATV950U75N4 dysponuje 10 wejściami binarnymi, 2 wyjściami binarnymi, 3 wejściami analogowymi, 2 wyjściami analogowymi oraz 3 wyjściami przekaźnikowymi. Ponadto ATV900 dysponuje wejściem bezpieczeństwa STO. Komunikacja w falowniku ATV950U75N4 odbywa się protokołem Ethernet/IP i Modbus TCP. Przemiennik częstotliwości w wersji standardowej ATV950U75N4 został wyposażony w filtr EMC oraz czoper hamowania. Falownik ATV950U75N4 posiada obudowę przystosowaną do montażu naściennego pionowego i stopniu ochrony IP55. Wymiary falownika ATV950 7,5kW wynoszą: 264 x 678 x 299 mm i wadze 13,7 kg. 

Opcjonalnie, producent Schneider Electric zaleca stosowanie do falownika ATV950U75N4:

  • zestawu do montażu terminala operatorskiego - VW3A1112,
  • modułu komunikacyjnego MultiDrive Link - VW3A3721,
  • kartę rozszerzeń wejść/wyjść - VW3A3203,
  • kartę komunikacji Profinet - VW3A3627,
  • rezystor hamowania - VW3A7751,
  • kartę komunikacji CANopen - VW3A3608. 

Wejścia/Wyjścia
Wejścia binarne10
Wyjścia binarne2
Wyjścia przekaźnikowe3
Wejścia analogowe3
Wyjścia analogowe2
Napięcie wejść analogowych (V)0...10
Napięcie wyjść analogowych (V)0...10
Prąd wejść analogowych (mA)0...20 4...20
Prąd wyjść analogowych (mA)0...20
Częstotliwość wyjściowa (Hz)0...599
Rozdzielczość (bit)10 12
Komunikacja
KomunikacjaEthernet IP RJ45 Modbus/TCP RS485
Typ modułu
Rodzaj modułuPrzemiennik częstotliwości
Wymiary i waga
Głębokość (mm)299
Szerokość (mm)264
Wysokość (mm)678
Waga (kg)13,7
Zasilanie
Moc (kW)7,5 5,5
Napięcie zasilania (VAC)323...528
Liczba faz3-fazowy
Częstotliwość napięcia zasilającego (Hz)50...60
Prąd wyjściowy (A)12,7 16,5
Ogólne
SeriaATV900
Temperatura pracy (°C)-15...60
Stopień ochrony IP55

Napisz opinię

Proszę się zalogować lub zarejestrować aby obejrzeć
Tagi:

ATV950U75N4, falownik ATV950U75N4 cena, Altivar Process ATV950U75N4

Cenimy Twoją prywatność
Używamy plików cookie, aby ulepszyć komfort przeglądania, wyświetlać spersonalizowane reklamy lub treści oraz analizować ruch w naszej witrynie. Klikając „Akceptuj wszystkie”, wyrażasz zgodę na używanie przez nas plików cookie.