Falownik 45 kW 3x400 VAC ATV930D45N4 Schneider Electric

Indywidualne ceny dostępne po zalogowaniu
Cena
24207,98
Cena brutto: 29775,82 zł
+
+
Ilość
+
Do koszyka
0 Opinii / Napisz opinię

Trójfazowy falownik 88A ATV930 Schneider 

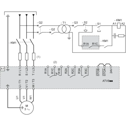
Falownik Altivar Process ATV930D45N4 Schneider Electric przeznaczony do pracy z trójfazowymi silnikami asynchronicznymi i synchronicznymi. 3-fazowy falownik ATV930D45N4 o mocy 45 kW przy obciążeniu lekkim i 37 kW przy obciążeniu ciężkim. Prąd wyjściowy wynosi odpowiednio 88 A przy lekkim obciążeniu i 74,5A przy obciążeniu ciężkim. Częstotliwość wyjściowa dla falownika Altivar Process ATV900 wynosi 599 Hz. Inwerter ATV930D45N4 dysponuje 10 wejściami binarnymi, 2 wyjściami binarnymi, 3 wejściami analogowymi, 2 wyjściami analogowymi oraz 3 wyjściami przekaźnikowymi. Ponadto ATV900 dysponuje wejściem bezpieczeństwa STO. Komunikacja w falowniku ATV930D45N4 odbywa się protokołem Ethernet/IP i Modbus TCP. Przemiennik częstotliwości w wersji standardowej ATV930D45N4został wyposażony w filtr EMC oraz czoper hamowania. Falownik ATV930D45N4 posiada obudowę przystosowaną do montażu naściennego pionowego i stopniu ochrony IP21. Wymiary falownika ATV930 37kW wynoszą: 226 x 673 x 274 mm i wadze 28,7 kg. 

Opcjonalnie, producent Schneider Electric zaleca stosowanie do falownika ATV930D45N4:

  • zestawu do montażu terminala operatorskiego - VW3A1112,
  • modułu komunikacyjnego MultiDrive Link - VW3A3721,
  • kartę rozszerzeń wejść/wyjść - VW3A3203,
  • kartę komunikacji Profinet - VW3A3627,
  • rezystor hamowania - VW3A7754,
  • filtra du/dt - VW3A5305,
  • kartę komunikacji CANopen - VW3A3608,
  • kartę komunikacji ProfibusDP - VW3A3607,
  • kartę komunikacji EtherCAT - VW3A3601,
  • kartę komunikacji DeviceNet - VW3A3609.

Wejścia/Wyjścia
Wejścia binarne10
Wyjścia binarne2
Wyjścia przekaźnikowe3
Wejścia analogowe3
Wyjścia analogowe2
Napięcie wejść analogowych (V)0...10
Napięcie wyjść analogowych (V)0...10
Prąd wejść analogowych (mA)0...20 4...20
Prąd wyjść analogowych (mA)0...20
Częstotliwość wyjściowa (Hz)0...599
Rozdzielczość (bit)10 12
Komunikacja
KomunikacjaEthernet IP Modbus/TCP RJ45 RS485
Typ modułu
Rodzaj modułuPrzemiennik częstotliwości
Wymiary i waga
Głębokość (mm)274
Szerokość (mm)226
Wysokość (mm)673
Waga (kg)28,7
Zasilanie
Moc (kW)37 45
Napięcie zasilania (VAC)323...528
Liczba faz3-fazowy
Częstotliwość napięcia zasilającego (Hz)50...60
Prąd wyjściowy (A)74,5 88
Ogólne
SeriaATV900
Temperatura pracy (°C)-15...60
Stopień ochrony IP21

Napisz opinię

Proszę się zalogować lub zarejestrować aby obejrzeć
Tagi:

ATV930D45N4, falownik ATV930D45N4 cena, Altivar Process ATV930D45N4

Cenimy Twoją prywatność
Używamy plików cookie, aby ulepszyć komfort przeglądania, wyświetlać spersonalizowane reklamy lub treści oraz analizować ruch w naszej witrynie. Klikając „Akceptuj wszystkie”, wyrażasz zgodę na używanie przez nas plików cookie.