Falownik 3 kW 3x400 VAC ATV930U30N4 Schneider Electric

Indywidualne ceny dostępne po zalogowaniu
Cena
5518,74
Cena brutto: 6788,05 zł
+
+
Ilość
+
Do koszyka
0 Opinii / Napisz opinię

Trójfazowy falownik 5,6A ATV930 Schneider 

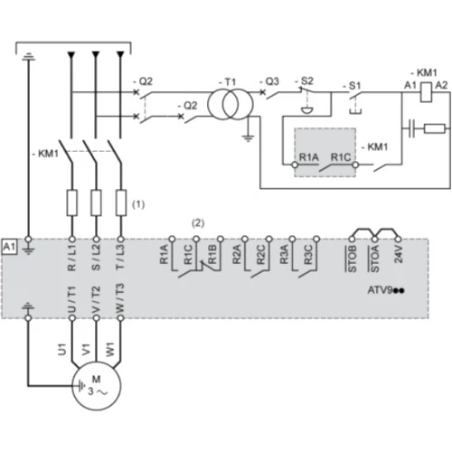
Falownik Altivar Process ATV930U30N4 Schneider Electric przeznaczony do pracy z trójfazowymi silnikami asynchronicznymi i synchronicznymi. 3-fazowy falownik ATV930U30N4 o mocy 3 kW  przy obciążeniu lekkim i 2,2 kW przy obciążeniu ciężkim. Prąd wyjściowy wynosi odpowiednio 7,2 A przy lekkim obciążeniu i 5,6 A przy obciążeniu ciężkim. Częstotliwość wyjściowa dla falownika Altivar Process ATV900 wynosi 599 Hz. Inwerter ATV930U30N4 dysponuje 10 wejściami binarnymi, 2 wyjściami binarnymi, 3 wejściami analogowymi, 2 wyjściami analogowymi oraz 3 wyjściami przekaźnikowymi. Ponadto ATV900 dysponuje wejściem bezpieczeństwa STO. Komunikacja w falowniku ATV930U30N4 odbywa się protokołem Ethernet/IP i Modbus TCP. Przemiennik częstotliwości w wersji standardowej ATV930U30N4 został wyposażony w filtr EMC oraz czoper hamowania. Falownik ATV930U30N4 posiada obudowę przystosowaną do montażu naściennego pionowego i stopniu ochrony IP21. Wymiary falownika ATV930 3kW wynoszą: 350 x 144 x 206 mm i wadze 4,6 kg. 

Opcjonalnie, producent Schneider Electric zaleca stosowanie do falownika ATV930U30N4:

  • zestaw do montażu terminala operatorskiego - VW3A1112,
  • modułu komunikacyjnego MultiDrive Link - VW3A3721,
  • kartę rozszerzeń wejść/wyjść - VW3A3203,
  • kartę komunikacji Profinet - VW3A3627,
  • rezystor hamowania - VW3A7750,
  • filtra du/dt - VW3A5302,
  • kartę komunikacji CANopen - VW3A3608,
  • kartę komunikacji ProfibusDP - VW3A3607,
  • kartę komunikacji EtherCAT - VW3A3601,
  • kartę komunikacji DeviceNet - VW3A3609.

Wejścia/Wyjścia
Wejścia binarne10
Wyjścia binarne2
Wyjścia przekaźnikowe3
Wejścia analogowe3
Wyjścia analogowe2
Napięcie wejść analogowych (V)0...10
Napięcie wyjść analogowych (V)0...10
Prąd wejść analogowych (mA)0...20 4...20
Prąd wyjść analogowych (mA)0...20
Częstotliwość wyjściowa (Hz)0...599
Rozdzielczość (bit)10 12
Komunikacja
KomunikacjaEthernet IP RJ45 Modbus/TCP RS485
Typ modułu
Rodzaj modułuPrzemiennik częstotliwości
Wymiary i waga
Głębokość (mm)206
Szerokość (mm)144
Wysokość (mm)350
Waga (kg)4,6
Zasilanie
Moc (kW)2,2 3
Napięcie zasilania (VAC)323...528
Liczba faz3-fazowy
Częstotliwość napięcia zasilającego (Hz)50...60
Prąd wyjściowy (A)5,6 7,2
Ogólne
SeriaATV900
Temperatura pracy (°C)-15...60
Stopień ochrony IP21

Napisz opinię

Proszę się zalogować lub zarejestrować aby obejrzeć
Tagi:

ATV930U30N4, falownik ATV930U30N4 cena, Altivar Process ATV930U30N4

Cenimy Twoją prywatność
Używamy plików cookie, aby ulepszyć komfort przeglądania, wyświetlać spersonalizowane reklamy lub treści oraz analizować ruch w naszej witrynie. Klikając „Akceptuj wszystkie”, wyrażasz zgodę na używanie przez nas plików cookie.