Falownik 220 kW 3x400 VAC ATV930C22N4C Schneider Electric

Indywidualne ceny dostępne po zalogowaniu
Cena
80097,46
Cena brutto: 98519,88 zł
+
+
Ilość
+
Do koszyka
0 Opinii / Napisz opinię

Trójfazowy falownik 427A ATV930 Schneider 

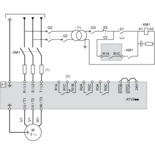
Falownik Altivar Process ATV930C22N4C Schneider Electric przeznaczony do pracy z trójfazowymi silnikami asynchronicznymi i synchronicznymi. 3-fazowy falownik ATV930C22N4C o mocy 220 kW  przy obciążeniu lekkim i 160 kW przy obciążeniu ciężkim. Prąd wyjściowy wynosi odpowiednio 427 A przy lekkim obciążeniu i 302 A przy obciążeniu ciężkim. Częstotliwość wyjściowa dla falownika Altivar Process ATV900 wynosi 599 Hz. Inwerter ATV930C22N4C dysponuje 10 wejściami binarnymi, 2 wyjściami binarnymi, 3 wejściami analogowymi, 2 wyjściami analogowymi oraz 3 wyjściami przekaźnikowymi. Ponadto ATV900 dysponuje wejściem bezpieczeństwa STO. Komunikacja w falowniku ATV930C22N4C odbywa się protokołem Ethernet/IP i Modbus TCP. Przemiennik częstotliwości w wersji standardowej ATV930C22N4C został wyposażony w filtr EMC. Falownik ATV930C22N4C posiada obudowę przystosowaną do montażu naściennego pionowego i stopniu ochrony IP00. Wymiary falownika ATV930 220kW wynoszą: 440 x 1195 x 380 mm i wadze 172 kg. 

Opcjonalnie, producent Schneider Electric zaleca stosowanie do falownika ATV930C22N4C:

  • zestawu do montażu terminala operatorskiego - VW3A1112,
  • modułu komunikacyjnego Multidrive Link - VW3A3721,
  • kartę rozszerzeń wejść/wyjść - VW3A3203,
  • kartę komunikacji Profinet- VW3A3627,
  • dławika silnikowego - VW3A5106.

Wejścia/Wyjścia
Wejścia binarne10
Wyjścia binarne2
Wyjścia przekaźnikowe3
Wejścia analogowe3
Wyjścia analogowe2
Napięcie wejść analogowych (V)0...10
Napięcie wyjść analogowych (V)0...10
Prąd wejść analogowych (mA)0...20 4...20
Prąd wyjść analogowych (mA)0...20
Częstotliwość wyjściowa (Hz)0...599
Rozdzielczość (bit)10 12
Komunikacja
KomunikacjaEthernet IP Modbus/TCP RJ45 RS485
Typ modułu
Rodzaj modułuPrzemiennik częstotliwości
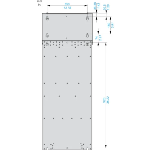
Wymiary i waga
Głębokość (mm)380
Szerokość (mm)440
Wysokość (mm)1195
Waga (kg)172
Zasilanie
Moc (kW)220 160
Napięcie zasilania (VAC)323...528
Liczba faz3-fazowy
Częstotliwość napięcia zasilającego (Hz)50...60
Prąd wyjściowy (A)302 427
Ogólne
SeriaATV900
Temperatura pracy (°C)-15...60
Stopień ochrony IP21

Napisz opinię

Proszę się zalogować lub zarejestrować aby obejrzeć
Tagi:

ATV930C22N4C, falownik ATV930C22N4C cena, Altivar Process ATV930C22N4C

Cenimy Twoją prywatność
Używamy plików cookie, aby ulepszyć komfort przeglądania, wyświetlać spersonalizowane reklamy lub treści oraz analizować ruch w naszej witrynie. Klikając „Akceptuj wszystkie”, wyrażasz zgodę na używanie przez nas plików cookie.