Falownik 110 kW 3x400 VAC ATV930C11N4C Schneider Electric

Indywidualne ceny dostępne po zalogowaniu
Cena
47421,68
Cena brutto: 58328,67 zł
+
+
Ilość
+
Do koszyka
0 Opinii / Napisz opinię

Trójfazowy falownik 211A ATV930 Schneider 

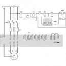
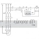
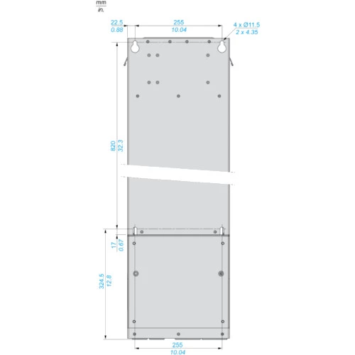
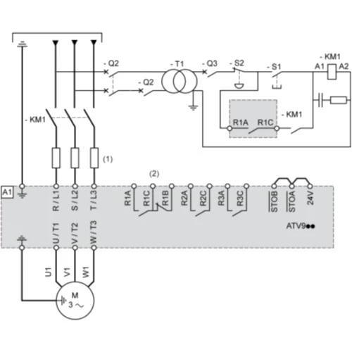
Falownik Altivar Process ATV930C11N4C Schneider Electric przeznaczony do pracy z trójfazowymi silnikami asynchronicznymi i synchronicznymi. 3-fazowy falownik ATV930C11N4C o mocy 110 kW przy obciążeniu lekkim i 90 kW przy obciążeniu ciężkim. Prąd wyjściowy wynosi odpowiednio 211 A przy lekkim obciążeniu i 173A przy obciążeniu ciężkim. Częstotliwość wyjściowa dla falownika Altivar Process ATV900 wynosi 599 Hz. Inwerter ATV930C11N4C dysponuje 10 wejściami binarnymi, 2 wyjściami binarnymi, 3 wejściami analogowymi, 2 wyjściami analogowymi oraz 3 wyjściami przekaźnikowymi. Ponadto ATV900 dysponuje wejściem bezpieczeństwa STO. Komunikacja w falowniku ATV930C11N4C odbywa się protokołem Ethernet/IP i Modbus TCP. Przemiennik częstotliwości w wersji standardowej ATV930C11N4C został wyposażony w filtr EMC. Falownik ATV930C11N4C posiada obudowę przystosowaną do montażu naściennego pionowego i stopniu ochrony IP21. Wymiary falownika ATV930 90kW wynoszą: 320 x 852 x 393 mm i wadze 82 kg. 

Opcjonalnie, producent Schneider Electric zaleca stosowanie do falownika ATV930C11N4C:

  • zestawu do montażu terminala operatorskiego - VW3A1112,
  • modułu komunikacyjny MultiDrive Link - VW3A3721,
  • kartę rozszerzeń wejść/wyjść - VW3A3203,
  • kartę komunikacji Profinet - VW3A3627,
  • rezystor hamowania - VW3A7756,
  • zespołu hamowania - VW3A7105,
  • filtra du/dt - VW3A5307.

Wejścia/Wyjścia
Wejścia binarne10
Wyjścia binarne2
Wyjścia przekaźnikowe3
Wejścia analogowe3
Wyjścia analogowe2
Napięcie wejść analogowych (V)0...10
Napięcie wyjść analogowych (V)0...10
Prąd wejść analogowych (mA)0...20 4...20
Prąd wyjść analogowych (mA)0...20
Częstotliwość wyjściowa (Hz)0...599
Rozdzielczość (bit)10 12
Komunikacja
KomunikacjaEthernet IP Modbus/TCP RJ45 RS485
Typ modułu
Rodzaj modułuPrzemiennik częstotliwości
Wymiary i waga
Głębokość (mm)393
Szerokość (mm)320
Wysokość (mm)852
Waga (kg)82
Zasilanie
Moc (kW)110 90
Napięcie zasilania (VAC)323...528
Liczba faz3-fazowy
Częstotliwość napięcia zasilającego (Hz)50...60
Prąd wyjściowy (A)173 211
Ogólne
SeriaATV900
Temperatura pracy (°C)-15...60
Stopień ochrony IP21

Napisz opinię

Proszę się zalogować lub zarejestrować aby obejrzeć
Tagi:

ATV930C11N4C, falownik ATV930C11N4C cena, Altivar Process ATV930C11N4C

Cenimy Twoją prywatność
Używamy plików cookie, aby ulepszyć komfort przeglądania, wyświetlać spersonalizowane reklamy lub treści oraz analizować ruch w naszej witrynie. Klikając „Akceptuj wszystkie”, wyrażasz zgodę na używanie przez nas plików cookie.