Falownik 1,5 kW 1x230VAC EDS0015T2B-C Elmatic

  • Producent: Elmatic
  • Kod Produktu:EDS0015T2B-C
Zapraszamy do kontaktu z działem handlowym.

Zapytaj o produkt

+
0 Opinii / Napisz opinię

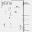
Jednofazowy przemiennik częstotliwości EDS 1,5 kW 

Falownik EDS0015T2B-C Elmatic dedykowany jest do pracy z trójfazowym silnikiem asynchronicznym o mocy do 1,5 kW. Inverter EDS0015T2B-C o mocy 1,5 kW i napiciu zasilania 1x230 VAC. Skalarny przetwornik EDS 1,5 kW Elmatic charakteryzuje się prądem wyjściowym na poziomie 7A i częstotliwością wyjściową 400Hz. Producent deklaruje możliwość pracy invertera przy przeciążeniu 150% w czasie 1 minuty. W standardzie falownik Elmatic EDS został wyposażony w 4 wejścia cyfrowe, 1 wejście analogowe prądowo-napięciowe oraz 2 wyjścia przekaźnikowe. Komunikacja w tym przemienniku odbywa się protokołem Modbus RTU/ASCII po RS485. Dodatkowo jednofazowy falownik EDS0015T2B-C dysponuje funkcją Energy saving oraz funkcją lotnego startu. Obudowa falownika EDS0015T2B-C posiada stopień ochrony IP65 i jest  przystosowana zarówno do montażu naściennego, jak i bezpośrednio na silniku. Przemiennik częstotliwości EDS0015T2B-C polecany jest szczególnie do aplikacji wentylatorowych oraz pompowych.

Wejścia/Wyjścia
Wejścia binarne4
Wyjścia przekaźnikowe1
Wejścia analogowe1
Napięcie wejść analogowych (V)0...10
Prąd wejść analogowych (mA)4...20
Częstotliwość wyjściowa (Hz)0,1...400
Komunikacja
KomunikacjaModbus ASCII/RTU RS485
Typ modułu
Rodzaj modułuPrzemiennik częstotliwości
Wymiary i waga
Głębokość (mm)134
Szerokość (mm)188
Wysokość (mm)122
Zasilanie
Moc (kW)1,5
Napięcie zasilania (VAC)170...240
Liczba faz1-fazowy
Częstotliwość napięcia zasilającego (Hz)50...60
Prąd wyjściowy (A)7
Ogólne
SterowanieSkalarne
Temperatura pracy (°C)-10...40
Stopień ochrony IP65

Napisz opinię

Proszę się zalogować lub zarejestrować aby obejrzeć
Tagi:

EDS0015T2B-C, Elmatic EDS0015T2B-C cena, falownik 1, 5 kW EDS

Cenimy Twoją prywatność
Używamy plików cookie, aby ulepszyć komfort przeglądania, wyświetlać spersonalizowane reklamy lub treści oraz analizować ruch w naszej witrynie. Klikając „Akceptuj wszystkie”, wyrażasz zgodę na używanie przez nas plików cookie.